Diagram for TCM pinout, TCM CAN bus wiring diagram needed?
2014 MITSUBISHI OUTLANDER SPORT
15,647 MILES • 3.0L • 4 CYL • 4WD
ANDRIN ATEM
MEMBER
393 POSTS
FOLLOW
Hi Ken, please I would like to have a diagram for TCM pinout, TCM CAN bus wiring diagram, also pin out for ECU and CAN bus network for ECU.
Mar 6, 2025 at 12:49 PM
Advertisement
STRAILER
CERTIFIED EXPERT
53,855 POSTS
Hi Andrin,
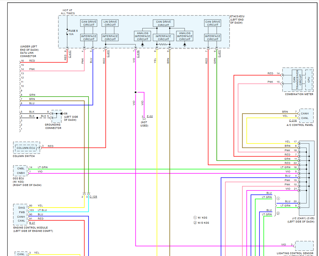
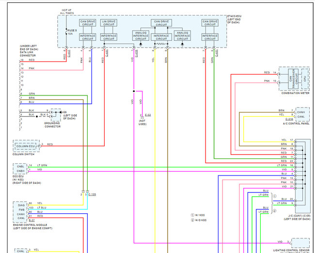
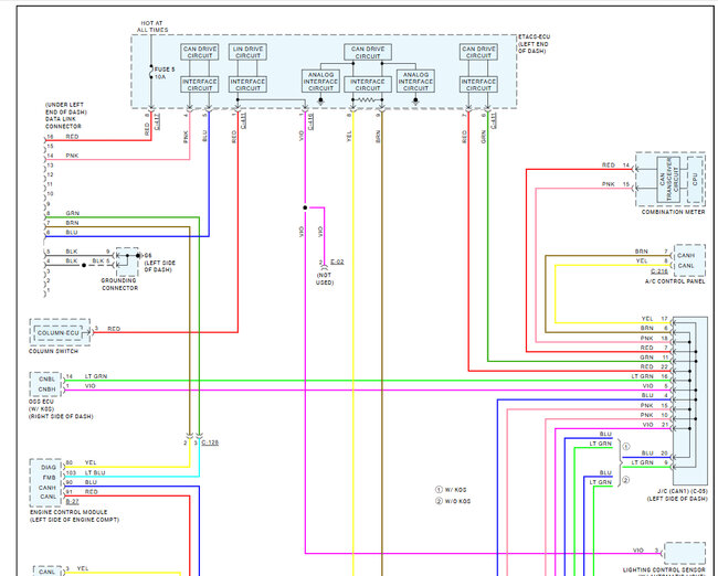
You like these wiring problems :) Here is a guide to help with the testing and the wiring diagrams for the TCM and CAN BUS, please start a new post for the ECU wiring. I don't have connector views for this car, sorry. Check out the images (below). Let us know if you need anything else.
Images (Click to enlarge)
Mar 7, 2025 at 10:39 AM
ANDRIN ATEM
MEMBER
393 POSTS
They make work very easy. Thank you.
Mar 7, 2025 at 9:34 PM
Advertisement
STRAILER
CERTIFIED EXPERT
53,855 POSTS
You are welcome.
Mar 8, 2025 at 9:59 AM
ANDRIN ATEM
MEMBER
393 POSTS
Hi Ken, I noticed the TCM is not appearing on the network. I could not find the can for the TCM, but I got a code P1590, referring to a damaged TCM or ECM. I just need to verify the can, if good then I replace the TCM. I also noticed this model has a gate way module. I did not find it in the diagram you shared with me, can you please?
Mar 18, 2025 at 11:23 AM
STRAILER
CERTIFIED EXPERT
53,855 POSTS
I don't think the car has a gateway module, where do you you see it? To me it sounds like you have a TCM that is out, I would make sure it is getting power and ground and if so, replace the TCM. Use the wiring diagrams above to test. Here is the location of the TCM.
Image (Click to enlarge)
Mar 19, 2025 at 9:53 AM
ANDRIN ATEM
MEMBER
393 POSTS
Thank you, Ken, we found a blown fuse after noticing the TCM was not getting power.
Mar 20, 2025 at 6:29 PM
STRAILER
CERTIFIED EXPERT
53,855 POSTS
Nice work Andrin! glad you got it fixed, have a nice weekend.