camshaft timing

2007 CHEVROLET COBALT
24,000 MILES • 2.2L • 4 CYL • FWD • AUTOMATIC
Avatar
MAILIBU1955
  • MEMBER
  • 76 POSTS
timing procedure on it 2.2 engine. I'm replace cam gears and chain. (engine jumped timing.)Is this a interference engine?
Apr 7, 2016 at 8:29 AM
Advertisement
Avatar
HMAC300
  • CERTIFIED EXPERT
  • 48,601 POSTS
yes it's interference the procedure ot do this is quite lengthy so you'll have to get a manual or rent one from us and print out
Apr 7, 2016 at 1:14 PM
Avatar
MAILIBU1955
  • MEMBER
  • 76 POSTS
Thank you,I have a manual coming.
Apr 7, 2016 at 1:17 PM
Advertisement
Avatar
STRAILER
  • CERTIFIED EXPERT
  • 53,854 POSTS
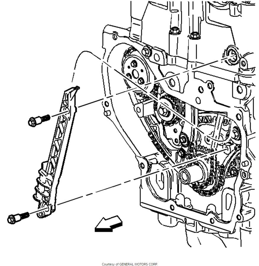
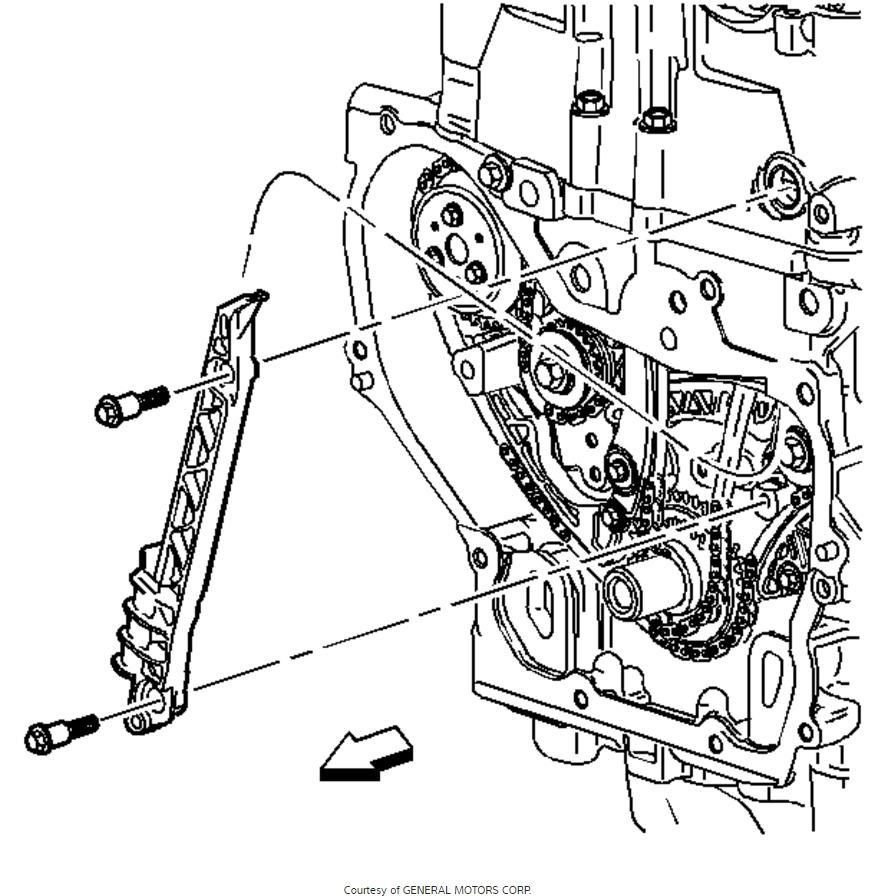
If you want to get started with the repair I found these diagrams for you, if the valves hit the pistons which is likely you will need to remove the head and send it for a valve job, also check the pistons for damage as well, please get back to us on what you find.

Apr 13, 2016 at 12:42 PM