Codes P0340 and P0345, Camshaft Position Sensor location needed

2005 TOYOTA HIGHLANDER
300,000 MILES • 3.3L • 6 CYL • 2WD • AUTOMATIC
Avatar
FLYGUY86
  • MEMBER
  • 2 POSTS
I was told to replace the cam position sensor. I can't find any good diagrams of where these are located. Thanks for your video How to Service Throttle Body Housing and Plates Toyota Highlander V6 3.0 2001-2007. I think two of the sensors are back there. Thanks for your great videos and your help.
Mar 2, 2022 at 5:36 PM
Advertisement
Avatar
STEVE W.
  • CERTIFIED EXPERT
  • 15,113 POSTS
Okay, those codes could be a bad sensor or bad wiring. Both can set them. However, in your case you have circuit codes for both sensors and they are on opposite sides of the engine. As it would be extremely rare for both to fail at the same time with the same fault, I doubt the sensors are the problem. Instead, I think you have a wiring issue in circuit A.
One big question first, does it start and run? I ask because no signal from either cam could also be a failed timing belt that isn't turning the cams to generate the signal.
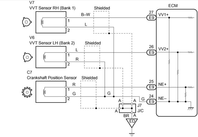
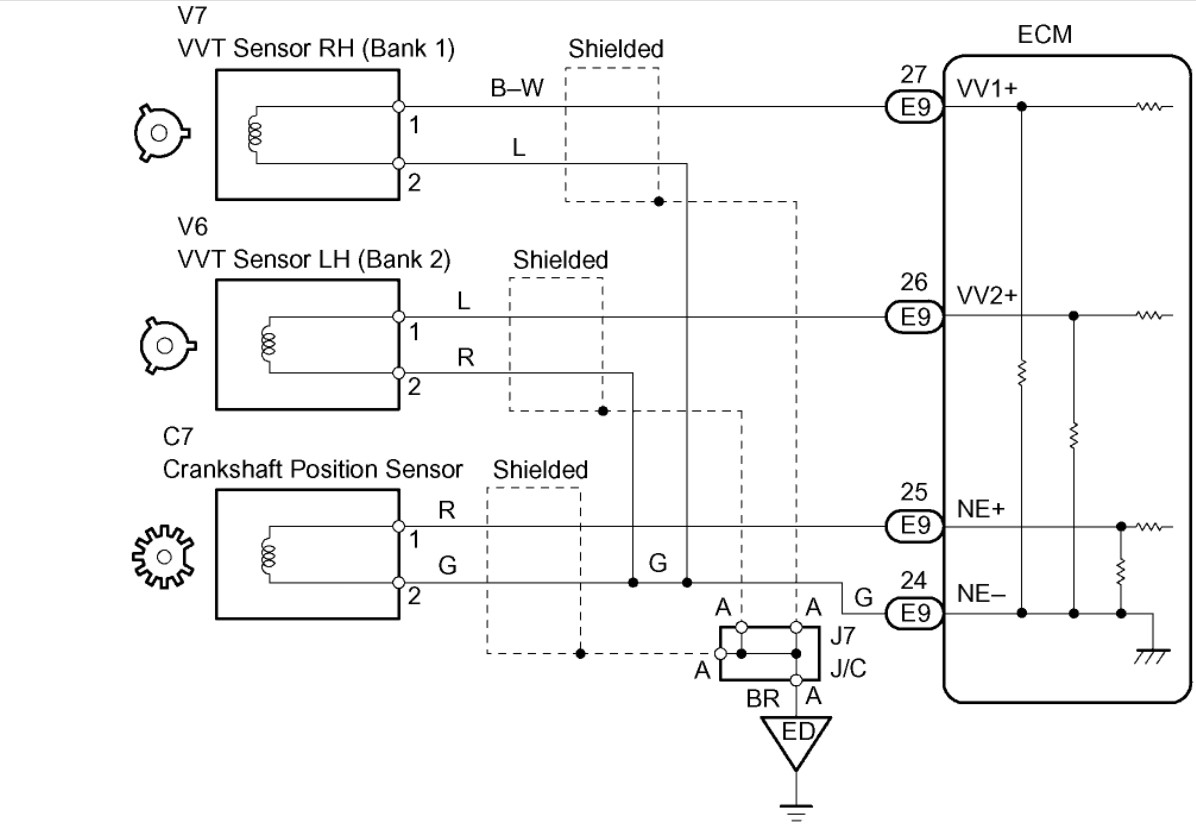
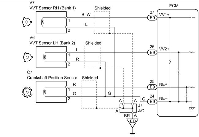
To get to the sensors you simply remove the air cleaner, and the sensors are right there on top of each head at the rear of the engine. I would do the resistance test on each sensor first. If they test close to the same and in spec I would inspect the wiring, you are looking for a break or short in a wire that they both share which would be the same one that feed the crank sensor as well. Attached are the tests and wiring diagrams. Now if the engine doesn't run at this time, I would open the timing belt cover and check that the belt is intact and moving the cams, you can do that by just removing the five bolts and gently opening the cover to watch the belt.
Mar 2, 2022 at 9:42 PM
Avatar
FLYGUY86
  • MEMBER
  • 2 POSTS
Wow!! Thank you so much. If the timing belt is broken, can I just replace it or is this an interference engine and the valves are bent?
Mar 3, 2022 at 6:47 AM
Advertisement
Avatar
STEVE W.
  • CERTIFIED EXPERT
  • 15,113 POSTS
The VVT version you have is an interference engine. I would assume valve issues until you could prove it was okay. Does the engine start? That alone would tell you about the belt. If no, then I would check the belt. It's possible that it's a wiring issue, these sensors work by generating a small AC signal that doesn't take much to squelch.
Mar 3, 2022 at 1:07 PM