After replacing the camshaft position sensor, the truck runs badly?

2003 CHEVROLET TRACKER
119,670 MILES • 2.0L • 4 CYL • 4WD • AUTOMATIC
Avatar
ALC1974
  • MEMBER
  • 15 POSTS
Just replaced the camshaft position sensor, now the truck runs worse, stalled two times, and was bucking picking up speed on highway, don't know what to check next. Going to put the old part back in for now, ran better with the old one. Any advice is greatly appreciated.
Nov 5, 2022 at 10:02 AM
Advertisement
Avatar
AL514
  • CERTIFIED EXPERT
  • 5,465 POSTS
Hello, what engine codes were you getting, do you remember the exact number? It's possible you got a bad part, it has been happening a lot, or it could have been a circuit code and a wiring issue.
Is this the type of cam sensor you replaced? With an adjustable hold down bolt?
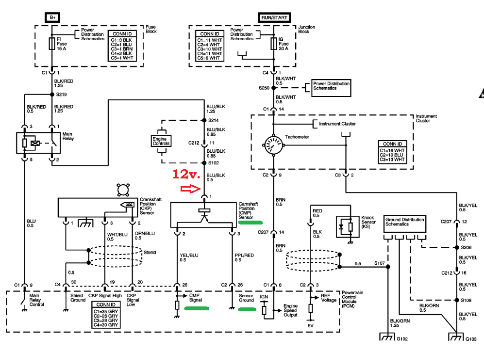
Here is the OEM wiring diagram for the camshaft position sensor. It is a hall effect type sensor, so it will have a 12v feed, a signal wire (going to ECM) and a sensor ground (also going to ECM). Also added is the connector pinout for the sensor. The Ignition timing is adjustable on this model according to service information, but to set base timing a scan tool is needed to turn On Fixed Spark parameter (meaning put the engine into base timing). And then adjust with a timing light to 5 degrees. I'm not sure why they don't have a manual way of setting base timing.

https://www.2carpros.com/articles/camshaft-angle-sensor-replacement
Nov 5, 2022 at 10:41 AM
Avatar
ALC1974
  • MEMBER
  • 15 POSTS
I replaced the sensor that goes into the one pictured above, the plastic one with the electrical connection, was just trying to see if it was the reason for the P0300 code I keep getting, random multiple misfires.
Nov 5, 2022 at 11:15 AM
Advertisement
Avatar
AL514
  • CERTIFIED EXPERT
  • 5,465 POSTS
I see, have you been able to check for spark at each ignition coil? You can do a cylinder balance check by unplugging each fuel injector one by one and listening for a change in engine RPM. If you have easy access to them, you can also do this with the ignition coils by unplugging them one at a time. The cylinder or cylinders not contributing, there will be no change when unplugging the injector or coil. The others that are working okay will have a noticeable drop in RPMs. This will indicate which cylinder is misfiring and needs further looking into. Once you find a cylinder not contributing, you can swap the coil to a different cylinder and see if the problem follows to that cylinder and do the same test. If there is no change, then it can be the spark plug, fuel injector, or a compression issue. This is just a quick test to determine where the problem area is.

https://www.youtube.com/watch?v=jfIG0dk_09s&t=477s

Here's a quick video to show the basic idea:

https://www.2carpros.com/articles/how-to-test-a-fuel-injector
Nov 5, 2022 at 11:29 AM
Avatar
ALC1974
  • MEMBER
  • 15 POSTS
thanks, but I think I might just make an appointment with my mechanic to see if they can put on computer to pinpoint possible issue. I just put the old camshaft position sensor back in for now, since it ran better with that one, I might just see if I can return that part for now get the money back, until I find out what is actually the problem. Thank you for your time.
Nov 5, 2022 at 11:43 AM
Avatar
AL514
  • CERTIFIED EXPERT
  • 5,465 POSTS
Sure no problem..
Nov 5, 2022 at 11:45 AM