Code p0390, Camshaft Position Sensor location and replacement instructions needed?

2019 FORD F-250
97,000 MILES • 6.2L • V8 • 4WD • AUTOMATIC
Avatar
BPOOLE94
  • MEMBER
  • 3 POSTS
I got a code p0390. It is telling me the camshaft po­si­tion sen­sor 'b' cir­cuit (bank 2) is mal­func­tion­ing. My ques­tion is, where exactly is the sensor and what is the proper way to change it out for a new one?
Dec 20, 2023 at 8:33 AM
Advertisement
Avatar
AL514
  • CERTIFIED EXPERT
  • 5,465 POSTS
Hello, this is a gasoline engine, correct? The Bank 2 cam position sensor 1 is on the back of the driver side cylinder head. Just above the valve cover, there should be a 3 wire sensor. I'll post a diagram of its location and wiring colors. You should verify power and ground to the sensor before replacing it, very easy to do. We'll explain that as well.
Dec 20, 2023 at 10:15 AM
Avatar
AL514
  • CERTIFIED EXPERT
  • 5,465 POSTS
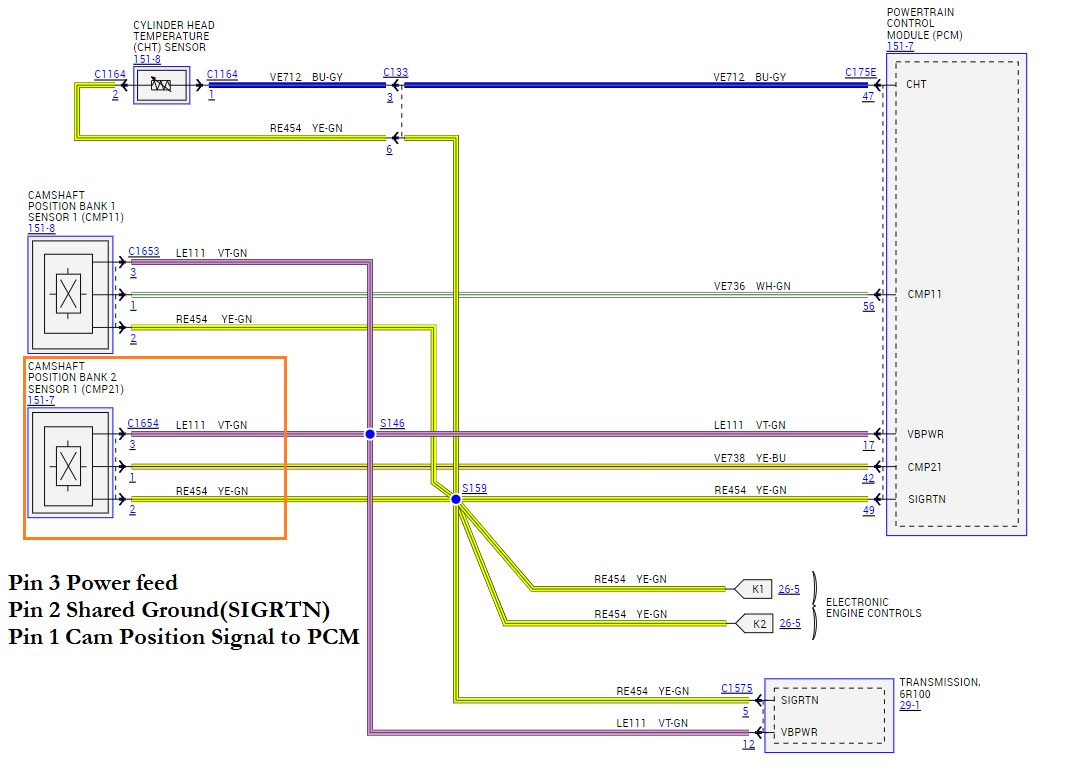
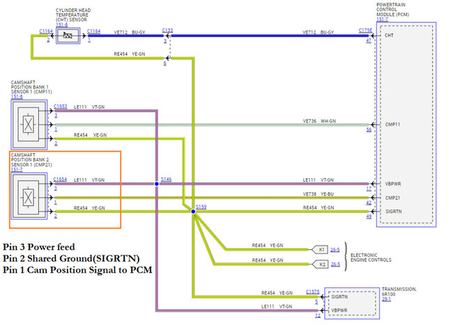
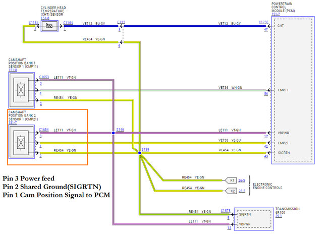
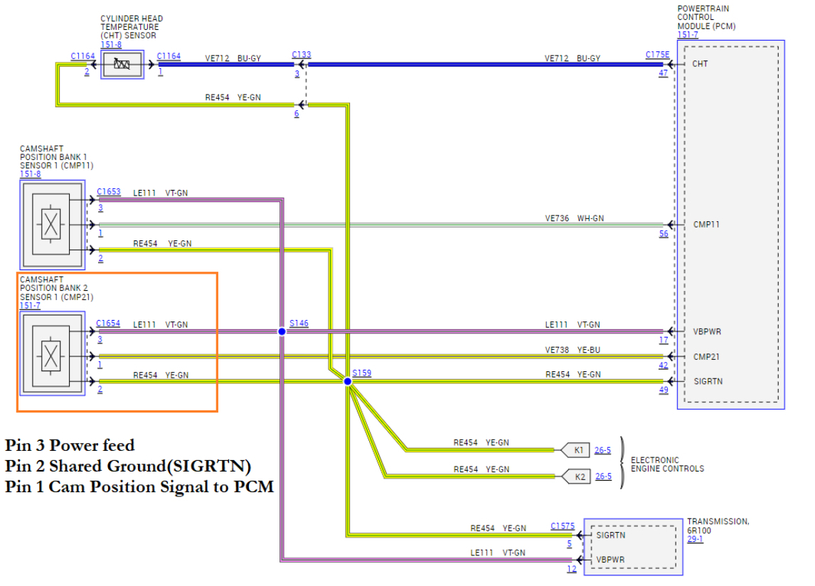
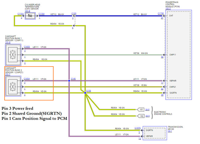
Here's the location of the sensor and the OEM Ford wiring diagram, 3 wire sensors are Hall Effect sensors, so they need a power feed, Ground, and signal wire to the PCM. You should be able to identify the sensor by the wire colors. It's on the back side of the engine on the left (driver side). You can plug it and turn the key On, engine off and using a multimeter check for power across the Violet with a Green stripe wire and the yellow wire with a green stripe. Just lightly touch the connector pins, don't push the meter leads into the connector. You'll spread the pins inside the connector.
Service info does seem to give a spec on the voltage level, but it will be either 5volts or 12volts. Check the connector for any corrosion inside if you live in an area where they use a lot of salt on the roads during winter.
Let us know what you find. There is a flow chart for diagnostics on the sensor I'll post as well.

https://www.2carpros.com/articles/how-to-use-a-voltmeter
Dec 20, 2023 at 10:39 AM
Advertisement
Avatar
AL514
  • CERTIFIED EXPERT
  • 5,465 POSTS
This is the manufacturer flow chart for the code if needed. Make sure you get an OEM sensor from Ford, if you install and aftermarket sensor you 'll end up with issues. It is really important when it comes to sensors to install quality parts. And be sure to erase any codes after the repair.
Diagrams 11, 12 show that the throttle body intake assembly and upper intake manifold may need to be removed on the 6.2L to changed the intake cam sensor. Diagram 12 shows a picture looking from the back of the engine forward with the L stamped on the back of the driver side cylinder head. I would see if you can get to the sensor first, for checking the voltage and ground, and the condition of the connector before removing the top the engine if you can. If the upper intake does need to be removed you will need new gaskets for that and the throttle body, The Ford dealership should know all of this when you go for parts.

I'll post the intake manifold instructions as well.
Dec 20, 2023 at 11:10 AM
Avatar
BPOOLE94
  • MEMBER
  • 3 POSTS
Thank you very much AL514. this is very helpful.
Dec 20, 2023 at 12:07 PM
Avatar
AL514
  • CERTIFIED EXPERT
  • 5,465 POSTS
It looks like a pretty big job just to replace a cam sensor. You'll need to unplug the Fuel Pump control module which is located under the truck on a cross member. It controls the Fuel pump in the tank, but it needs to be unplugged first, then the truck started until it stalls out, then re-crank for about 5 seconds to relieve any fuel pressure in the fuel rail before the intake manifold can be removed (diagrams 1 and 2). Then the battery (or Batteries if you have dual batteries) need to be unhooked (diagrams 3-5).
Next the Alternator (diagrams 6-7).
I'll post the Intake Manifold instructions next if you need them. There are 24 diagrams for removal and installation. Hopefully, you can get to the cam sensor without having to do this all, but I wouldn't be surprised. Seems excessive for one sensor.
But let me know if you need them, I have them already for you.
Dec 20, 2023 at 12:23 PM
Avatar
AL514
  • CERTIFIED EXPERT
  • 5,465 POSTS
Okay, I just asked a Ford technician, and the intake manifold does have to come off to replace the cam sensor. He said there's no way to snake it in there.
And one other thing, if you have to do all this, be careful with any current sensor on the battery, some people don't know how sensitive they are or not knowing what they are. They are usually part of the negative battery terminal, they will look something like this, or some Fords have one that goes around the battery cable to measure current flow, but when you unbolt one of these, undue to battery terminal nut and not that top nut. These are often damaged because people are unaware of it. They have a small circuit board inside and are very important to the charging system. Just wanted to let you know because the service info has you undue both positive and negative cables off the battery, I think.
If you have any other questions just post them here.
Dec 20, 2023 at 1:12 PM
Avatar
AJR2820
  • MEMBER
  • 2 POSTS
You can change the bank 2 sensor without removing the manifold. Just completed this on my 2019 F250 6.2L. Took 20 minutes.
Sep 7, 2024 at 8:28 AM
Avatar
ALLYKAT08
  • MEMBER
  • 1 POST
He described where sensor 1 is located not Bank 2 B Circuit, which is what the OP asked.
Mar 18, 2025 at 12:23 PM
Avatar
STRAILER
  • CERTIFIED EXPERT
  • 53,854 POSTS
Here is the wiring diagrams, is this what you mean? Check out the images (below).
Mar 19, 2025 at 10:21 AM