brake light switch

2000 CADILLAC ESCALADE
130,000 MILES • V8 • 4WD • AUTOMATIC
Avatar
PAPA1382
  • MEMBER
  • 1 POST
Having a horrible time replacing the brake light switch on my 2000 Escalade.
I Read the other post.......still not too clear. Did you have pictures or diagram? I can't get the old one out.
Jul 21, 2010 at 4:59 PM
Advertisement
Avatar
FACTORYJACK
  • CERTIFIED EXPERT
  • 4,159 POSTS
Stop Lamp Switch Replacement Removal Procedure For information on stoplamp circuit diagnosis, refer to Lighting Systems in Body and Chassis; and Electrical Diagnosis. Caution: Unless directed otherwise, the ignition and start switch must be in the OFF or LOCK position, and all electrical loads must be OFF before servicing any electrical component. Disconnect the negative battery cable to prevent an electrical spark should a tool or equipment come in contact with an exposed electrical terminal. Failure to follow these precautions may result in personal injury and/or damage to the vehicle or its components. For Vehicles equipped with OnStar ® (UE1) with Back Up Battery: The Back Up Battery is a redundant power supply to allow limited OnStar ® functionality in the event of a main vehicle battery power disruption to the VCIM (OnStar ®module). Do not disconnect the main vehicle battery or remove the OnStar ® fuse with the ignition key in any position other than OFF. Retained accessory power (RAP) should be allowed to time out or be disabled (simply opening the driver door should disable RAP) before disconnecting power. Disconnecting power to the OnStar ® module in any way while the ignition is On or with RAP activated may cause activation of the OnStar ® Back-Up Battery (BUB) system and will discharge and permanently damage the back-up battery. Once the Back-Up Battery is activated it will stay on until it has completely discharged. The BUB is not rechargeable and once activated the BUB must be replaced. Disconnect the battery negative cable. Disable the SIR. Refer to Disabling the SIR System .


https://www.2carpros.com/forum/automotive_pictures/309872_156233_1.jpg

Remove the pushrod retainer from the brake pedal pin. Use snap ring pliers. Unsnap the stoplamp switch from the pushrod. Disconnect the electrical connector from the stoplamp switch. Installation Procedure


https://www.2carpros.com/forum/automotive_pictures/309872_156233_1.jpg

Connect the electrical connector to the stoplamp switch. Snap the stoplamp switch onto the pushrod. Install a new pushrod retainer on the brake pedal pin. Use an 11 mm (7/16 in) socket in order to push a new clip onto the pin. Connect the negative battery cable. Enable the SIR. Refer to Enabling the SIR System in Supplemental Inflatable Restraints.
Jul 21, 2010 at 10:53 PM
Avatar
DRTIMUSELTON
  • MEMBER
  • 1 POST
I need some DETAILED step by step directions (with pictures if you have em) of how to replace a brake light switch under the steering column. I found other directions that say "remove pushrod retainer from the brake pedal pin (???) and unsnap the stoplamp switch form the pushrod and disconnect the electrical connector from the stoplamp switch" and then replace and do in reverse. This is far too difficult to do if one does not know what all these mentioned parts look like and i cannot find them online to see what they might look like. ANY HELP WOULD BE greatly appreciated as my car will not go out of park and Im hoping this will be my fix!
Apr 16, 2019 at 6:37 PM (Merged)
Advertisement
Avatar
HMAC300
  • CERTIFIED EXPERT
  • 48,601 POSTS
If i remember correctly you can unlock it with a screwdriver from the side on the passenger side of the shifter. sometimes you have to take the console off though. look next to the shifter if it's on the console. If you see a little piece of plastic and it will say park release. it will look like a little bump.pop that up and stick a screwdriver straight down and you should be able to release it from park. otherwise you'll have to take the console apart.
Apr 16, 2019 at 6:37 PM (Merged)
Avatar
GJJ25
  • MEMBER
  • 6 POSTS
Electrical problem
2000 Cadillac Escalade V8 Four Wheel Drive Automatic

how to change a brake light switch on a 2000 esclade.

the switch is located above the brake pedal.
Apr 16, 2019 at 6:37 PM (Merged)
Avatar
BLUELIGHTNIN6
  • CERTIFIED EXPERT
  • 16,542 POSTS
It's behind the steering column. Twist it and it comes out. The stop light extension harness has a little metal bar on it. Push this down and the switch pops right off.



Thanks for using 2CarPros.com!
Apr 16, 2019 at 6:37 PM (Merged)
Avatar
GJJ25
  • MEMBER
  • 6 POSTS
[quote:fc5a9a8deb="bluelightnin6"]Twist it and it comes out. The stop light extension harness has a little metal bar on it. Push this down and the switch pops right off.



Thanks for using 2CarPros.com![/quote:fc5a9a8deb]

the brake switch is locatd above the steering column and up and in behind the dash.. the only way i that i saw in was through the dash.
i was asking if thre was an asier way. i could not find the stop light extension harness

i did look for it
Apr 16, 2019 at 6:37 PM (Merged)
Avatar
BLUELIGHTNIN6
  • CERTIFIED EXPERT
  • 16,542 POSTS
? Stoplight switch is mounted on top of brake pedal
Apr 16, 2019 at 6:37 PM (Merged)
Avatar
GJJ25
  • MEMBER
  • 6 POSTS
[quote:a315cae56d="bluelightnin6"]? Stoplight switch is mounted on top of brake pedal[/quote:a315cae56d]

yes the brake light switch is located at the top of the pedal. close to the inner part of the dash.
Apr 16, 2019 at 6:37 PM (Merged)
Avatar
BLUELIGHTNIN6
  • CERTIFIED EXPERT
  • 16,542 POSTS
Okay, all research I have found looks like you will need to remove the lower underside panel of column in order to gain access to switch.
Apr 16, 2019 at 6:37 PM (Merged)
Avatar
GJJ25
  • MEMBER
  • 6 POSTS
so does this mean i dont have to take the entire dash apart.
Apr 16, 2019 at 6:37 PM (Merged)
Avatar
ALFRED LEE GAMEZ
  • MEMBER
  • 1 POST
I have no brake lights when I step on the brake. I have replaced the tail lights, brake switch up by the brake pedal checked for a blow fuse and still nothing. Any suggestion would be greatly appreciated. Thanks, Al
Apr 16, 2019 at 6:37 PM (Merged)
Avatar
BLUELIGHTNIN6
  • CERTIFIED EXPERT
  • 16,542 POSTS
Not entire dash, no. Should just remove panel that is above brake pedal to gain access. Usually contains 4 - 6 bolts in panel.
Apr 16, 2019 at 6:37 PM (Merged)
Avatar
JOHNNY G.JR
  • CERTIFIED EXPERT
  • 320 POSTS
Have assistant press brake pedal and check for twelve volts at brake light socket.
Apr 16, 2019 at 6:37 PM (Merged)
Avatar
GJJ25
  • MEMBER
  • 6 POSTS
yes i did take that off..but i did not see a way in. but i will look again.. thanks a million man.. i do owe you. this has been a lot of help.
Apr 16, 2019 at 6:37 PM (Merged)
Avatar
CJ MEDEVAC
  • CERTIFIED EXPERT
  • 11,004 POSTS
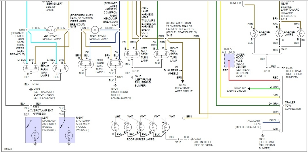
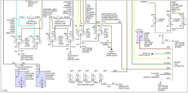
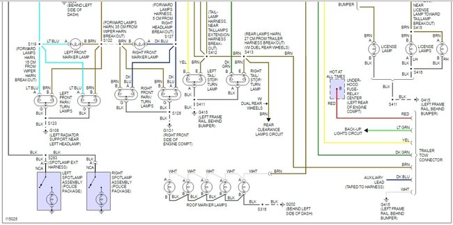
These are easy to trace, locations (such as a relays/ fuses, etc.) are listed beside them.

It might be easier to begin with the lights (bottom diagram) work your way through the system sort of backwards, as starting at the top might lead you around like a maze!

https://www.2carpros.com/articles/how-to-use-a-test-light-circuit-tester

If not, continue to respond, other experts from here sometimes jump in to help out as well.
Apr 16, 2019 at 6:37 PM (Merged)
Avatar
RAYMONTE1
  • MEMBER
  • 1 POST
My brake lights and rear center light went out. It happened before and I wiggled the wires under the brake pedal and they came back on. AutoZone told me the brake switch, but I dont think it is that. The cruise control works, which he told me would not work if it was the switch?
Apr 16, 2019 at 6:37 PM (Merged)
Avatar
JIM454
  • MEMBER
  • 1 POST
The cruise ONLY would fail if brake switch was stuck closed (brake lights on all the time- until they burn out). The far more common failure is a stuck open condition. It is a cheap, all plastic piece of junk; a design that should NEVER have been used, as it serves as a very important safety device! Remember, it also operates the transmission interlock.
Apr 16, 2019 at 6:37 PM (Merged)