I was hoping you could help.
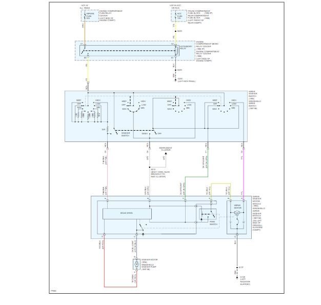
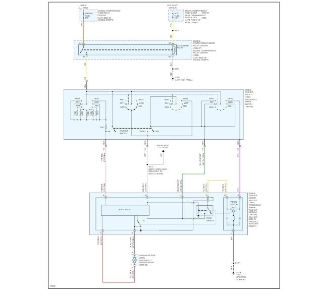
My continuous 'fast' or 'slow' wipe setting works correctly.
My single swipe setting works correctly.
My windshield washer setting works correctly.
If I turn the knob to any of the 'intermittent' settings, the wipers will do a single swipe and then stop swiping the windshield.
I spoke to the parts store person who said that I might have to replace the entire windshield wiper motor. I had thought that it would be similar to a 'turn signal' fuse.
Is the first step to replace that motor?
Thank you very much,
William
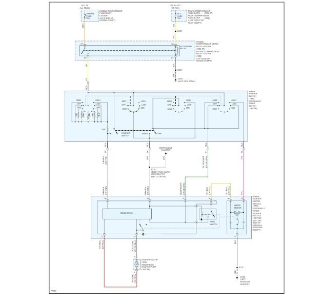
My continuous 'fast' or 'slow' wipe setting works correctly.
My single swipe setting works correctly.
My windshield washer setting works correctly.
If I turn the knob to any of the 'intermittent' settings, the wipers will do a single swipe and then stop swiping the windshield.
I spoke to the parts store person who said that I might have to replace the entire windshield wiper motor. I had thought that it would be similar to a 'turn signal' fuse.
Is the first step to replace that motor?
Thank you very much,
William
Jan 18, 2010 at 4:52 PM













