Crankshaft position sensor?

2002 CADILLAC DEVILLE
76,000 MILES • V8 • 2WD • AUTOMATIC
Avatar
BMDAUSTIN
  • MEMBER
  • 1 POST
Where is it located on my car? Is it something I can easily replace on my own in the driveway?
Dec 24, 2007 at 12:07 AM
Advertisement
Avatar
RASMATAZ
  • CERTIFIED EXPERT
  • 75,992 POSTS
Yes you can do it. You got two of them an A and a B CPS see below


https://www.2carpros.com/forum/automotive_pictures/12900_cps_6.jpg

Dec 24, 2007 at 12:26 AM
Avatar
BUZZSAW
  • CERTIFIED EXPERT
  • 1,198 POSTS
[quote:9d2c2d6d64="bmdaustin"]Computer problem
2002 Cadillac Deville V8 Two Wheel Drive Automatic 76000 miles
----------------------------------------------------------------
Coupla questions:

Where is it located on my car?

Is it something I can easily replace on my own in the driveway?[/quote:9d2c2d6d64]

a crankshaft relearn will need to be preformed after install, replace them both, dealer will have to do this, you need a 1/4 in wratchet 10-12 in 1/4 in extension, and a 10mm wabble socket 1/4 in drive
Dec 28, 2007 at 3:11 PM
Advertisement
Avatar
CASSIE7774
  • MEMBER
  • 2 POSTS
Hi,

My father who is very mechanically equipped replaced the crankshaft sensors in my 2002 Deville this morning and now my vehicle will not turn over. Can you please tell me what exactly could cause this and what to do to fix it? Thanks in advance
Dec 30, 2020 at 11:16 AM (Merged)
Avatar
MADMIKE1735
  • CERTIFIED EXPERT
  • 951 POSTS
it wont crank over, or it cranks but doesnt start??? if it cranks but doesnt start, that sounds like a crank sensor issue... if it wont crank at all, assuming thats the crank sensor was the only part replaced, the battery may be dead... have you tried jump starting it?
Dec 30, 2020 at 11:16 AM (Merged)
Avatar
CASSIE7774
  • MEMBER
  • 2 POSTS
Thanks for your response, we figured out it was faulty parts. We figured this out by putting the old ones in and it started right up. Thanks again.
Dec 30, 2020 at 11:16 AM (Merged)
Avatar
NICKJONES
  • MEMBER
  • 1 POST
I looking to replace the crankshaft sensors on my cadillac and I'm looking for a little guidance/instruction on how to proceed. Pictures would also be helpful. Thanks.
Dec 30, 2020 at 11:16 AM (Merged)
Avatar
IMPALASS
  • CERTIFIED EXPERT
  • 3,112 POSTS
Hello -- I have provided the info your requested. REMOVAL PROCEDURE CAUTION: Refer to Vehicle Lifting Caution In Service Precautions. Raise and support the vehicle. Remove the crankshaft sensor electrical connector. Remove the crankshaft retaining bolt. Remove the crankshaft sensor. INSTALLATION PROCEDURE IMPORTANT: Inspect the crankshaft sensor O-ring for wear or damage. If a problem is found, replace the O-ring. Lubricate the crankshaft sensor O-ring with clean engine oil. NOTE: Refer to Fastener Notice in Service Precautions. IMPORTANT: Be sure to fully seat the CKP sensor into the engine block. Failure to fully seat the CKP sensor may cause a CKP sensor DTC to set. Install the crankshaft sensor and the retaining bolt. Tighten Tighten the retaining bolt between 8-11 N.m (70-100 lb in) . Install the crankshaft sensor electrical connector. CAUTION: Refer to Vehicle Lifting Caution in Service Precautions. Lower the vehicle. Operate the engine and inspect crankshaft sensor for engine oil leaks. Perform the CKP System Variation Learn Procedure. See: Testing and Inspection\Programming and Relearning


https://www.2carpros.com/forum/automotive_pictures/248015_84930635_1.jpg

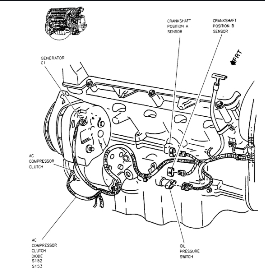
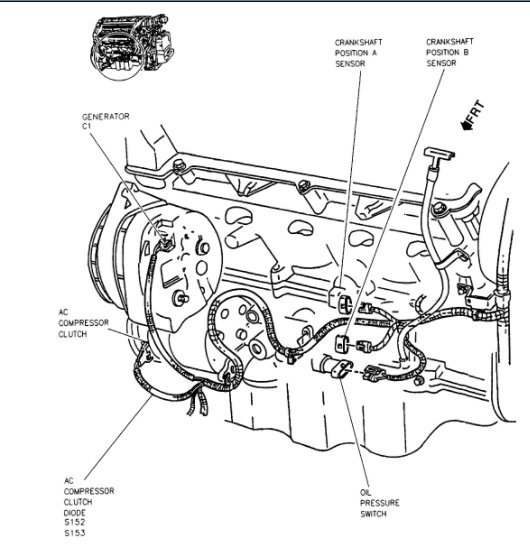
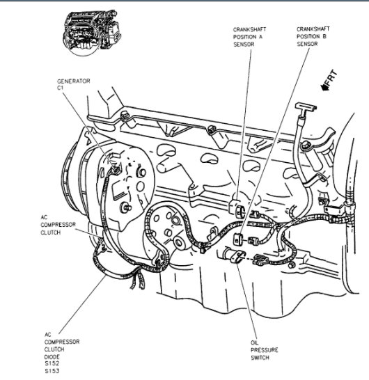
Crankshaft Position (CKP) Sensor A Center front of the engine, near the base of the engine oil level switch Crankshaft Position (CKP) Sensor B Center front of the engine, near the base of the engine oil level switch
Dec 30, 2020 at 11:16 AM (Merged)
Avatar
ACALDWELL
  • MEMBER
  • 1 POST
I have a PO335 error code. where is the upper crankshaft position sensor located? How hard iis to replace?
Dec 30, 2020 at 11:17 AM (Merged)
Avatar
GEE-MAN
  • MEMBER
  • 1 POST
I have a 2003 Deville. Both sensors (upper and lower) are above and to the front of the oil filter. They are located behind the front engine support. I replaced mine today and thank God I have small hands. It took about 2 hours to remove them. You also have to remove the plastic pan under the front of the car. Installing new sensors ($40 each) went much quicker and no more stalling after driving the car about 1/2 hour. Last night I took the family to a restaurant across town and it stalled twice on the way there. I read on another post that Cadillac dealers charge $300 to replace them. Also, you do not have to drain the oil. The connectors were a pain, until I figured out how to remove them. Be very careful not to break them.
Dec 30, 2020 at 11:17 AM (Merged)
Avatar
BUZZSAW
  • CERTIFIED EXPERT
  • 1,198 POSTS
[quote:7d4d32fd36="gee-man"]I have a 2003 Deville. Both sensors (upper and lower) are above and to the front of the oil filter. They are located behind the front engine support. I replaced mine today and thank God I have small hands. It took about 2 hours to remove them. You also have to remove the plastic pan under the front of the car. Installing new sensors ($40 each) went much quicker and no more stalling after driving the car about 1/2 hour. Last night I took the family to a restaurant across town and it stalled twice on the way there. I read on another post that Cadillac dealers charge $300 to replace them. Also, you do not have to drain the oil. The connectors were a pain, until I figured out how to remove them. Be very careful not to break them.[/quote:7d4d32fd36]

you still have to go to the dealer to do a crank shaft position relearn, codes will still appear,
Dec 30, 2020 at 11:17 AM (Merged)
Avatar
IPH1001
  • MEMBER
  • 1 POST
How exactly did you manage to get the crank sensors off. I found a diagram of where thye are but I cant quite see them from under the car. Did you remove the front motor mount or just squeeze your hand in there. And once I do find them, How do I unclip them? Thanks for any help, Ian
Dec 30, 2020 at 11:17 AM (Merged)
Avatar
ISIAMERICA
  • MEMBER
  • 1 POST
where is crankshaft position sensor located
Dec 30, 2020 at 11:17 AM (Merged)
Avatar
RASMATAZ
  • CERTIFIED EXPERT
  • 75,992 POSTS
Crankshaft Position Sensor Check out the diagrams (Below). Please let us know if you need anything else to get the problem fixed. Locations View


https://www.2carpros.com/forum/automotive_pictures/12900_cpc_1.jpg

Dec 30, 2020 at 11:17 AM (Merged)
Avatar
TAVITO
  • MEMBER
  • 6 POSTS
how can get access to the crank shaft sensor in a 1997 cadillac deville. I already tried but is to hard to access to it. can you please tell me the easy way?
Dec 30, 2020 at 11:17 AM (Merged)
Avatar
FACTORYJACK
  • CERTIFIED EXPERT
  • 4,159 POSTS
There is no real easy way, and there are two sensors. The best way would be to remove the engine mount and bracket, but that in itself is not easy. What is the concern you are addressing?, as these crank sensors are not a common fault.
Dec 30, 2020 at 11:17 AM (Merged)
Avatar
TAVITO
  • MEMBER
  • 6 POSTS
1997 Cadillac Deville replace crank shaft sensor

how can get access to the crank shaft sensor in a 1997 cadillac deville. I already tried but is to hard to access to it.there ere no space enough to remove the sensor from the bottom of the car, and for the front is worse, do I have to remove any other part?I already remove the oil filter(bottom) but a car braket support is in my way. can you please tell me the easy way? or do you have any video.
Dec 30, 2020 at 11:17 AM (Merged)
Avatar
ERNEST CLARK
  • CERTIFIED EXPERT
  • 1,730 POSTS
Usually you could get to it with the right tools without removing anything. A universal joint and extension should be able to get to it. If not, just remove any components that are in the way. Also, handle the new sensor with care and make sure to clean out any sludge in the hole as well as the contacts/connector.
Dec 30, 2020 at 11:17 AM (Merged)
Avatar
MBANKH
  • MEMBER
  • 2 POSTS
Computer problem
1996 Cadillac Deville V8 Front Wheel Drive Automatic

Hello. I have ran into a very strange problem that I have never seen before. I have a 96 deville I am working on that is a no spark situation with no codes present and no cranking rpm on scantool. If I unplug either crankshaft sensor the car will have a long crank but will start and run. Both crank sensors are 1140 ohms. Wiring to them from module is good and not shorted. Cam sensor is also in spects. I have looked in the crank sensor holes with a mirror and reluctor looks to be ok. The module has been changed with a known good one. All six wires from pcm to module also are good No shorts to ground or voltage. Pcm is also substitured with a known good one I have the most recent update flashed to it. I did ac voltage checks at the module plug with car idling on each open sensor. Crankshaft sensor a reads 5.1 volts when car is running and sensor b around 7 using a fluke 87 meter. I had two more cranks sensors on hand and tried them. same results. seems like a crank sensor sync problem of some kind. I have disconnect cam sensor with both cranksensors plugged in and no cranking rpm or spark. Has anyone ran into this? seems very odd. almost like the reluctor is a problem but I don't see how when it will start with either crank sensor just not both. Hope someone can give me a direction.
Dec 30, 2020 at 11:18 AM (Merged)
Avatar
FACTORYJACK
  • CERTIFIED EXPERT
  • 4,159 POSTS
Thats a good one, haven't seen anything like it to this date. If you can, pull the cam sensor and see if the pin came out of the sprocket. It seems that it would still start, it just may be extended crank due to loss of #1 sync pulse. I had that happen in the past, can't remember the vehicle it was on. What is the history on the vehicle, did this all of a sudden occur, or has someone been in it before you. Is it capable of setting codes, does it set codes when you disconnect sensors. Are the crank sensor connectors reversed perhaps? I can't figure what disconnecting one crank sensor would change, since they are signal generators, unless it is defaulting. Is the ground strap to the module base present? These are just some ideas.
Dec 30, 2020 at 11:18 AM (Merged)
Avatar
MBANKH
  • MEMBER
  • 2 POSTS
Thanks for the reply. Yes it does generate a code for missing crank sensor 1 or 2 can't remember the code at the moment and displays service ignition system in message center. if I clear the codes they do not reappear until I create them. The history is that everyone has had their hands in it. Thats why I hung another pcm on it and flashed it. ground strap is present. power and ground to the plug good. No voltage drops. I had a 94 northstar in yesterday that was running so I wanted to see if I disconnected the 6 wire connector to the module if it would still have spark in base mode and that car did. This one don't. Can the reluctor become magnized and create havok? I don't know. Im usually pretty good at this stuff but this one seems to lead back to the reluctor. I would love to solve this. I don't like losing. Not to mention what if another comes in with the same problem. Thanks again for the reply. They were all very good ideas.
Dec 30, 2020 at 11:18 AM (Merged)
Avatar
DANNY L
  • CERTIFIED EXPERT
  • 5,648 POSTS
Hello, I'm Danny.

Here is the information you requested. You have 2 crankshaft position sensors on your vehicle sensor 'A' and sensor 'B'. Here are a few tutorials for you to view on how to change a crankshaft position sensor and related symptoms:

https://www.2carpros.com/articles/crankshaft-angle-sensor-replacement

https://www.2carpros.com/articles/symptoms-of-a-bad-crankshaft-sensor

I've attached a few picture steps below on how to replace a crankshaft position sensor including their locations on your car. Hope this helps and thanks for using 2CarPros.
Jun 14, 2021 at 10:49 PM