Trunk & Fuel Door Release

1997 CADILLAC DEVILLE
155,348 MILES • V8 • FWD • AUTOMATIC
Avatar
CADDYRANCH
  • MEMBER
  • 2 POSTS
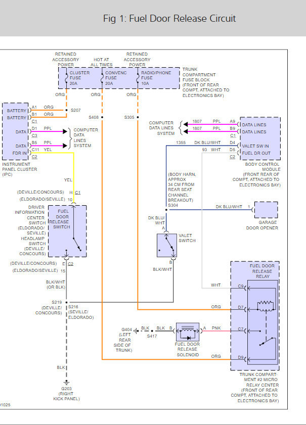
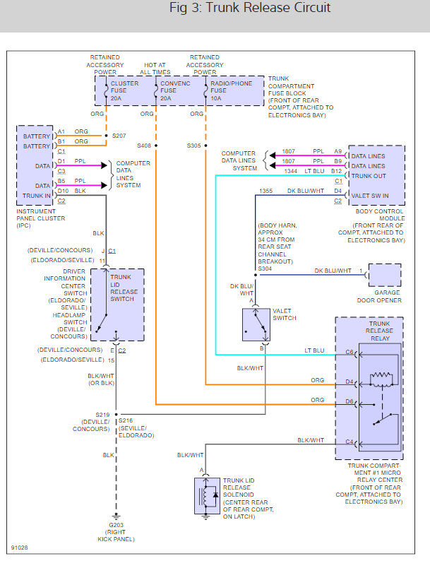
Trunk & Fuel Door will not release, when I push the dash release buttons . I checked for power at fuel door release solenoid,while button was being pressed,test light did not light.Checked fuses, and they were good,however cannot find relay for fuel door and trunk release solenoids.
Feb 26, 2009 at 5:27 PM
Advertisement
Avatar
FACTORYJACK
  • CERTIFIED EXPERT
  • 4,159 POSTS
To keep it simple at first, is the valet switch that is inside the glove compartment on?

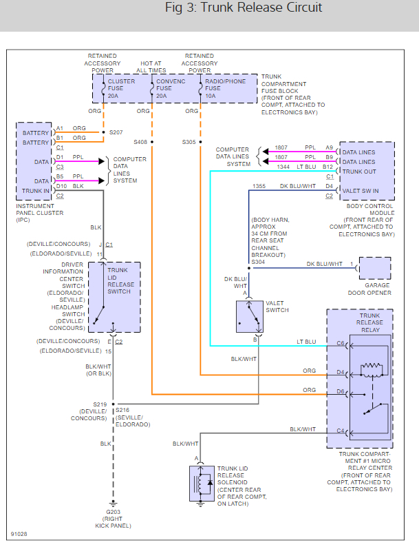
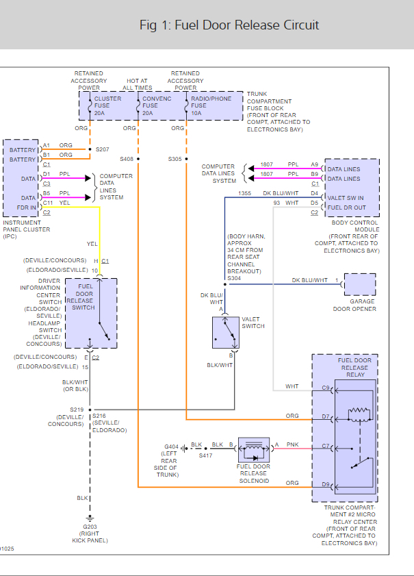
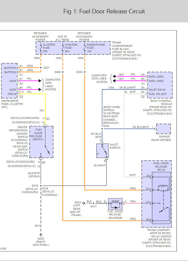
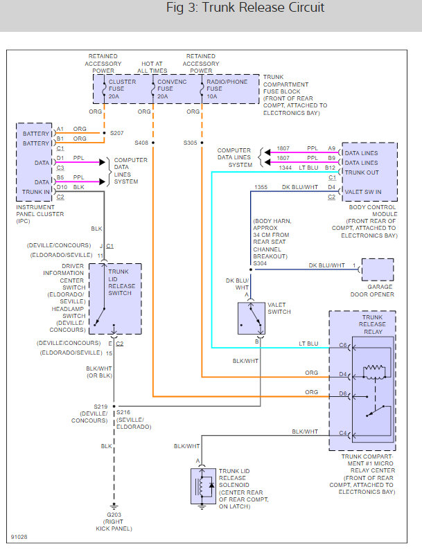
The convenience fuse need to be checked as well. Here are the wiring diagrams so you can see how the systems work. See where you are losing power

https://www.2carpros.com/articles/how-to-use-a-test-light-circuit-tester

Check out the diagrams (Below). Please run this test and get back to us.

Cheers
Feb 26, 2009 at 9:40 PM
Avatar
CADDYRANCH
  • MEMBER
  • 2 POSTS
gstacey,

Thank you. I did not have any idea,what the valet button was for. It solved the problem. THANK YOU VERY MUCH.

Caddyranch.
Feb 26, 2009 at 10:15 PM
Advertisement
Avatar
  • MEMBER
  • 3 POSTS
thank you very much.
Jul 28, 2022 at 7:47 AM