☰
Login
Join
×
Home
Answered Questions
Repair Topics
Repair & Service Guides
Popular Questions
Warning Lights
Trouble Codes
How It Works
Testing / Diagnostics
Symptoms
Videos
Login
Become a Member
Home
Cadillac
Deville
Electrical
BCM
Location
1997 Cadillac Deville
1997 CADILLAC DEVILLE
N3DANANSWER
MEMBER
1 POST
FOLLOW
Electrical problem
1997 Cadillac Deville
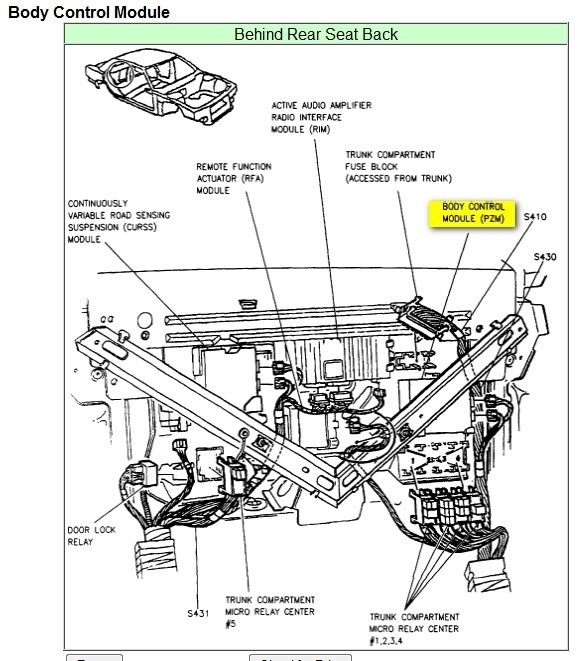
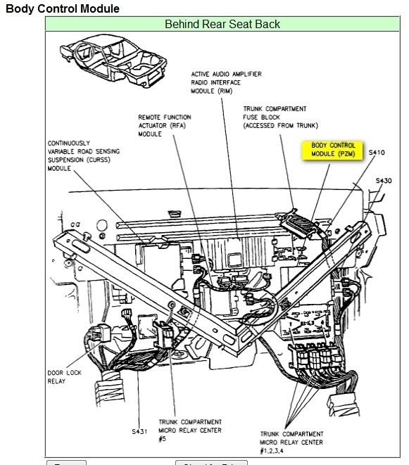
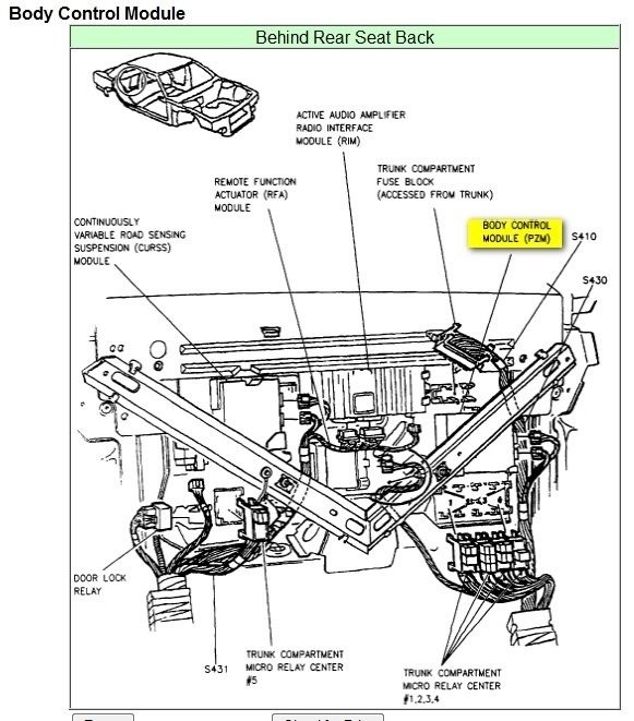
where is the body control module located
Sep 13, 2010 at 8:40 PM
Advertisement
WRENCHTECH
CERTIFIED EXPERT
20,761 POSTS
It's located behind the rear seat back.
Image (Click to enlarge)
Sep 13, 2010 at 8:50 PM