Brand new alternator, battery light stays on

1986 CADILLAC DEVILLE
Avatar
KRAZY4KARZ
  • MEMBER
  • 1 POST
The charge battery light stays on after car has been started.
Jul 27, 2009 at 1:19 AM
Advertisement
Avatar
SQM
  • CERTIFIED EXPERT
  • 6,383 POSTS
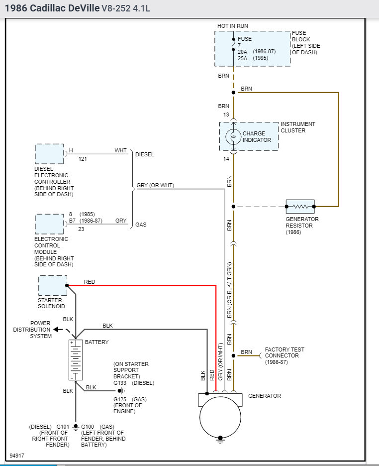
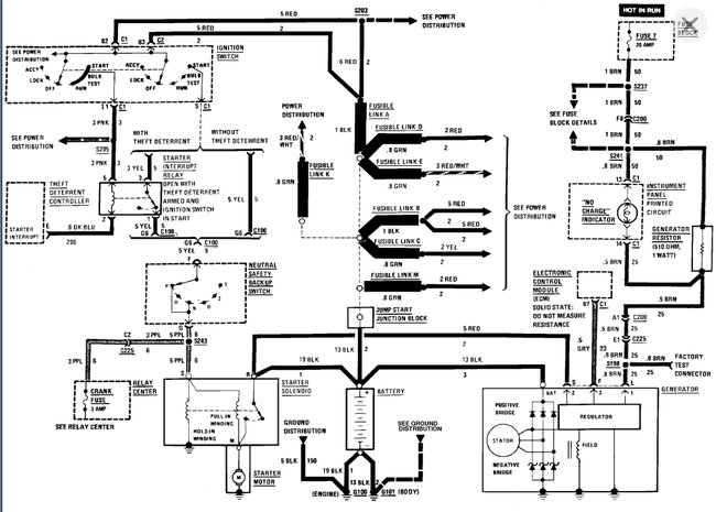
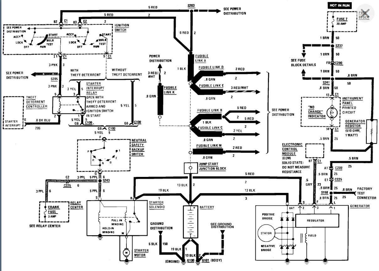
Hello,

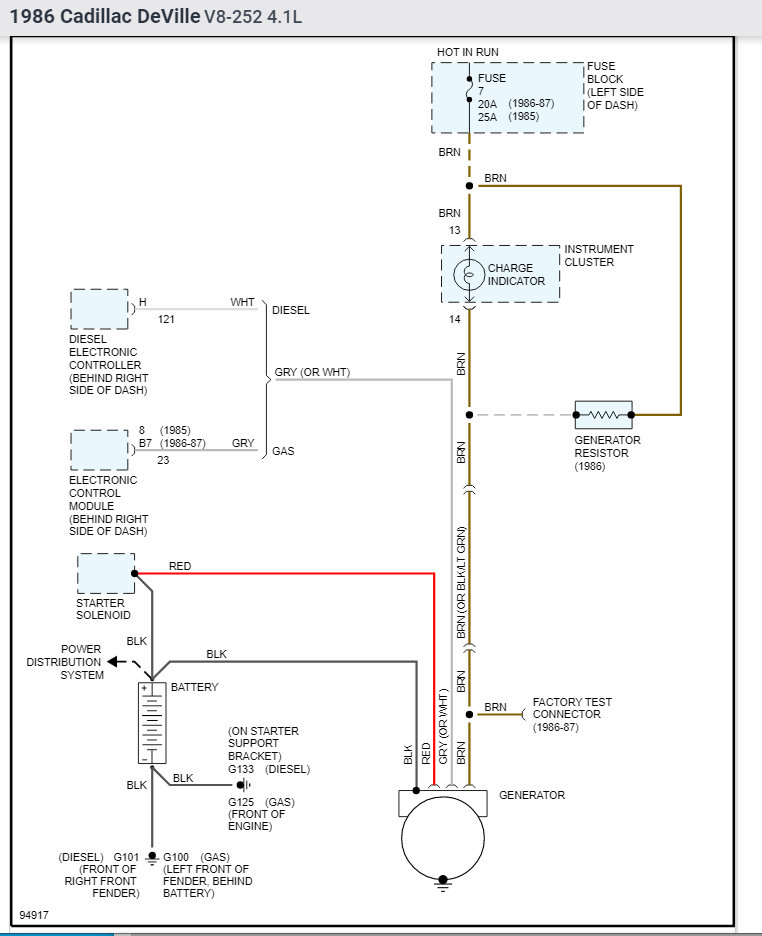
This could be a wiring issue or a blown fuse.
Check the fuse number 7 in the fuse box that is located on the left side of the dash.

https://www.2carpros.com/articles/how-to-check-a-car-fuse

If the fuse is good, then it is likely a wiring issue.
I have attached the troubleshooting guide and the wiring schematics below.

Please let me know of any questions.
Thank you.
Nov 18, 2021 at 9:50 AM