got in the car last night and the lights would not dim out. nothing in manual says anything about it, disconnected battery all night and still lights came back on. Took the relay out for now to keep battery from running down. What is it trying to tell me?
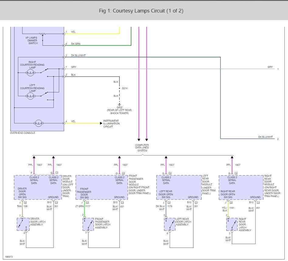
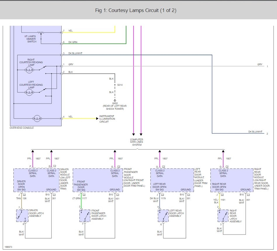
The slide dimmer controls the dash board lights is good. My question is about the interior /courtesy lights on the doors and map lights.
The slide dimmer controls the dash board lights is good. My question is about the interior /courtesy lights on the doors and map lights.
Jan 17, 2010 at 2:32 PM




