Welcome to 2CarPros.
This vehicle has one. It is part of the exhaust manifold. Here are three links that discuss symptoms, how to test one, and how in general one is replaced:
https://www.2carpros.com/articles/bad-catalytic-converter-symptoms
https://www.2carpros.com/articles/how-to-test-a-catalytic-converter
https://www.2carpros.com/articles/catalytic-converter-replacement
_____________________________________
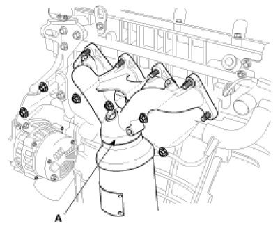
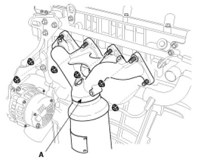
Here are the directions specific to your vehicle. I attached three pics to help you locate and identify the components.
____________________________________
Removal
1. Remove the engine cover.
2. Disconnect the front oxygen sensor connector.
3. Remove the front muffler.
Tightening torque
39.8 - 58.8Nm (4.0 - 6.0kgf.m, 28.9 - 43.4lb-ft)
4. Remove the heat protector.
5. Remove the exhaust manifold and catalytic converter assembly(A).
_________________________
Let me know if this helps or if you have other questions.
Take care,
Joe
Images (Click to enlarge)
Mar 24, 2019 at 4:30 PM