Cable found under the passenger front seat?

2005 FORD EXPEDITION
200,000 MILES • 5.4L • V8 • 4WD • AUTOMATIC
Avatar
OREO101
  • MEMBER
  • 103 POSTS
Hi,

Thanks for all your wise guidance with this SUV.
I am going to sell.
My latest question is can you help me determine what this cable is?
I see it has a yellow connector in middle for airbags, but I don't see where the connector at end connects to.
I looked under the seat and cannot find.
Here are some pics.

Thanks again!
Feb 26, 2023 at 11:28 AM
Advertisement
Avatar
OREO101
  • MEMBER
  • 103 POSTS
2 more pics.
Feb 26, 2023 at 11:30 AM
Avatar
BRENDON S
  • CERTIFIED EXPERT
  • 653 POSTS
Hello OREO101,

Do you mind sending me your entire 17-digit VIN? I want to see what options came with this specific model originally.

My thoughts are someone replaced a power seat with a manual one or maybe the seat had a pressure sensor to detect if someone was sitting in the seat to turn the passenger side air bag on or off.

Just a thought since it has the airbag wire included in the harness.

Also is this the passenger or driver side seat?

Once I get the VIN from you, I can look up some wiring diagrams and see if we can determine what that harness is for.

Sometimes power seats are changed out for less expensive manual seats to save money. Then they sell the car and let it be someone else's issue. Not saying that's what is going on exactly but once I get the VIN I will know more and be able to help better.

Thank you,
Brendon
Feb 26, 2023 at 3:19 PM
Advertisement
Avatar
OREO101
  • MEMBER
  • 103 POSTS
Here is VIN: 1FMFU18575LA86932
Passenger side.
Also, this is another issue, but the metal under seat structure is rusted along with the underside of car body. Including rusted out rocker panels.
But that is another matter.
Feb 26, 2023 at 5:52 PM
Avatar
BRENDON S
  • CERTIFIED EXPERT
  • 653 POSTS
Hello,

Is the passenger seat fully manual? What I mean is it has no switches, no heat or nothing spectacular?

Also is there an airbag light on?

Thank you,
Brendon
Feb 26, 2023 at 6:32 PM
Avatar
BRENDON S
  • CERTIFIED EXPERT
  • 653 POSTS
Hello,

I found some interesting information. Apparently, these seats have a climate control module underneath them. Coincidently, there is one ground on the bottom of the b-pillar and the rest as well as a junction are behind the kick panel at the bottom of the a-pillar.

If it's rusted in those areas, then my thought is a previous owner had issues with the seat and removed the module.

There are also a few Technical Service Bulletins (TSB) for this exact system. It refers to system failure and replacement of this module. I assume it was very expensive or not available.

I hope this helps.

Thank you,
Brendon
Feb 27, 2023 at 3:18 PM
Avatar
OREO101
  • MEMBER
  • 103 POSTS
Hi, yes passenger seat all manual.
Air bag light is on.
The air bag light on dash flashes 4 times
Then 2 flashes for 42
Which looks like the front air bag sensor
below radiator, is bad or corroded connectors.
Here is a question. If the air bag connector on the cable from under seat is not connected.
Would that affect air bag deployment for passenger side and/or dash light?
Mar 1, 2023 at 1:46 PM
Avatar
BRENDON S
  • CERTIFIED EXPERT
  • 653 POSTS
Good morning, OREO101,

Yes, it will. If any component in the Air Bag System has a fault it will actually disable the entire system until all faults are cleared.

If you have a faulty front impact sensor and replace it, the system will still not work because from what I can tell the seat was supposed to have an occupant sensor in it.

You would have to fix any issues and clear any codes before the system will be active.

**Also, a word of caution, when working on Air Bag Systems always disconnect the battery and even a discharge of static electricity can set off an air bag.**

If I can help in any other way, please let me know.

Thank you,
Brendon
Mar 2, 2023 at 4:55 AM
Avatar
OREO101
  • MEMBER
  • 103 POSTS
Hi, what do you think of this?
I run a wire from air bag connector
ground if it is has 1, to ground.
I will check schematic.
And run a wire from air bag connector to a 12v Wire?
Mar 4, 2023 at 2:45 PM
Avatar
BRENDON S
  • CERTIFIED EXPERT
  • 653 POSTS
Hello OREO101,

To be honest with you I think that's a bad idea. If you induce a 12v source into that system, you may deploy the airbags.

My advice to you is to go get all the codes read from maybe AutoZone or a Technician with the proper scan tool to access that system.

Then we can decode them and maybe fix the system depending on how bad it is. There could be more than one thing going on and there usually is.

This problem is that the Air Bag System is not seeing a complete loop so the diagnostic module, usually under the center console, disables the system.

You might be able to find a seat. For used parts I used Car-Part.

https://www.car-part.com/

It lists used parts all over the entire country. You might be able to get a seat for a good price.

I would start by retrieving the codes before buying anything though because if there are multiple codes the seat at that point might be just a waste of money.

I would also check your state's regulations on private sales of vehicles to see if it would be an issue if you were to sell it with the airbag system issue as long as you make the buyer aware of the problem and sell it as is.

Again, I do not advise inducing voltage to this system or connecting it to ground.

Hope this helps.

Thank you,
Brendon
Mar 5, 2023 at 6:03 AM
Avatar
OREO101
  • MEMBER
  • 103 POSTS
Okay. I do know that car will pass inspection okay
With airbag dash light on.
I will check if I can sell legally with light on.
Here are codes for air bag I got from OBDII
Scanner see image.
Mar 7, 2023 at 5:47 PM
Avatar
BRENDON S
  • CERTIFIED EXPERT
  • 653 POSTS
Good morning, Oreo101,

I would visually inspect the front impact sensor located in the front center of the vehicle as well as its harness. If you don't see anything obvious, then disconnect the battery and allow sometime for the capacitators to lose voltage. Then remove the sensor from the vehicle and unplug it. Using a multi meter on the sensor only checks for resistance shown by the omega symbol. See if it reads OL which would indicate high resistance and could cause the low voltage code as well. The system will set the low voltage code if it senses less than 8 volts.

This is essentially a switch and switches should have little to no resistance. So, if you do, I would replace the sensor. Reconnect the battery and turn the key to the on engine off position and let the module run its self-test and see if the codes return.

Do not check for resistance or continuity on the vehicle harness side as you may deploy the air bags.

I am adding a picture of what it looks like. I found one on Rock Auto but it's over $100.00.

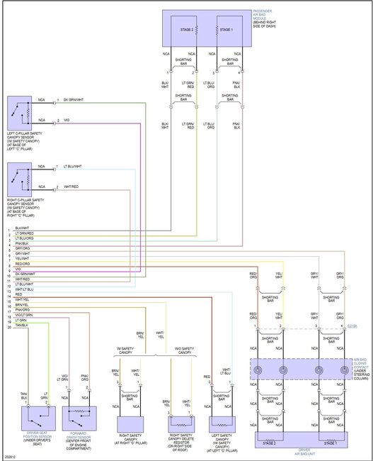
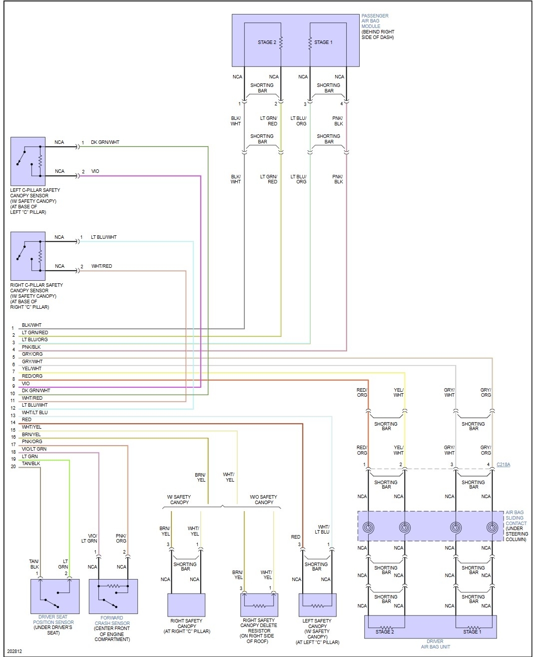
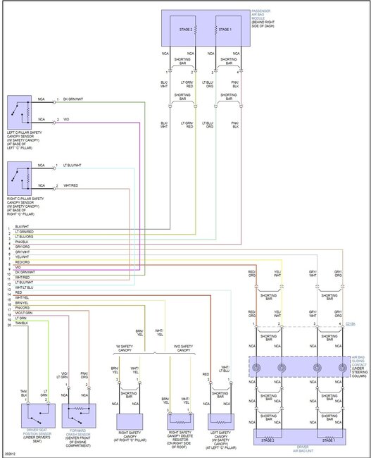
I have also added wiring diagrams for the Air Bag System to aid in diagnostics, but it also will tell you where the components are located.

I think that air bag wire on the floor you sent a picture of is for the passenger side buckle. If you follow the wire, does it look like it goes to it?

Anything that is tested in the system must be isolated from the rest of the system to prevent air bag deployment even if the battery is disconnected.

Let me know how you make out and we can go from there.

Thank you,
Brendon
Mar 8, 2023 at 8:27 AM