Codes C0450, C0561, C0040, no Traction Control and ABS light on?

2011 CHEVROLET CORVETTE
101,000 MILES • 6.2L • V8 • 2WD • AUTOMATIC
Avatar
JOHNKUEHNE
  • MEMBER
  • 27 POSTS
C6 Corvette. I would get loss of traction control periodically and engine restart would reset and allow traction control to work. The problem got worse and then ABS trouble light and check engine light would both come on. OBD2 codes: C0450, C0561, C0040. Replaced all (4) wheel hub assemblies with built in wheel speed sensor - issue improved slightly. Traction control worked again somewhat but began to require engine restart to reset and now both check engine and ABS light on all the time and no traction control (message on dash always notes get vehicle serviced at start up). I get code for ABS controller. I expect it needs to be replaced, but Question#1: Is there a way to validate with testing (Have OBD2 and HP Tuners, but neither seems to have a way to check each wheel speed sensor or ABS controller - should I get a bi-directional scanner, if so which one?). Question#2: Since I still see code for ABS controller and replaced all wheel speed sensors and have "vehicle serviced" message when car starts up should I replace the ABS Controller? New is $800 - for AC Delco GM Original Equipment 25994201 Electronic Brake Control Module, used/untested 76K is $300, or should I try to get mine rebuilt?
Dec 20, 2024 at 10:10 AM
Advertisement
Avatar
STEVE W.
  • CERTIFIED EXPERT
  • 15,113 POSTS
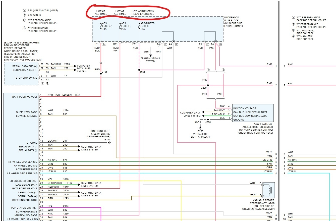
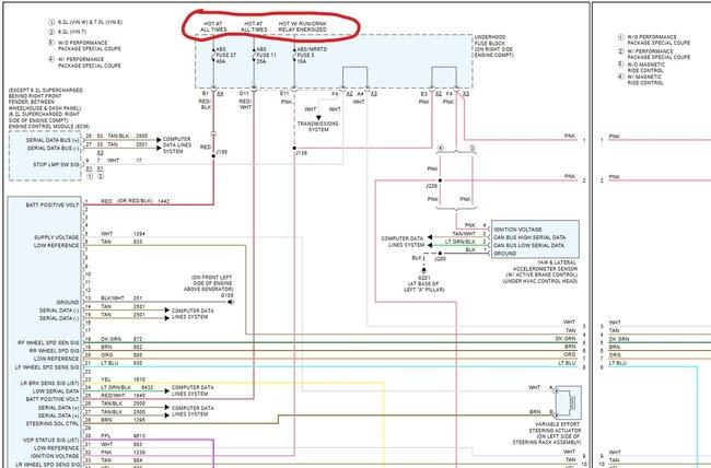
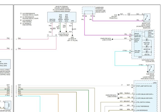
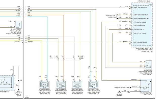
Okay, the codes you have point at a fault in the circuitry for the ABS system. The C0561 is basically saying the there is a fault, and the ABS is disabled and codes are stored. The C0040-00 and C0040-05 codes both say there is a fault in the circuitry in the right from wheel speed sensor. The C0450 code is related to the power steering assist controller. It gets data from the ABS module so that code may be a side effect of the ABS being disabled. The circuit code points more to a bad connection in the harness than a bad sensor. Does your OBD tool allow you to look at live data from the wheel speed sensors? If yes, then you could watch that and see if there is no data or if the data drops out while turning or if you flex the harness. GM had issues with the right side harness on many vehicles around that time period so it's possible you are a victim of that. If your scan tool doesn't show you live data then you might want to upgrade to something better like one of the Autel Maxisys or Launch tools like the CRP 910 or Millennium models. Topdon Artidiag tools are also really good. All of them have various levels of abilities and control and cover multiple makes and models.
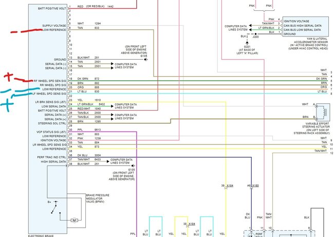
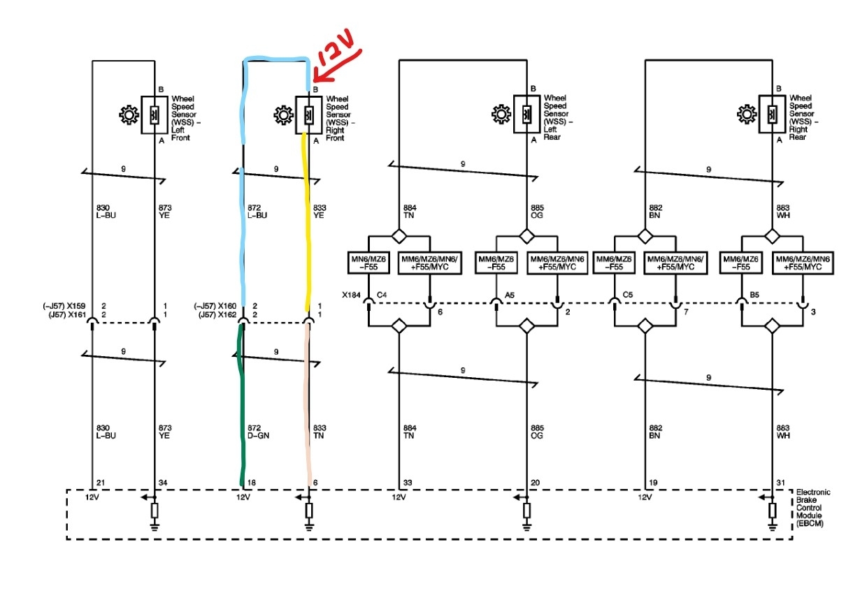
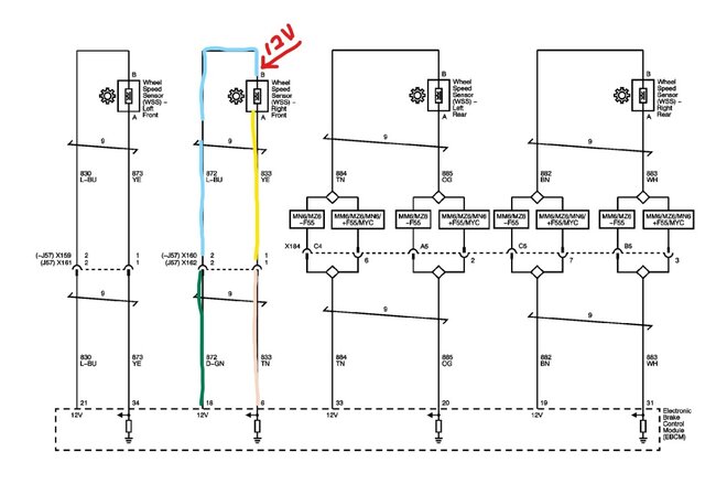
Now if you see that the right front signal is gone you will need to test the circuit Fortunately GM made this a bit easier as those are active sensors. There is a reference voltage feed to the sensor and the sensor acts like a switch turning the signal on and off as the magnetic ring passes the hall effect in the sensor. If you unplug the sensor one wire should have 12 volts on it with the key on. If you have that then suspect the other wire is broken going to the ABS module. Repair that and then erase the codes. Take it for a drive and see if any of the codes return.
Dec 20, 2024 at 12:25 PM
Avatar
JOHNKUEHNE
  • MEMBER
  • 27 POSTS
Tested for 12 VDC at front right and front left ABS connector wires (harness side) that feed into the wheel speed sensor with the vehicle Running and ON. Neither of the two contacts on either harness had any significant reading for voltage. The most voltage I saw was a periodic 1.2VDC on the Left Front wire that feeds the wheel speed sensor. I also looked at the harness leading back from the front wheel speed sensors and did not see any issues with damage, or routing issues with the wire harness.
I do not have an OBD2 reader that will allow me to see wheel speed sensors or ABS control module. I appreciate the general recommendation for a bi-directional scanner, but it is difficult to know which cover the functionality I will need. If I need to buy a bi-directional scanner, perhaps you can recommend a specific1-3 models $500 to $1,200. My vehicles are Nissan's, Dodge, Ford and Chevy 2004-2011.
I did rest all check-engine codes and drove the vehicle and have fresh OBD2 codes:P0300, C0040 and C0561. In addition the following are dash messages: SERVICE ACTIVE HANDLING SYSTEM, SERVICE ANTILOCK BRAKES, SERVICE TRACTION CONTROL. And the check engine light first came on flashing while idling at a light, then went back off, but came on and stayed illuminated.
What is the next step in troubleshooting?
Dec 23, 2024 at 5:20 AM
Advertisement
Avatar
STEVE W.
  • CERTIFIED EXPERT
  • 15,113 POSTS
Okay, the flashing light was due to the P0300 which is a random misfire of multiple cylinders code. Not the code causing the ABS issue but not a good code. Any of the models I listed would cover all those makes with full testing of all modules and bi-directional control of most of the systems. It comes down to what you want to be able to do. The higher-level tools simply add more functions and a bigger screen. Something like this tool has far more ability than most people will use, but it does a lot as well.

https://www.aeswave.com/Autel-MaxiSYS-MS906s-with-2-yrs-Updates-and-Warranty-p10509.html.
Dec 23, 2024 at 7:31 AM
Avatar
JOHNKUEHNE
  • MEMBER
  • 27 POSTS
The Autel MS906S appears to have much capability and is a good recommendation so I can proceed with troubleshooting for wheel speed sensors now and more functionality in the future, but Autel MS906S is discontinued and comes with OBD1 adapters for cars in the 90's I don't own or plan to work on. I am considering any future additional needs and your additional guidance/insight. The step up with Autels is MS906Pro ($1,075). I am also considering potential needs for future projects: 1) 2011 C6 P300 troubleshooting 2) My son's 2007 C6 that had minor fire on the underside with exhaust and vapor return fuel lines which will need to be replaced, new used fuel tanks (due to interconnections), transmission wire harness (have these items from a 2013 C6, but may need additional items/sensors. 3) Have new built LS2 cammed, that will mate with T56 Magnum new subframe with C6 wheel hubs on my 1969 Camaro project - had hoped to get used GM ECM, MAF, O2 sensors, wheel speed sensors to get some traction control capability and use Bi-directional scanner to interconnect components, but will use a professional tuner. Based on these projects I had considered the benefit of Topology, but pricey with Autel. I purchased a lightning deal on Amazon last night for TOPDON Phoenix Plus 2 for $912 that has topology and some additional functions, which could easily be returned if this unit is not recommended. Any reasons not to have the TOPDON Phoenix Plus 2 or guidance for something that may be better.
Dec 24, 2024 at 5:55 AM
Avatar
STEVE W.
  • CERTIFIED EXPERT
  • 15,113 POSTS
The Topdons are a good tool. Most aftermarket tools actually do more than many of the OE tools.
Dec 24, 2024 at 6:47 AM
Avatar
JOHNKUEHNE
  • MEMBER
  • 27 POSTS
Should I next start checking grounds on the C6 (if so where to look) that may be related to the wheel speed sensors not working or wait for the Bi-directional scan tool to test (arrives 12/27)? Are any free FSM available for C6 corvettes - I know Nissan allows some FSM on some forums but not seeing GM FSM. If GM FSM is not available for free, would I do best to order a pdf, used printed OEM FSM, or pay for Mitchell1 for 4 years (appears to have good data on common issues, TSBs, pictures and DTC codes, but is limited to one vehicle. I could pick 2011 C6 and likely very similar for my son's 2007 C6 so could be helpful over 4 years for 2 vehicles).
Dec 24, 2024 at 1:31 PM
Avatar
STEVE W.
  • CERTIFIED EXPERT
  • 15,113 POSTS
With the tool you should get a much better view into what the car is seeing and the ability to see live data of pretty much every item on the car is a great thing when it comes to diagnostics. As for service info, I don't know of any good free sources online. You can get access to mitchell and alldata for single vehicles and you can go directly to GM as well but be prepared to spend real money there. One thing with most of them is that you can print most of them off for later use, if you print them out as pdf files and save them on a drive that's your choice. You can buy the actual GM hard copy from Helm but that manual set is $300.00 You might want an account at https://www.corvetteforum.com/ as well. We use Alldata on this site but I use all of them in the shop.
Dec 25, 2024 at 4:29 AM
Avatar
JOHNKUEHNE
  • MEMBER
  • 27 POSTS
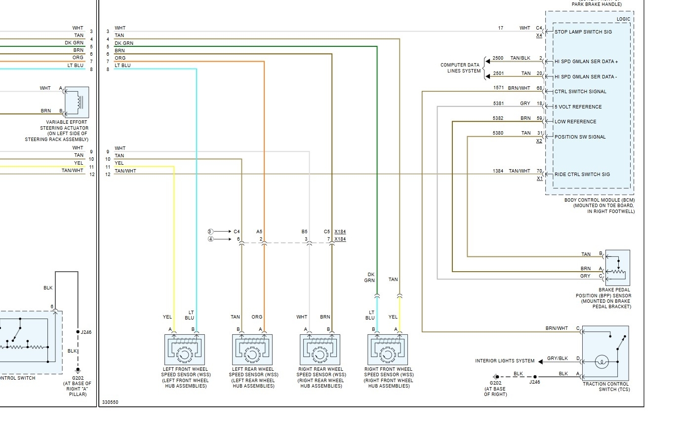
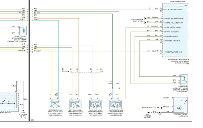
I now have the Topdon Phoenix Plus2 Scanner. I am still getting these messages on the DASH: SERVICE ACTIVE HANDLING SYSTEM, SERVICE ANTILOCK BRAKES, SERVICE TRACTION CONTROL. ABS, Traction control and Check Engine lights are on even after I cleared the codes did a redrive and still getting the following CODES: BCM U2100-00 CAN Bus Communication, ECM P0300-00 Engine Misfire Detected and 2 EBCM: C0040-00 Right Front Wheel Speed Sensor Circuit and C0561-71 System Disabled Information Stored Invalid Serial Data Received. I am trying to focus on the Lack of Traction control/ Active Handling that is my current and primary concern, but will also need to address the misfire. I note that all wheel speed sensors EXCEPT Front Right are showing consistent data over TCS and ABS tests of speed being reported. I tested a week ago and did not find 12VDC on either front wheel speed sensor wiring harness connector side. I visually reconnected connections on WSS front right and left and visually inspected with wheel off what could be seen on the wheel well and did not see any damaged wire harness. I have attached a pre-scan that shows faults and codes and includes HVACCM Code U1300, that did not show up after the reset and drive test. What should I check next or any tests I should run on the bi-directional scanner? My background is a 2-year trained Electronic Technician and am comfortable with testing for continuity with a multimeter if I have wiring diagrams, connectors that are clear and ideally including wire color codes.
Dec 28, 2024 at 7:47 PM
Avatar
STEVE W.
  • CERTIFIED EXPERT
  • 15,113 POSTS
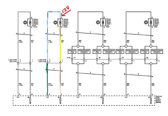
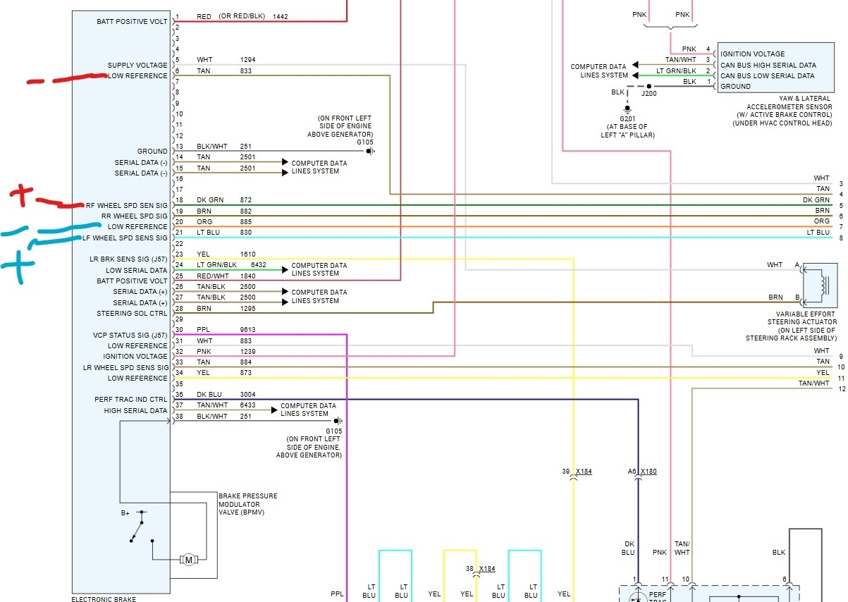
Okay, the right front lack of signal is why the traction control is off. That shows as the zero speed from it. There is a broken wire in that circuit or the EBCM has an issue. What I suggest would be to jump the left front sensor to the right front input. If you now have a speed, there then it's in the harness. If there is still no speed signal, then the EBCM is the problem. You could test for continuity the same way. For the first test you go to the ECBM on the frame rail and the connector on it. Find pins 6 and 18. now find pins 21 and 34. Use a couple wire jumpers and connect pin 6 to pin 34 and pin 18 to pin 21. Take a short drive, got a speed signal now? Yes = it's a broken wire in the RF harness. Then it's just a matter of tracing which wire, for that you can use a meter on pin 6 (tan wire) and at the sensor end one of the two pins should have a good connection. If you find that wire is good, then the other wire is the problem.
Dec 28, 2024 at 8:26 PM
Avatar
JOHNKUEHNE
  • MEMBER
  • 27 POSTS
I completed replacing a new wheel hub assembly with integrated ABS. No ABS light on dash. I cleared traction control and check engine lights, and it worked for 15 miles and engine light back on and TCS light on. I did see check engine flash, likely due to the P0300 - need to work on soon. Good news all four-wheel speed sensors are working for the entire drive (attached screenshot on bi-directional scanner) but still getting EBCM codes: C0450-5A and C0561-71. What is the next step of troubleshooting?
Jan 12, 2025 at 5:43 PM
Avatar
STEVE W.
  • CERTIFIED EXPERT
  • 15,113 POSTS
From the scan data I would say the harness itself has a failure in the right front wheel speed sensor input. The hub and sensor should be good, but the signal isn't getting to the ABS module or there is a failure in the module itself. The jumper test I mentioned would pinpoint the issue as the harness or the module. If jumping the left side to the right at the module shows the same signal on both graphs, then it's a break in the harness. If the data for the right side still reads zero, then it's the ABS module.
As for the P0300 code Use the live data on that tool that shows the individual misfire counters for the engine. However, we like to keep each item as a different question to make future searching easier. As such I would ask that you start a different question about the P0300 code. Include the data that the scan tool shows. If it is true random multiple misfires a vacuum leak is a common reason, as is low fuel pressure.
Jan 14, 2025 at 11:22 PM
Avatar
JOHNKUEHNE
  • MEMBER
  • 27 POSTS
For the test you mentioned, ("For the first test you go to the ECBM on the frame rail and the connector on it. Find pins 6 and 18. Now find pins 21 and 34. Use a couple wire jumpers and connect pin 6 to pin 34 and pin 18 to pin 21.") do I leave the connectors all connected and slide the jumper in on the back of the connectors to combine pin 6 to pin 34 and 18 to 21 with test leads? Is this test to be connected for testing while the car is jacked up and spin the wheels, or for a drive test? Is this effectively mixing the sine wave from now two working wheel speed sensors? I did previously feed wheel speed sensor Left-Front into the harness for the Front-Right and saw it showing up on the bi-directional scanner for both front wheels based on spinning only the front left wheel, when jacked up. I also did inspect the harness on the front right and replaced some plastic jacketing of the wire harness, but no rub through on the wire harness itself. I am also confused with testing the 6 to 34 and 18 to 21 if the most recent drive showed wheel speed being reported for all wheels. Would that suggest the harness is okay and is the ABS module. Again, I am glad to retest, just trying to be clear on the methodology.
Jan 15, 2025 at 5:25 AM
Avatar
STEVE W.
  • CERTIFIED EXPERT
  • 15,113 POSTS
In this image you posted it showed no right front speed while the others are showing varying speeds. That is why I suggested the test. However, if you have already done the signal testing of subbing the left front to the right front at the harness connection for the right front and had the speed showed up then the harness is okay. If however, it still doesn't show with the right front hub connected, the hub itself or the speed sensor in it is defective and it isn't sending a signal out. Wouldn't be the first new defective OOB part I've seen lately. It should be covered under warranty as the sensor isn't a replaceable part on it's own. If you have access to an oscilloscope, you could test it directly, simply connect the sensor to the scope and spin the tire, you should see a clean signal out put.
Jan 15, 2025 at 6:19 AM
Avatar
JOHNKUEHNE
  • MEMBER
  • 27 POSTS
Good eye, I will retest RF WSS.
Jan 16, 2025 at 9:41 AM
Avatar
STEVE W.
  • CERTIFIED EXPERT
  • 15,113 POSTS
You could also swap the right feed into the left, if you get nothing then the hub signal is missing.
Jan 16, 2025 at 11:08 AM
Avatar
JOHNKUEHNE
  • MEMBER
  • 27 POSTS
I first must apologize that I apparently sent an old screen shot of the Right-Front Wheel Speed sensor not working 1/12, it does work. The car had all check-engine codes reset for an hour previous to parking C6 a week ago. I did retest extensively this weekend. Please allow me to reset the conditions after 1hr 45 minutes of testing 1/26 with the bi-directional scanner while driving. Dash: Service Vehicle message, ABS light on, Traction Control light on and Check Engine light on. Codes: C0450-5A, C0561-71, P0300-00, (PDM) B1420, (DDM) B1420, U2100-00. I am trying to focus on resolving the Traction Control/ABS not working now having all 4-wheel speed sensors working properly. Noticing low voltage codes, I scanned voltage graphically for the PDM while driving and found 4 brief periods of ~9.5 volts recorded (see attached screenshot). I have in the past suspected low voltage at idle periods at stop lights and that is often when I would get the blinking check-engine light likely associated with the Random Misfire. I am still focusing on the traction/ABS issue to resolve. Could the low voltage for such brief periods trigger some codes? I have on hand a New OEM Alternator but have not installed it. I have been using a yellow-top Optima battery in the car for the past 2-1/2 years and have not seen a battery issue with battery terminals cleaned very thoroughly in the past month. I should note I also have on-hand a new PS pump and new ATI Crank pulley, suspecting some limited wobble for PS Pump and Crank and both would eventually need replacing. Not sure what to troubleshoot next, please advise.
Jan 27, 2025 at 5:30 AM
Avatar
STEVE W.
  • CERTIFIED EXPERT
  • 15,113 POSTS
Voltage drops could cause codes for sure. However here is what your codes are:

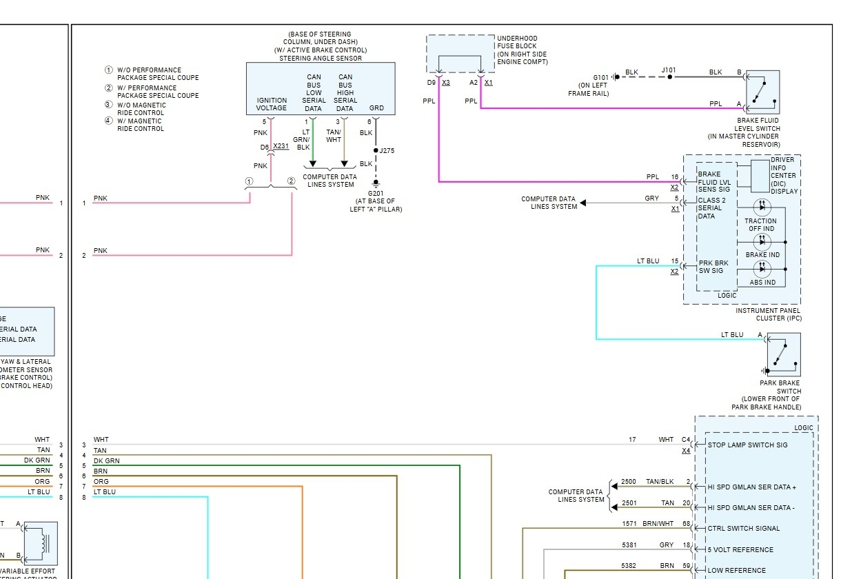
C0450-5A - Variable steering assist actuator implausible
C0561-71 - ABS Disabled due to unknown fault - Data Stored
P0300-00 - Random multiple misfire
B1420 - Low device voltage, Door module in each door
U2100-00 - CAN network data issue

From the looks of the scan data, I would say you have an issue with a door module or one of the locks sticking. The drops could be a door lock trying to lock or unlock. Connect the tool up and try the locks and windows on both doors, do any of them cause the same voltage drop?

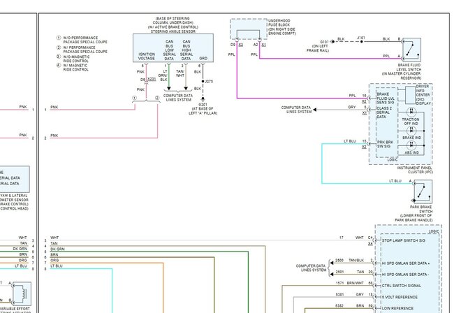
The ABS and TC are interconnected and the Variable assist actuator implausible is commonly a sign of a bad connector at the actuator under the car by the steering rack.
Jan 27, 2025 at 2:17 PM
Avatar
JOHNKUEHNE
  • MEMBER
  • 27 POSTS

Could not detect voltage drop for door module on diagnostic scanner. Checked Actuator connector on steering rack, no damage, but cleaned connections with electronic cleaner, reconnected. Removed EBCM connector tested and found +12VDC on two end connectors and found ground on opposite two end connectors, cleaned connections and reconnected. Checked nearby chassis bolted ground, wire good, ground good, cleaned and reconnected.

While the C6 has sat sometimes for weeks, I have noticed battery drain. But even with a fully charged Optima Yellow Top battery, the card had a hard time starting. After 3 tries it barely started. Eight-mile test drive and drove good, but still had SERVICE ACTIVE HANDLING SYSTEM, SERVICE TRACTION CONTROL as I did not clear any codes.

Next day (24 hrs. later) I found battery drained to 0%, charged to full, but could not start vehicle. Did a parasitic drain test and found the car pulling 4.38 Amps! This may be related……ss I was reindexing windows, I noted two days in a row the driver window did not want to go up, but the passenger window would. I had to close the driver door and then I could get the driver window to only go down, after it went down, I got the window to go up, reindexed and closed. Passenger window went up and down fine, just driver door window was acting strange.

With ignition off, do I need to do a parasitic battery test and pull fuses one at a time to find the bad current draining circuit? Are there any common issues for 2011 GS C6 parasitic loss that I should check first? Do you have any other methodology or wiring diagrams to aid in troubleshooting?
May 16, 2025 at 5:18 AM
Avatar
STEVE W.
  • CERTIFIED EXPERT
  • 15,113 POSTS
Over 4 amps is a serious draw! That is a motor stuck on or similar if it was something like a radio or BCM that sort of amperage would be causing magic smoke release. A fast way to locate that much draw would be to do a millivolt test on the tops of the fuses. Take your meter and set it for the lowest volt setting. Now probe the fuses on top and see where you have voltage. A vehicle that is asleep will have a barely measurable or less on the memory and BCM. Charles has the method I'm referring to - https://www.youtube.com/watch?v=lRcj1fQcWwU I usually try it first when it's a large draw (or I grab the thermal imager) That much flow usually shows up. I suspect it will be that the motor isn't triggering the module properly and it's acting like you are trying to put the window up, even if you are not touching the switch.
May 16, 2025 at 12:09 PM
Avatar
JOHNKUEHNE
  • MEMBER
  • 27 POSTS
Completed mV test and realized I had a very bad battery and replaced it with a new Optima red top. I still saw a 4 Amp draw, but found three modules for seats, dash and lights would come on for 1-min or more. So even with car off, had to wait a couple minutes and consistently the parasitic draw was 200milliAmps. With a new battery I did not have any window issues, car started and drove well. Cleared codes (many low voltage) and drove for another 10 miles. The only trouble code I get is the C0450-5A (Steering Assist Control Actuator Circuit Plausibility Failure)and could feel less assist on the wheel when driving, but only slightly noticeable. I did not get the Traction or ABS or Check Engine lights to come back on. I am still getting Service Vehicle Soon, Service Active Handling System, Service Antilock Brakes, and Service Traction System in the message window of instrument cluster at start up. Do I need to drive it further to get more codes to show up? What would be the next step given the 4 Service messages and C0450-5A?
May 19, 2025 at 5:02 AM
Avatar
STEVE W.
  • CERTIFIED EXPERT
  • 15,113 POSTS
Well all of those codes including the new 0450 code are from the EBCM. IE the ABS brake control module. It is a known failure item on many GM vehicles.
I would check the fuses for it first, verify it has power. Then check the grounds. Both go to the same spot, the ground point on the block near the power steering pump. If it is corroded, you can get all of those codes.
May 19, 2025 at 7:43 AM
Avatar
JOHNKUEHNE
  • MEMBER
  • 27 POSTS
Removed EBCM connector tested and found +12VDC on two end connectors and found ground on opposite two end connectors, cleaned female and male connections with electronic cleaner, let dry and reconnected. Checked nearby chassis bolted ground, wire good, ground good, cleaned and reconnected.

I am still getting Service Vehicle Soon, Service Active Handling System, Service Antilock Brakes, and Service Traction System in the message window of instrument cluster and the following codes: U2100-00, U0101-00, U0100-00, U0140-00, C0450-5A, C0561-71, P0300-00 (will address at another time).

Is it time to get a new Electronic Brake Control Module Kit? If so, do I have good used/reman. options or should I source new? Can the factory part number be provided as I may only need the EBCM kit and not ABS Pressure Modulator Valve?
May 20, 2025 at 4:47 AM
Avatar
STEVE W.
  • CERTIFIED EXPERT
  • 15,113 POSTS
If the powers and grounds are good then it's likely that the EBCM is bad. The part number for the original is 25994201. That replaces the module and the solenoid coils pack. However you also need a scan tool and J2534 programming link and a GM account to be able to program the new unit to match your car.
May 20, 2025 at 5:19 AM
Avatar
JOHNKUEHNE
  • MEMBER
  • 27 POSTS
I will plan to purchase a new 25994201 EBCM, since programming is not guaranteed on used units. It seems my TOPDON Phoenix Plus 2 does not support J2534 programming. I can get a TOPDON R-Link J2534 ($240) pass-through programmer + PC + AC Delco TDS subscription ($40 per VIN). Does that seem like a valid approach any more guidance? Any guidance on the best way to purchase or get a discount for a EBCM through GM that retails for over $1K?
May 21, 2025 at 5:52 AM
Avatar
STEVE W.
  • CERTIFIED EXPERT
  • 15,113 POSTS
As you only have the single unit it might be cheaper overall to have a shop that can do the programming do it. That way you don't have a dust collector. As for the EBCM, I wish I knew of a place to get new ones for less money.
May 21, 2025 at 6:32 AM