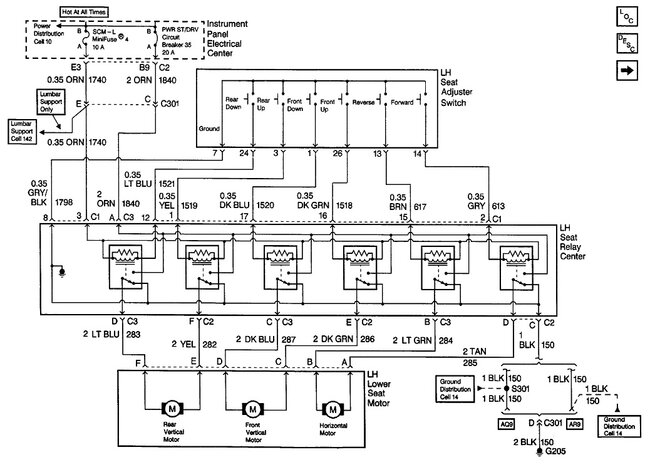
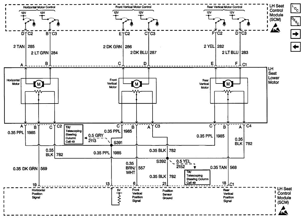
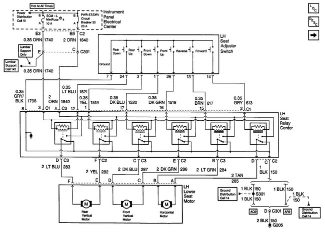
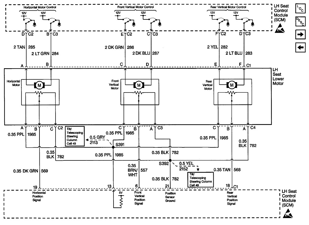
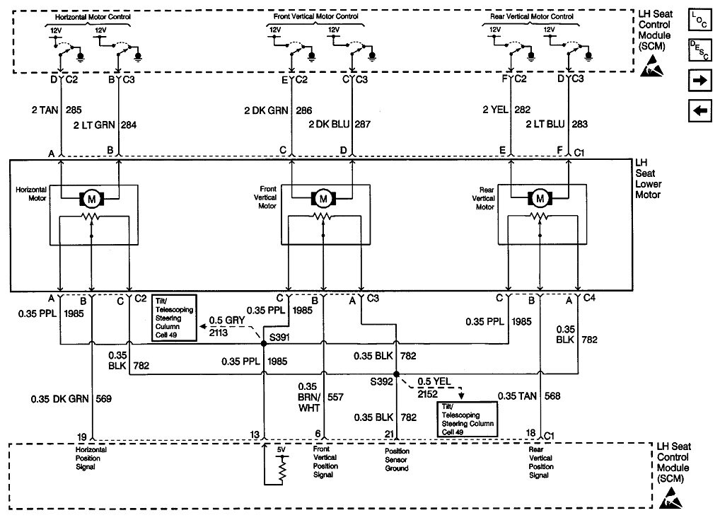
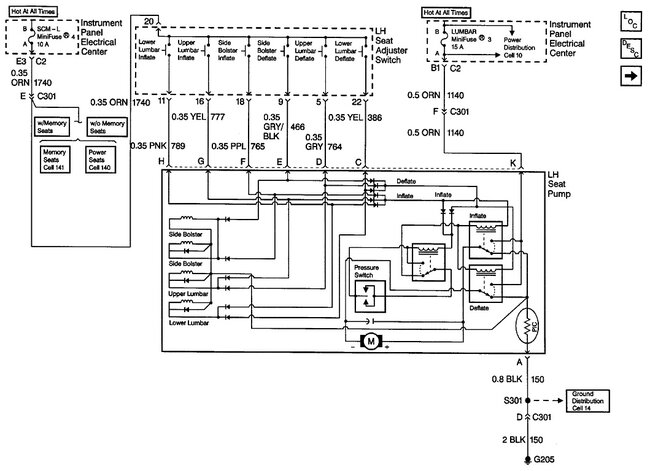
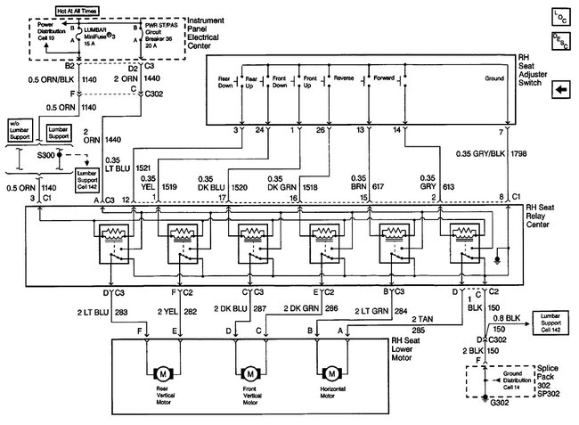
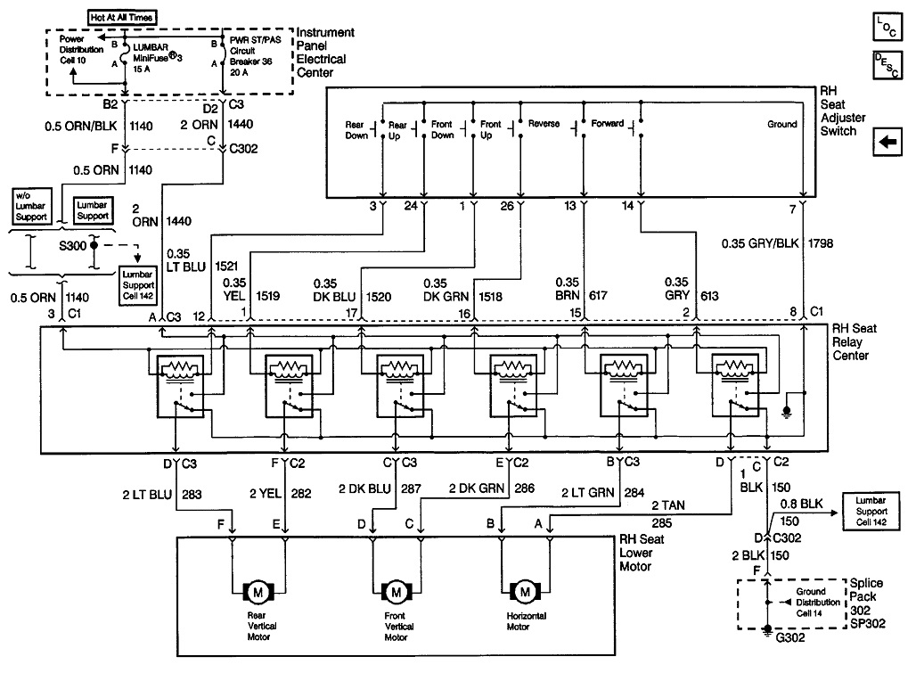
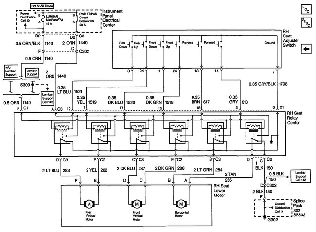
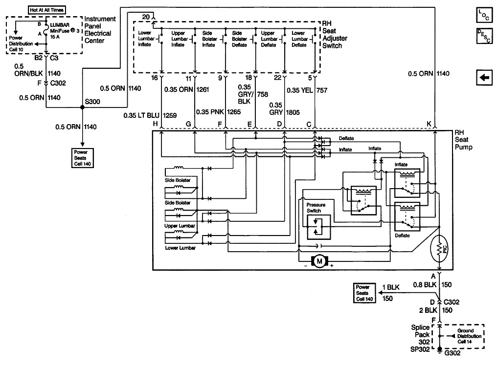
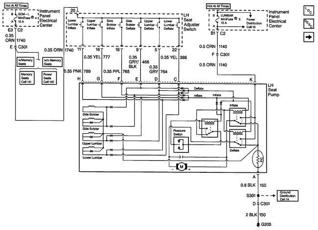
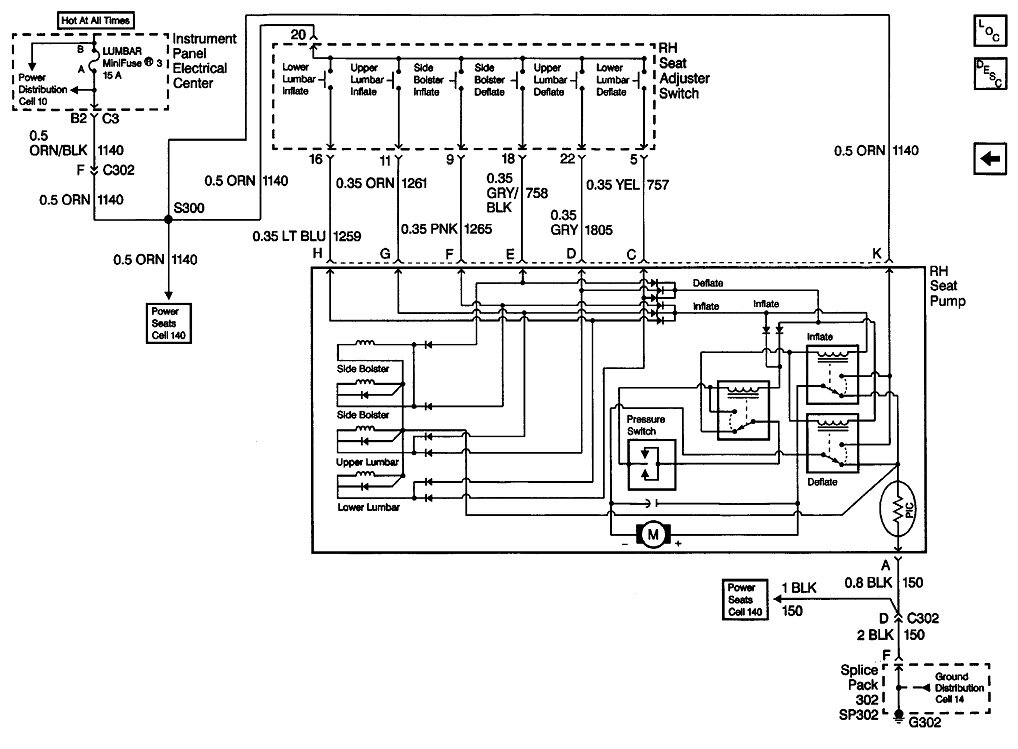
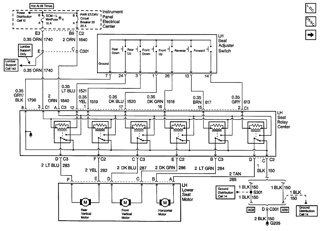
I apologize that there's so many diagrams. I tried to put them in some kind of order, but there really isn't a good way to do that. You'll have to look through all of these. This is everything related to power seats, diagrams and connector views. A couple of the connector views might be duplicates. If they are, it's because they showed up under multiple circuits, but with different names.
Images (Click to enlarge)
Jan 20, 2023 at 1:37 PM