C100 fuse block connector wiring?

1996 CHEVROLET CORSICA
100,000 MILES • 2.2L • 4 CYL • 2WD • AUTOMATIC
Avatar
BMJTHE3RD
  • MEMBER
  • 8 POSTS
I am trying to rewire the fuse block that melted down on my car Ruby. She's a good ol girl and I know she's got another 200000miles left in her. Nobody else believes her. I can't read wiring diagrams, but I did take plenty of pictures to reverse wire her. Is there not a Chilton's, Mitchell or Haynes printout of where each colored wire goes you could send me? And is there such a thing called 5 and drive? Like engine compartment side of C100 Battery +/- ground, alternate +/-, or starter, water pump? And is there any sealant I can use on fuse block once I get everything wired up? And I've noticed some of the pinouts have the number 12 on them, (battery?) some have 19 on them. Some say PEC, PCM,P?? What does this relate to? Thank you
Sep 7, 2024 at 4:25 PM
Advertisement
Avatar
STRAILER
  • CERTIFIED EXPERT
  • 53,854 POSTS
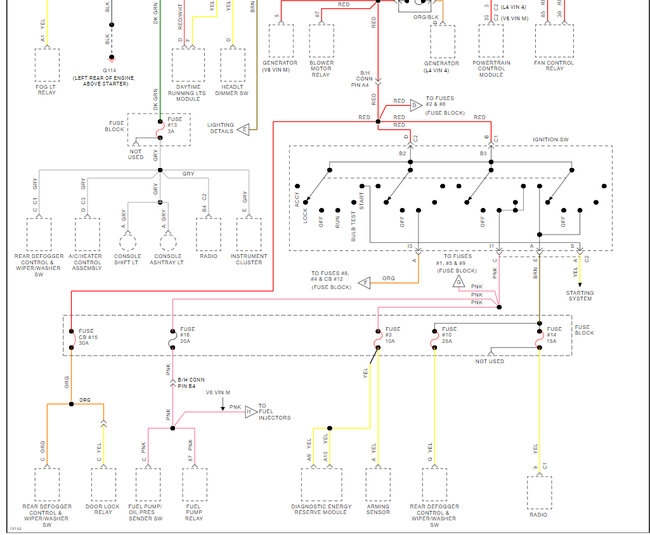
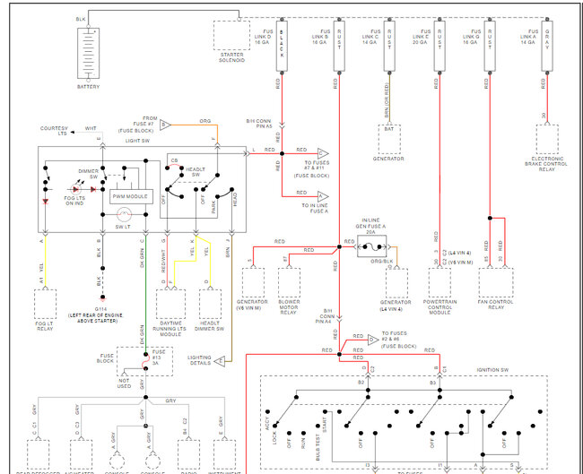
Ruby! Great name for a car BTW :) Here are the complete wiring diagrams for the power distribution and the fuse panels. It should give you all the information you need but if not please upload an image of anything you need help with to get Ruby going again. Check out the images (below). Let us know how it goes.
Sep 7, 2024 at 7:14 PM
Avatar
BMJTHE3RD
  • MEMBER
  • 8 POSTS
Is there a male blade terminal pinout cheat sheet ? Color coded wire guide maybe for the C100 engine bay/cabin firewall fuseblock connector junction box. For Aptiv Delphi mixed series F my car Ruby? Thank you
BMJ the 3rd
Nov 14, 2024 at 11:28 AM (Merged)
Advertisement
Avatar
STRAILER
  • CERTIFIED EXPERT
  • 53,854 POSTS
If you need anything else please let me know.
Nov 14, 2024 at 11:29 AM
Avatar
SHEILA HARRISON STEVENS BEASLEY
  • MEMBER
  • 5 POSTS
Hello Ken! Well, it's been a while. The diagrams you sent me are greatly appreciated but I noticed the diagram has 6 sparkplugs and Ruby is only a 4: banger!? So, a little confusion. I'm new to all of this. I can change parts all day but as far as true mechanic work ....? I have bought GM manual platform F. 3 books !! Anyway I've been studying since our last talk and I'm about to wire her bulkhead back together , put on a H20 pump, radiator fan, HVAC blower , brake line and fire ol Ruby up for the 1st time in a year and a half. If there is any advice anyone can give me concerning bulkhead pinout for 96 Chevy Corsica 2.2l automatic fwd please let me know! I'm all ears. And thank you to Ken and all the help from 2carpros. There guidance has been invaluable. Thank you, Trent Beasley
Jun 28, 2025 at 3:00 PM
Avatar
SHEILA HARRISON STEVENS BEASLEY
  • MEMBER
  • 5 POSTS
Correction! My bad, you didn't send me a diagram with 6 plugs for Ruby. I was looking at the fusible links!!! U sent me the right information for Ruby ! My 4 banger Corsica 2.2 l auto . Just wanted to apologize. Told you I was a newbie.
Jun 28, 2025 at 3:05 PM
Avatar
STRAILER
  • CERTIFIED EXPERT
  • 53,854 POSTS
No worries, glad you got the car running. Le me know if you need anything else :)
Jun 29, 2025 at 9:53 AM