C0321 code encoder and TCCM replaced

2007 CHEVROLET TAHOE
170,000 MILES • 5.3L • V8 • 4WD • AUTOMATIC
Avatar
RAMSEY WALENTON
  • MEMBER
  • 4 POSTS
I have replaced the TCCM and also the encoder motor. When the new encoder motor is installed I cannot get it to go through the relearn process. Any input would be greatly appreciated.
Dec 10, 2019 at 8:38 AM
Advertisement
Avatar
KASEKENNY
  • CERTIFIED EXPERT
  • 18,907 POSTS
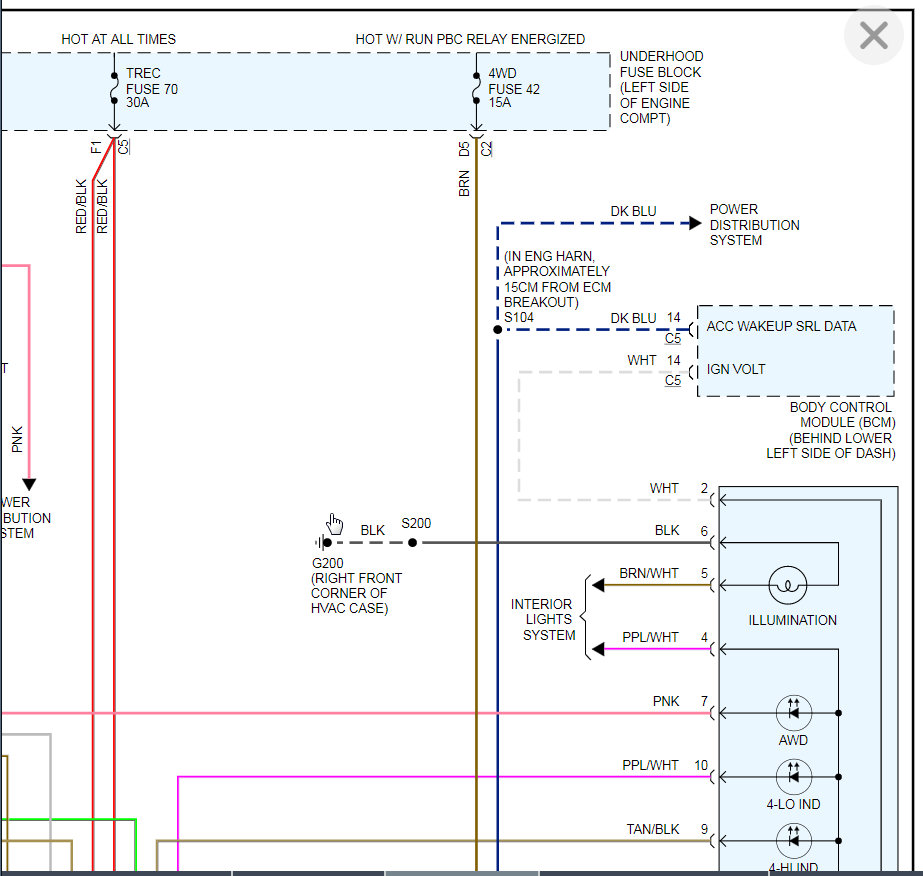
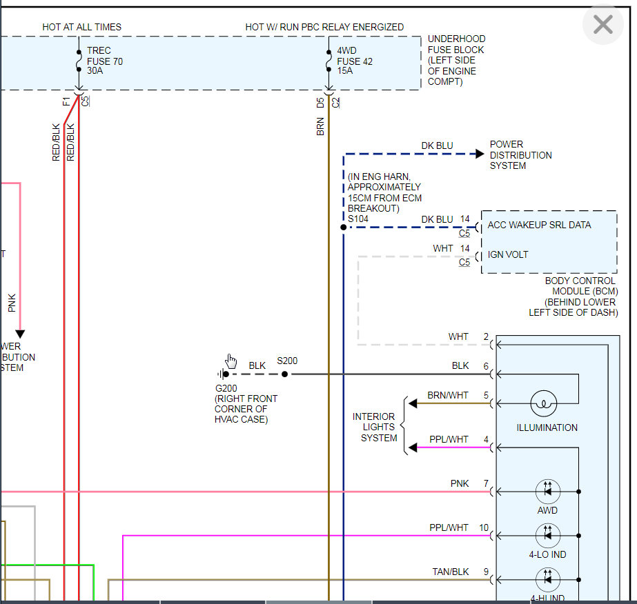
You most likely have a wiring issue. That is what is preventing the relearn as well. I attached the test that you need to run through to find where the issue is. Let me know if you have questions and we can go from there.
Dec 10, 2019 at 5:33 PM
Avatar
RAMSEY WALENTON
  • MEMBER
  • 4 POSTS
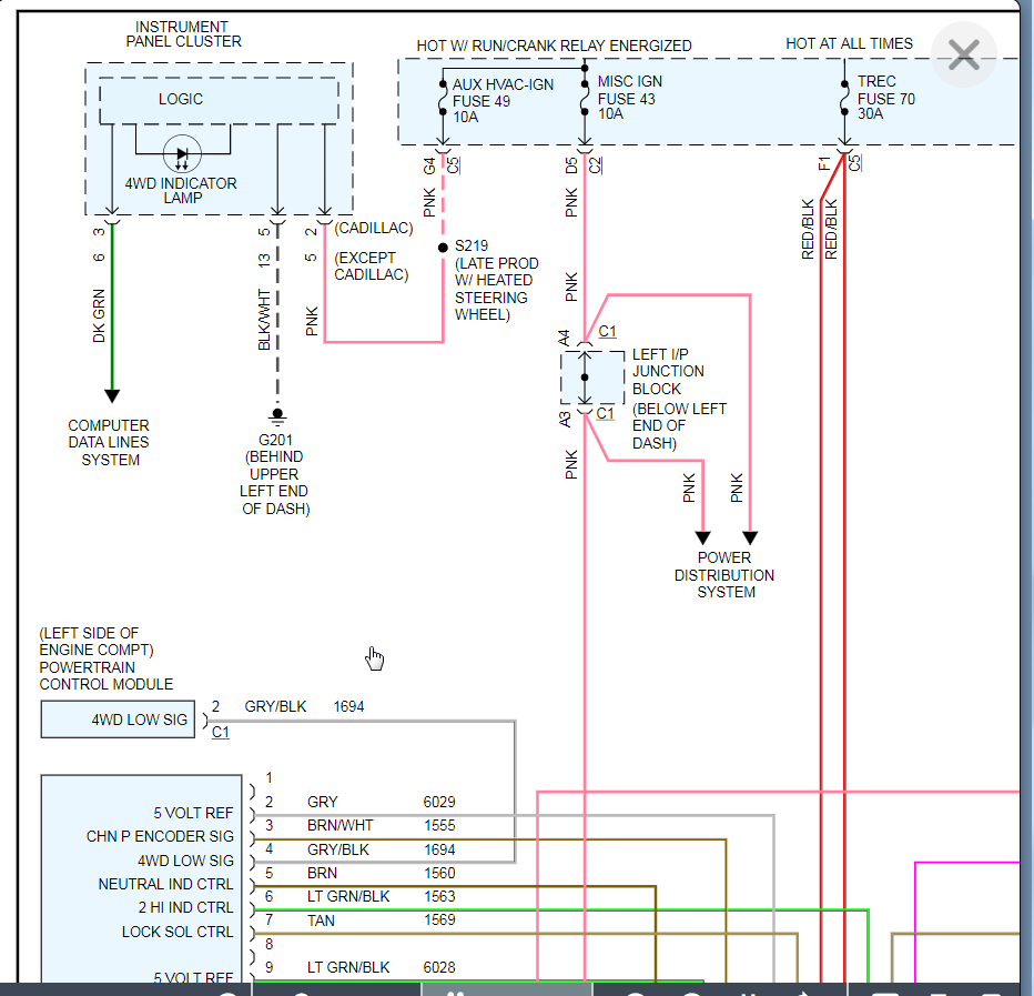
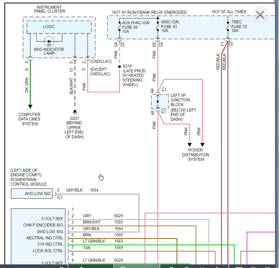
I forgot to grab my drawing from last night and I’m working now. With the ignition on I believe orange was at 1.50v, red 11.55v, tan 2.56v, and top tan was 11.86v. But that would mean battery to ground is that correct? At the TCCM there is only voltage to the red and tan wires if I test to ground I’m pretty sure. This is all without a scan tool I don’t have one or access to one. What should voltages be on each wire? Would those be from plug to vehicle ground to get them?
Dec 11, 2019 at 5:49 AM
Advertisement
Avatar
KASEKENNY
  • CERTIFIED EXPERT
  • 18,907 POSTS
Basically the org and tan in D are your motor control wires and the control motor will apply voltage to one of the wires and ground the other if it wants to change the direction of the motor.

Looks like you are on step 5 of this test based on those numbers. Unhook the connector and put your meter on ohms and measure G to F on the encoder. Let me know what that reading is.

If that is okay.

Step 6 is to check each of the wires on the connector to ground. Put the black lead on a good ground and then touch the red lead of your meter to each of these pins in this connector. There are 8 of them.

Let me know the result of this and we can go from there. Thanks
Dec 11, 2019 at 5:37 PM
Avatar
RAMSEY WALENTON
  • MEMBER
  • 4 POSTS
I have got 19.5ohms from g to f. If I do continuity on the plug to ground I get feed back on c and e all the others are quite.
Dec 11, 2019 at 6:44 PM
Avatar
RAMSEY WALENTON
  • MEMBER
  • 4 POSTS
It c and f that have continuity actually sorry.
Dec 12, 2019 at 5:18 AM
Avatar
KASEKENNY
  • CERTIFIED EXPERT
  • 18,907 POSTS
Okay. Then that looks like it puts you on step 7.
Dec 12, 2019 at 5:44 PM