c0035 left front wheel speed sensor circuit fault

2007 GMC CANYON
180,000 MILES • 3.7L • 5 CYL • 4WD • AUTOMATIC
Avatar
MARK FRIZZELL
  • MEMBER
  • 142 POSTS
I keep getting this code. I have replaced hub, speed sensor, rotor, rotor bracket. I do have continuity on wires from sensor to module. It was engaging ABS every time I would brake at a stop until I changed the rotor and bracket. I think it was rubbing but now I am still getting light and code?
Apr 7, 2017 at 11:39 AM
Advertisement
Avatar
STRAILER
  • CERTIFIED EXPERT
  • 53,855 POSTS
Hello, it sounds like you have a short in the controller. In particular the left front actuation solenoid.

Here is a guise to help you replace it.

https://www.2carpros.com/articles/how-to-replace-a-abs-controller

Please let us know what happens.

Best, Ken

Apr 9, 2017 at 5:49 PM
Avatar
MARK FRIZZELL
  • MEMBER
  • 142 POSTS
We replaced complete abs unit, new hubs with sensors, rotors , pads . Code is c0035
Apr 9, 2017 at 6:37 PM
Advertisement
Avatar
STRAILER
  • CERTIFIED EXPERT
  • 53,855 POSTS
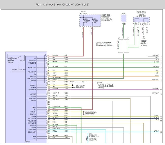
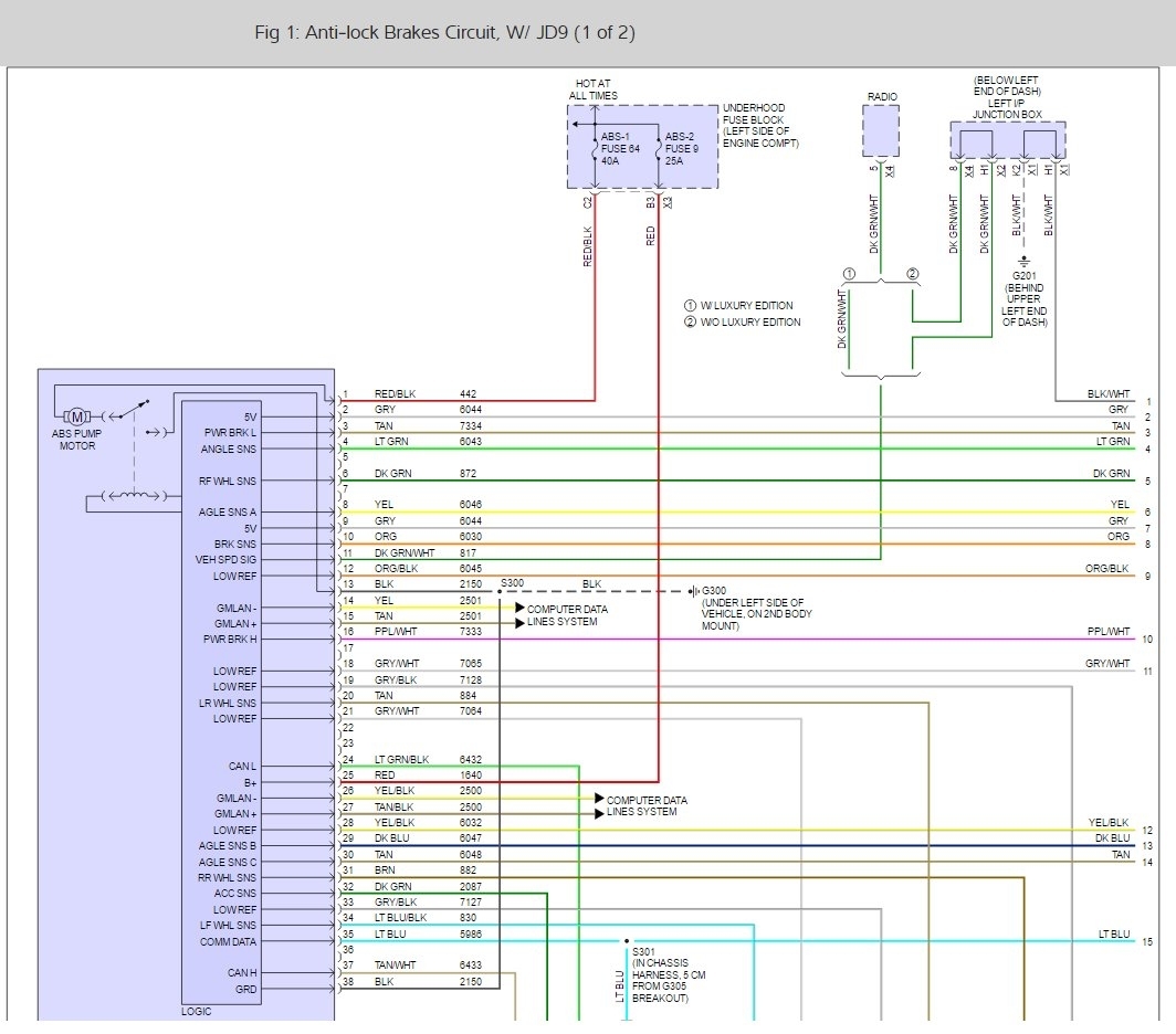
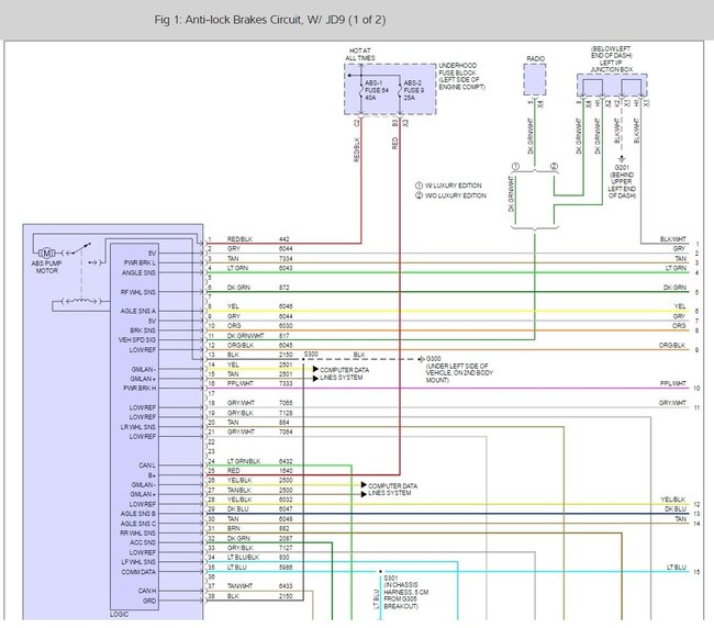
Must be missing something, Here is the wiring diagram for the circuit. Double check the connector to make sure one of the terminals has not pulled out of the connector.

https://www.2carpros.com/articles/how-to-check-wiring

I assume the light was on before changing the hub with sensor?







Apr 9, 2017 at 7:19 PM
Avatar
MARK FRIZZELL
  • MEMBER
  • 142 POSTS
Went back to drawing board, unplugged both front sensors, put DVM on each side checked ohm resistance first on right side I got 435 however on the right side I got no resistance
Apr 10, 2017 at 9:31 AM
Avatar
MARK FRIZZELL
  • MEMBER
  • 142 POSTS
Sorry I meant the other way round , no resistance on left side which is where we seem to have issues I should have resistance correct?
Apr 10, 2017 at 9:33 AM
Avatar
STRAILER
  • CERTIFIED EXPERT
  • 53,855 POSTS
Yes you should. Try this test,

https://www.2carpros.com/articles/abs-wheel-speed-sensor-test

See if the sensor is working

Let me know, Ken
Apr 10, 2017 at 10:28 AM
Avatar
MARK FRIZZELL
  • MEMBER
  • 142 POSTS
Hey Ken, bad new hub and sensor, thx for your help
Apr 10, 2017 at 11:38 AM
Avatar
STRAILER
  • CERTIFIED EXPERT
  • 53,855 POSTS
Glad you could get it fixed please use 2CarPros.com anytime we are here to help

Best, Ken
Apr 10, 2017 at 11:45 AM