Engine wiring I'm trying to figure out how to fix my wiring harness?

1998 CHEVROLET VENTURE
242,600 MILES • 3.4L • 6 CYL • 2WD • AUTOMATIC
Avatar
KATRINA RANDKLEV
  • MEMBER
  • 8 POSTS
I'm trying to figure out how to fix my wiring harness.
Mar 25, 2021 at 4:26 PM
Advertisement
Avatar
JACOBANDNICKOLAS
  • CERTIFIED EXPERT
  • 110,175 POSTS
Hi again,

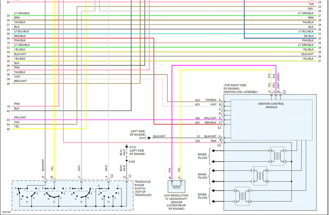
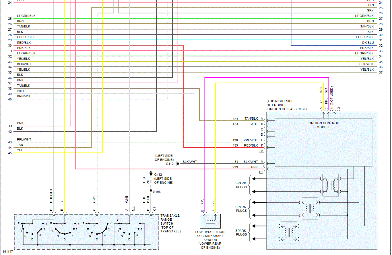
I wanted to add the wiring schematics for the powertrain management. Hopefully, they will help.

I had to cut the pics in half to make them readable. However, I did overlap them so you can follow from one to the next.

I hope they help. Also, here is a link you may find helpful:

https://www.2carpros.com/articles/how-to-check-wiring

Take care and let me know if you have other questions.

Joe
Apr 28, 2021 at 10:22 AM