Bypass starter relay, can I install a toggle switch and start my car without having to open the hood every time?

2014 CHEVROLET IMPALA
159,000 MILES • 3.8L • V6 • 2WD • AUTOMATIC
Avatar
DNA2224
  • MEMBER
  • 7 POSTS
Hi, so I have to start my car by using a wire where the starter relay goes. Can I use a toggle switch and Start my car without having to open the hood every time? If so, how do I do this?
Jan 25, 2024 at 9:30 AM
Advertisement
Avatar
AL514
  • CERTIFIED EXPERT
  • 5,465 POSTS
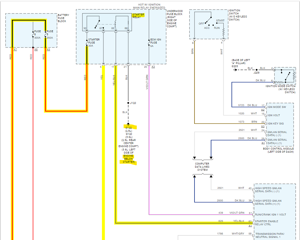
Hello, have you checked to see what the relay is missing on the control side? Since it is a power side switched relay, power comes from the engine computer and the relay has a constant ground. So, if you have power on 2 of the 4 pins, then you're just missing the relays ground.
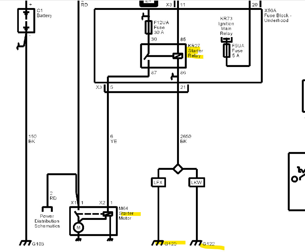
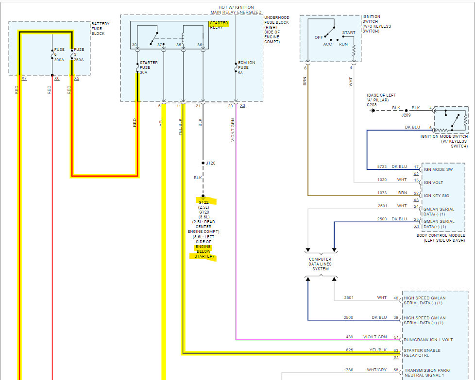
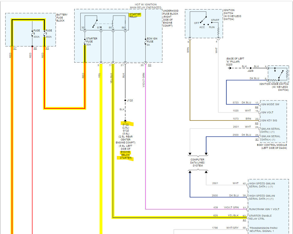
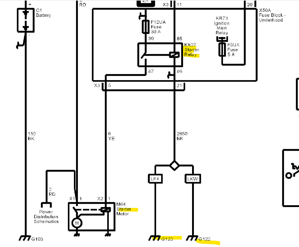
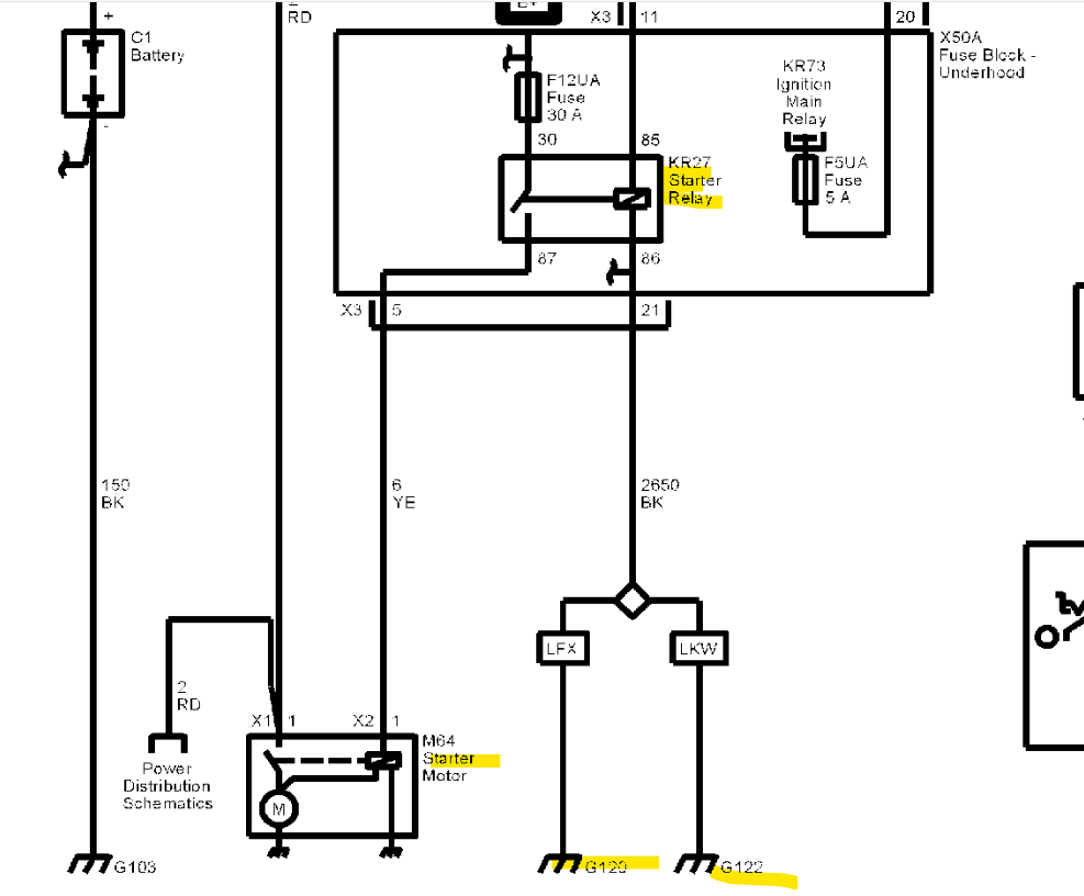
In the 2nd diagram #1 is G120 not #2.
It's near the Starter motor and oil filter.
Another possible location is G122 (diagram 3) on the back of the engine, on the top corner of the back cylinder head. OEM diagram 4 shows 2 possible locations for the Starter relay ground.
It is best to repair the issue, not running a toggle switch to the starter relay, which can cause problems.

https://www.2carpros.com/articles/how-to-check-an-electrical-relay-and-wiring-control-circuit
Jan 25, 2024 at 11:24 AM
Avatar
DNA2224
  • MEMBER
  • 7 POSTS
Thank you for responding. So, I lost my keys, and I was having a very hard time finding somebody to make a key because my car was made in Canada. I had to wait several days before I found somebody who knew eeprom. I got impatient and I made the stupid decision to try to hot wire my car and I touched 2 wires together and since then I couldn't start my car anymore besides with a jumper wire. So, I've been starting it like this for like 3 months now because mechanics have given me crazy quotes just to find out what's causing it. So obviously I don't know much about cars, and I don't have anybody to help me.
Jan 25, 2024 at 1:35 PM
Advertisement
Avatar
DNA2224
  • MEMBER
  • 7 POSTS
So, will it cause problems if I keep starting it by bypassing the relay with a jumper wire?
Jan 25, 2024 at 1:39 PM
Avatar
DNA2224
  • MEMBER
  • 7 POSTS
Hi, so to start my car I have to use a wire where the starter relay goes. I think it's pins 87 and 30. Can I install a toggle switch and start my car without having to open the hood every time? If so, can you please explain to me how to do this?
Jan 25, 2024 at 6:54 PM (Merged)
Avatar
STEVE W.
  • CERTIFIED EXPERT
  • 15,113 POSTS
Please see the reply by AL514 on the other post. Thank you.
Jan 25, 2024 at 6:54 PM (Merged)
Avatar
AL514
  • CERTIFIED EXPERT
  • 5,465 POSTS
Which 2 wires did you jump out at the beginning of all this after you lost the keys, was it 2 of the 4 wires at the starter relay, or did you jump something else? It's never a good idea to jump relay pins out unless you know exactly what you're doing, even then we use special tools that are put in place of a relay so that no power is shorted to the ECM/PCM control wire by accident. If you can explain which wires or location you jumped, we may be able to tell you what happened. It sounds like power was sent down a wire it shouldn't have been, so there could be a blow fuse, or possible damage to the computer.
Jan 26, 2024 at 10:43 AM
Avatar
DNA2224
  • MEMBER
  • 7 POSTS
Yes, it was 2 of the 4 pins. I don't really remember which ones, but I will look and try to find the YouTube video that I watched.
Jan 26, 2024 at 10:49 AM
Avatar
DNA2224
  • MEMBER
  • 7 POSTS
I was wrong, it was not 2 or the 4 pins. I used a wire and touched the pin at the top left-hand side to the battery.
Jan 26, 2024 at 10:54 AM
Avatar
AL514
  • CERTIFIED EXPERT
  • 5,465 POSTS
But it was one of the Starter Relay pins you put battery power to?
Jan 26, 2024 at 10:58 AM
Avatar
AL514
  • CERTIFIED EXPERT
  • 5,465 POSTS
This is the Fuse/Relay panel in the engine compartment.
Here is a pinout of that panel, number 2 should be the starter relay, I would go through and test all the fuses with a test light if possible.

https://www.2carpros.com/articles/how-to-check-a-car-fuse

https://www.2carpros.com/articles/how-to-use-a-test-light-circuit-tester
Jan 26, 2024 at 11:01 AM
Avatar
DNA2224
  • MEMBER
  • 7 POSTS
Yes, it was definitely the start of use relay that I put the wire to and touched the battery. I would send you the video I watched if I could.
Jan 27, 2024 at 5:42 AM
Avatar
DNA2224
  • MEMBER
  • 7 POSTS
Okay, I have a test light I will do this on my lunch break today. thank you so much for helping me.
Jan 27, 2024 at 5:43 AM
Avatar
AL514
  • CERTIFIED EXPERT
  • 5,465 POSTS
Okay, let us know what you find.
Jan 27, 2024 at 4:37 PM