Security system preventing vehicle from starting

2002 LAND ROVER DISCOVERY 2
250,000 MILES • 4.0L • V8 • 4WD • MANUAL
Avatar
SHAWN O SEALES
  • MEMBER
  • 5 POSTS
Hi, I am the owner of a 2002 Disco 2 4L V8. The security system would not allow me to start it. I do not have the original key. There is a flashing code on the dash which looks like a capital B. It was working fine until I parked by radio station. What advice can you give me to solve this issue? By passing the security system?
Sep 4, 2018 at 3:55 AM
Advertisement
Avatar
DANNY L
  • CERTIFIED EXPERT
  • 5,648 POSTS
Hello, I am Danny.

I have attached a few articles about the description of your Anti-Theft system. The last article (picture) gives you a step-by-step on how to reprogram. Hope the helps and feel free to ask any other questions if needed. Thanks for using 2Carpros.
Danny-
Sep 5, 2018 at 2:23 AM
Avatar
SHAWN O SEALES
  • MEMBER
  • 5 POSTS
Thanks for your time and effort in responding to my question, however it did not help me.
Sep 5, 2018 at 12:33 PM
Advertisement
Avatar
STRAILER
  • CERTIFIED EXPERT
  • 53,854 POSTS
Hello,

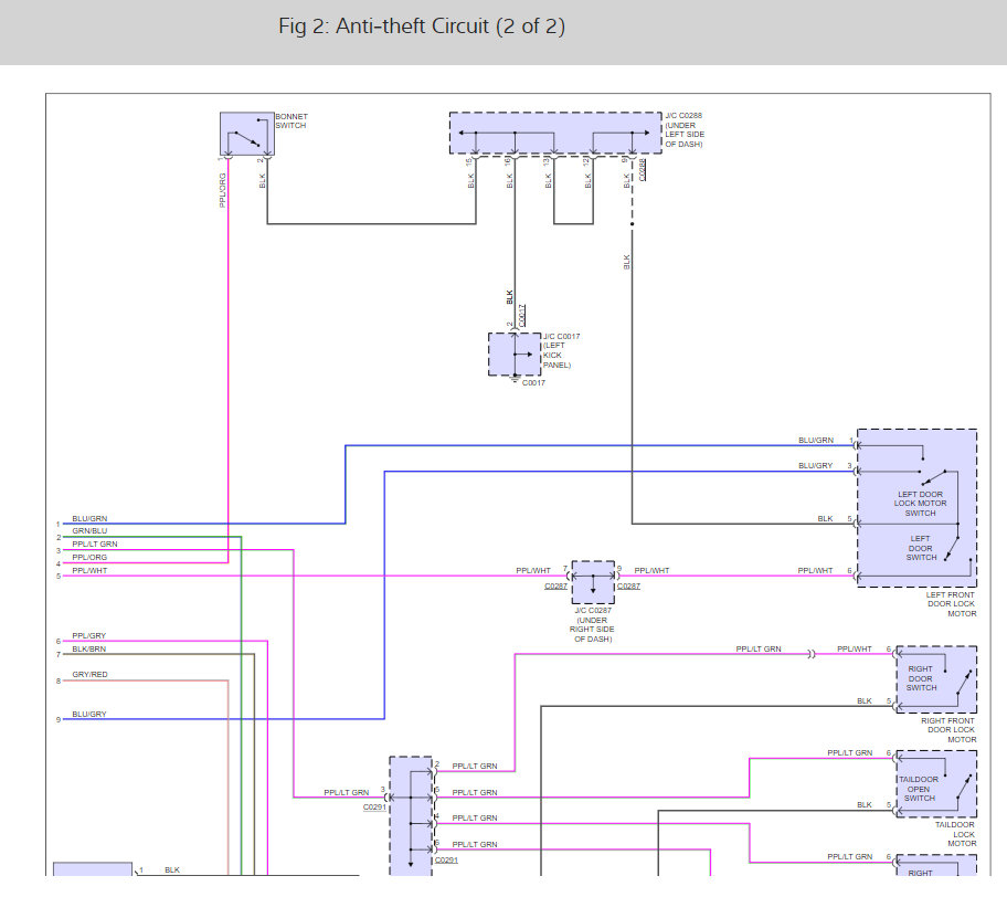
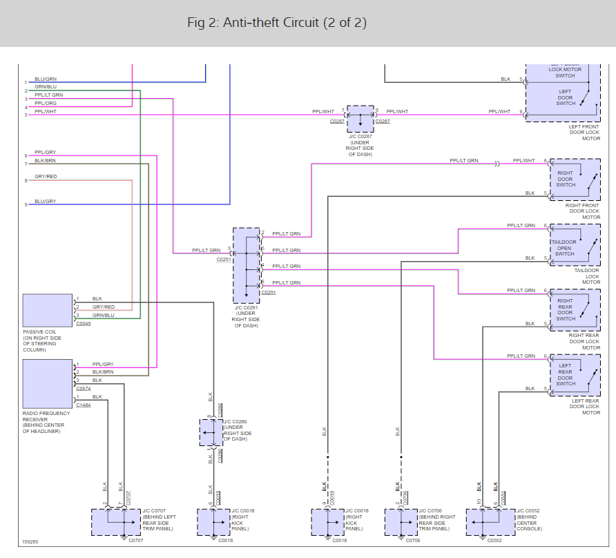
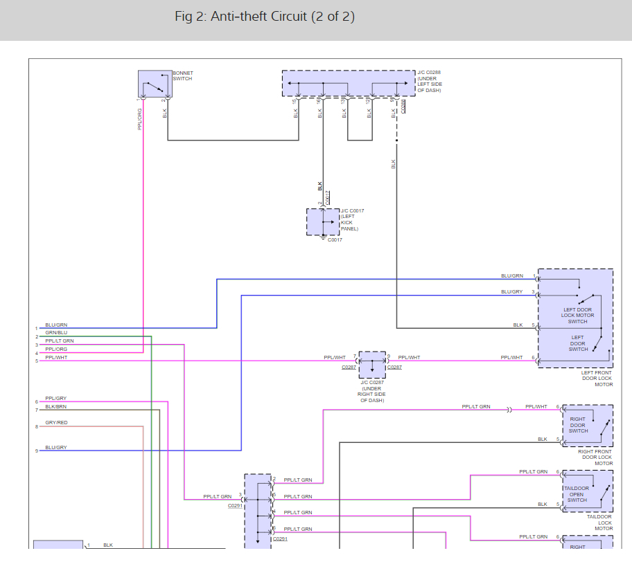
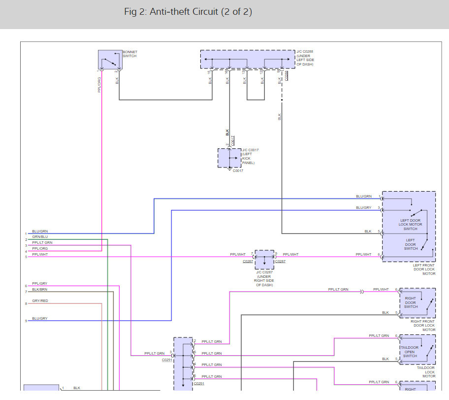
First lets check the fuses # 13, 29, 23, 13, and 2 all which run the security system. Also, if the protocol becomes locked due it an open switch it can cause the system to lock. I would remove the battery cable from negative side, then touch it to the positive battery terminal for one minute it will discharge the capacitors and reboot the system (hard reboot). Here is a guide to check the fuses and the location of the fuses in your car with the security wiring diagrams so you can see how the system works:

https://www.2carpros.com/articles/how-to-check-a-car-fuse

Check out the diagrams (below). Let us know what happens and please upload pictures or videos of the problem.

Cheers, Ken
Sep 5, 2018 at 3:05 PM
Avatar
SHAWN O SEALES
  • MEMBER
  • 5 POSTS
Hi Ken, thanks again. I will check it first thing in the morning and get back to you ASAP. I sure hope this works.
Sep 5, 2018 at 4:23 PM
Avatar
STRAILER
  • CERTIFIED EXPERT
  • 53,854 POSTS
Please let us know. ;)
Sep 6, 2018 at 10:16 AM
Avatar
SHAWN O SEALES
  • MEMBER
  • 5 POSTS
Good day. Sorry about this late response. The diagrams you sent were helpful I was able to identify the relevant fuses. In the engine compartment fuse box fuse number one which is the fuse for the injectors and fuse number two the one for the management are good, but I am not get power to them. I have attached two videos hopefully there are clear enough. Thanks again for your efforts.
Sep 9, 2018 at 6:05 AM
Avatar
STRAILER
  • CERTIFIED EXPERT
  • 53,854 POSTS
Thanks for the videos. Does the engine have spark and if so will it run on starter fluid?
Sep 9, 2018 at 12:28 PM