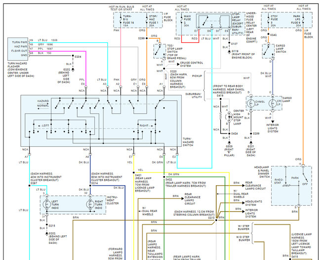
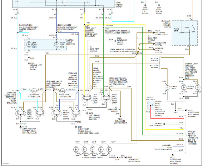
I recently bought this 98 c1500 4.3 5 speed manual. My main brake lights do not work, but the third brake light does. I have changed the brake light switch, multifunction switch, headlight switch, tail light circuit boards and bulbs, and the tail light wiring harness. I started digging into the wiring recently and found that I do have constant 12 v to the relay, signal from the switch to the relay, and signal from the relay back to the firewall via the light blue wire.
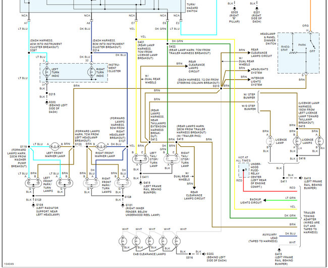
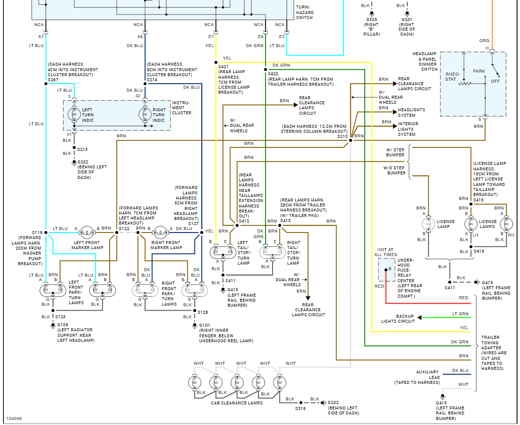
I do not have signal at the multifunction switch. I disconnected the firewall bulkhead to inspect it for damage and there was none. I did find that the light blue wire turns to a dark green wire and runs back through the bulkhead. It then goes along the left hand fender towards the core support. I reconnected the bulkhead and pushed power through the light blue wire and picked it up at that green wire.
I am suspicious that the wiring harness in side the cab has been changed. I'm hoping to get confirmation on that, and help finding a path forward from here. I've seen some pinouts of the bulkhead and am concerned that it's got a suburban harness swapped into the cab.
I do not have signal at the multifunction switch. I disconnected the firewall bulkhead to inspect it for damage and there was none. I did find that the light blue wire turns to a dark green wire and runs back through the bulkhead. It then goes along the left hand fender towards the core support. I reconnected the bulkhead and pushed power through the light blue wire and picked it up at that green wire.
I am suspicious that the wiring harness in side the cab has been changed. I'm hoping to get confirmation on that, and help finding a path forward from here. I've seen some pinouts of the bulkhead and am concerned that it's got a suburban harness swapped into the cab.
Nov 18, 2025 at 7:13 AM

