Taillight bulbs

2007 CADILLAC DEVILLE DTS
100,000 MILES
Avatar
CAHAMPTON
  • MEMBER
  • 1 POST
i just received a reject sticker; he cited a small taillight bulb and greenish bulb for the front.
Feb 3, 2020 at 12:47 PM
Advertisement
Avatar
KASEKENNY
  • CERTIFIED EXPERT
  • 18,907 POSTS
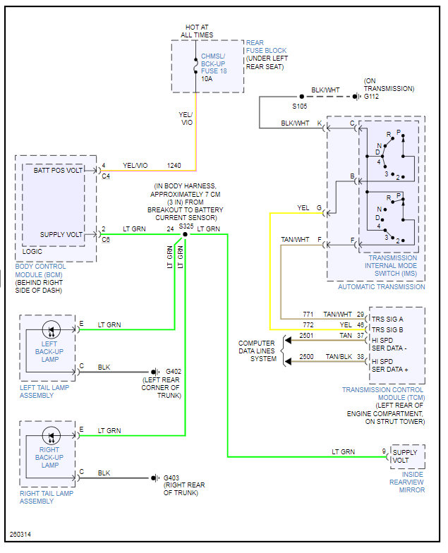
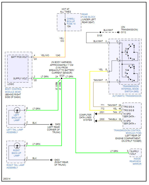
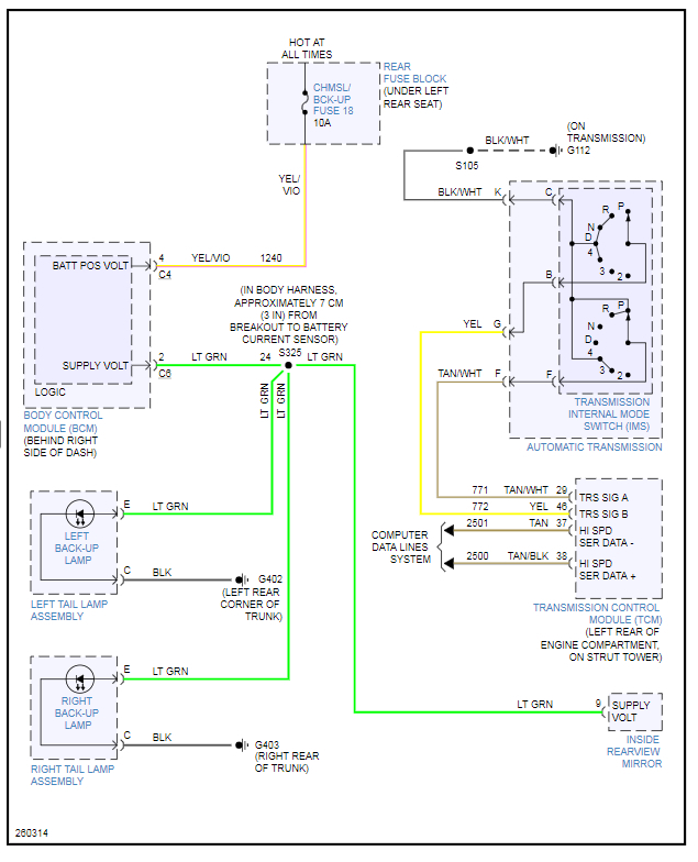
So do you just need the info to replace the bulbs? If so I attached the procedures. The tail lamps should just pop out one you more the trim panels from inside the trunk. However, I did not include the bulb in the front because I am not sure what the greenish bulb is. Can you get a picture of it and I will send you the process for it as well. Thanks
Feb 3, 2020 at 7:01 PM