electric cooling fans not working

1995 BUICK ROADMASTER
Avatar
WALT SARKOZY
  • MEMBER
  • 2 POSTS
Electrical problem V8 Two Wheel Drive Automatic 140000 miles

primary fan comes on with ac on. Secondary fan not coming on at all. Relays and fuses are good. Temperature switch replaced. Could the ecm be bad? THANKS!
Jul 9, 2010 at 10:46 PM
Advertisement
Avatar
BLUELIGHTNIN6
  • CERTIFIED EXPERT
  • 16,542 POSTS
the fan's motor is more likely to be bad then the computer, test the motor by supplying 12v direct power to it.
Jul 9, 2010 at 10:52 PM
Avatar
WALT SARKOZY
  • MEMBER
  • 2 POSTS
yes both motors work when connected to the 12 volts. Its strange that the the primary fan comes on only when the ac is on. The secondary fan is supposed to do that but the secondary fan is not coming on at all. Thanks!
Jul 10, 2010 at 5:51 PM
Advertisement
Avatar
CHARLES NOBLE
  • MEMBER
  • 1 POST
I hooked up a engine cooling fan switch to a pink ignition wire under the dash with the fan on when I turn the motor off it wants to keep running
Jul 17, 2017 at 4:00 PM
Avatar
STRAILER
  • CERTIFIED EXPERT
  • 53,854 POSTS
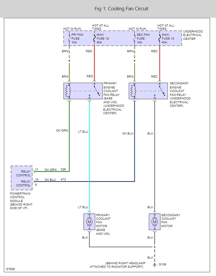
Hello,

I would just connect the fans correctly to solve the problem. Here is some guides and a wiring diagram (below) that will help you get the job done.

https://www.2carpros.com/articles/how-to-check-a-car-fuse

and

https://www.2carpros.com/articles/how-to-use-a-test-light-circuit-tester

and

https://www.2carpros.com/articles/how-to-check-an-electrical-relay-and-wiring-control-circuit

Please let us know what you find.

Cheers, Ken
Jul 18, 2017 at 10:32 AM