say I need a new ABS module

2005 BUICK RENDEZVOUS
Avatar
ARTHUR MONTGOMERY
  • MEMBER
  • 1 POST
My ABS light came on so I took it in they say I need a new ABS module but I want to do the repair myself can you help me please?
Sep 4, 2010 at 8:37 AM
Advertisement
Avatar
ASEMASTER6371
  • CERTIFIED EXPERT
  • 52,796 POSTS
Good afternoon,

I attached the procedure for you below with some pictures for the repair.

https://www.2carpros.com/articles/how-to-replace-a-abs-controller

After installing, you will need it programmed to your cars VIN in order to work.

Roy

Electronic Brake Control Module (EBCM) Replacement
Removal Procedure

Caution: Refer to Brake Fluid Irritant Caution in Service Precautions.

Notice: Refer to Brake Fluid Effects on Paint and Electrical Components Notice in Service Precautions.

Notice: Always connect or disconnect the wiring harness connector from the EBCM/EBTCM with the ignition switch in the OFF position. Failure to observe this precaution could result in damage to the EBCM/EBTCM.

1. Turn the ignition switch to the OFF position.
2. Remove the air cleaner housing from the engine compartment.


imageOpen In New TabZoom/Print


3. Disconnect the electronic brake control module (EBCM) harness connector.
4. Brush off any dirt/debris that has accumulated on the assembly.
5. Disconnect the pump motor connector (3) at the bottom of the EBCM.


imageOpen In New TabZoom/Print


6. Important:
^ Do not damage the seal by prying the EBCM from the brake pressure modulator valve (BPMV).
^ Do not damage the solenoid valves while removing the EBCM from the BPMV.

Remove the 6 EBCM to BPMV screws (2).


imageOpen In New TabZoom/Print


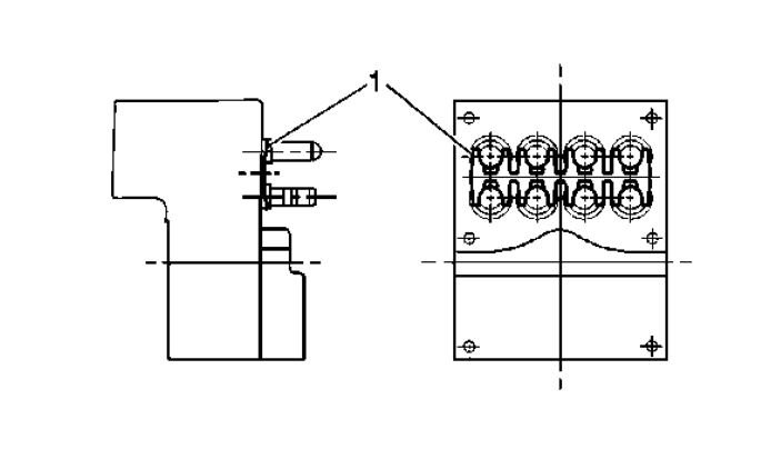
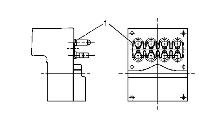
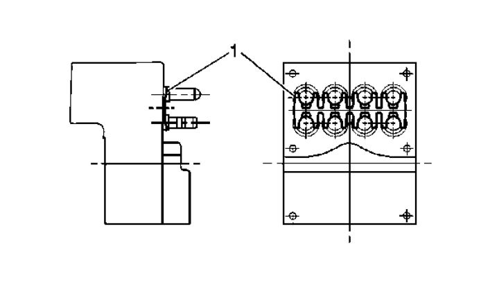
7. Separate the EBCM from the BPMV by gently pulling apart until separated (1).

Installation Procedure


imageOpen In New TabZoom/Print


1. Important: Use only new wave springs and screws supplied with the new EBCM.

Clean the BPMV surface with alcohol using a clean towel.
2. Install the EBCM (1) to the BPMV.

3. Notice: Refer to Fastener Notice in Service Precautions.

Install the 6 screws that attach the EBCM to the BPMV.
^ Tighten the top 4 mounting screws to 5 Nm (44 inch lbs.). Tighten screws in an X pattern.
^ Tighten the bottom 2 mounting screws to 5 Nm (44 inch lbs.).
^ Connect the pump motor connector to the bottom of the EBCM.


imageOpen In New TabZoom/Print


4. Connect the EBCM harness connector and depress the locking tab (1) to secure.
5. Install the air cleaner housing.
6. Turn the ignition switch to the RUN position, do not start engine.
7. Perform the Diagnostic System Check - Vehicle. See: Vehicle > Initial Inspection and Diagnostic Overview > Diagnostic System Check - Vehicle
Mar 9, 2021 at 10:57 AM