Engine Mechanical problem 6 cyl Front Wheel Drive Automatic 70000 miles
----------------------------------------------------------------
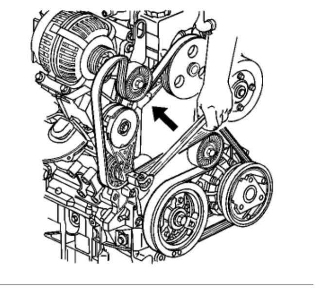
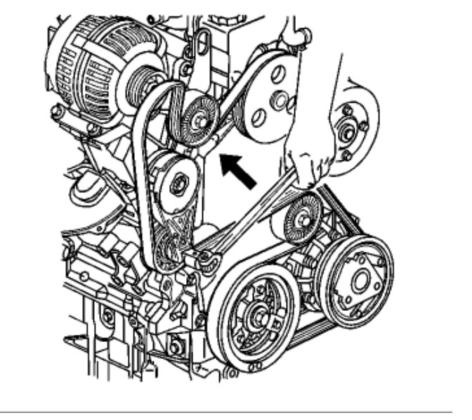
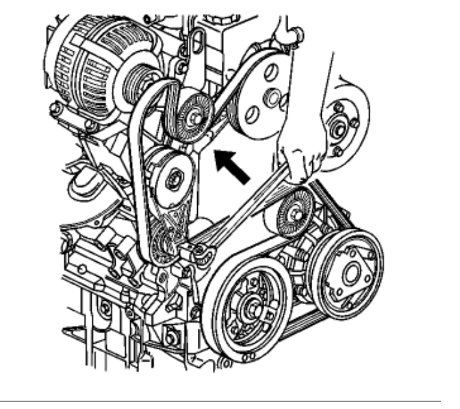
I would like to know how to change the serpentine belt on my rendezvous. It has the 3400 sfi v6 engine. Is there an automatic belt tensioner I can loosen to get the belt off? Thanks for the help.
----------------------------------------------------------------
I would like to know how to change the serpentine belt on my rendezvous. It has the 3400 sfi v6 engine. Is there an automatic belt tensioner I can loosen to get the belt off? Thanks for the help.
Aug 5, 2008 at 1:53 PM







