Electrical problem 6 cyl All Wheel Drive Automatic 60000 miles
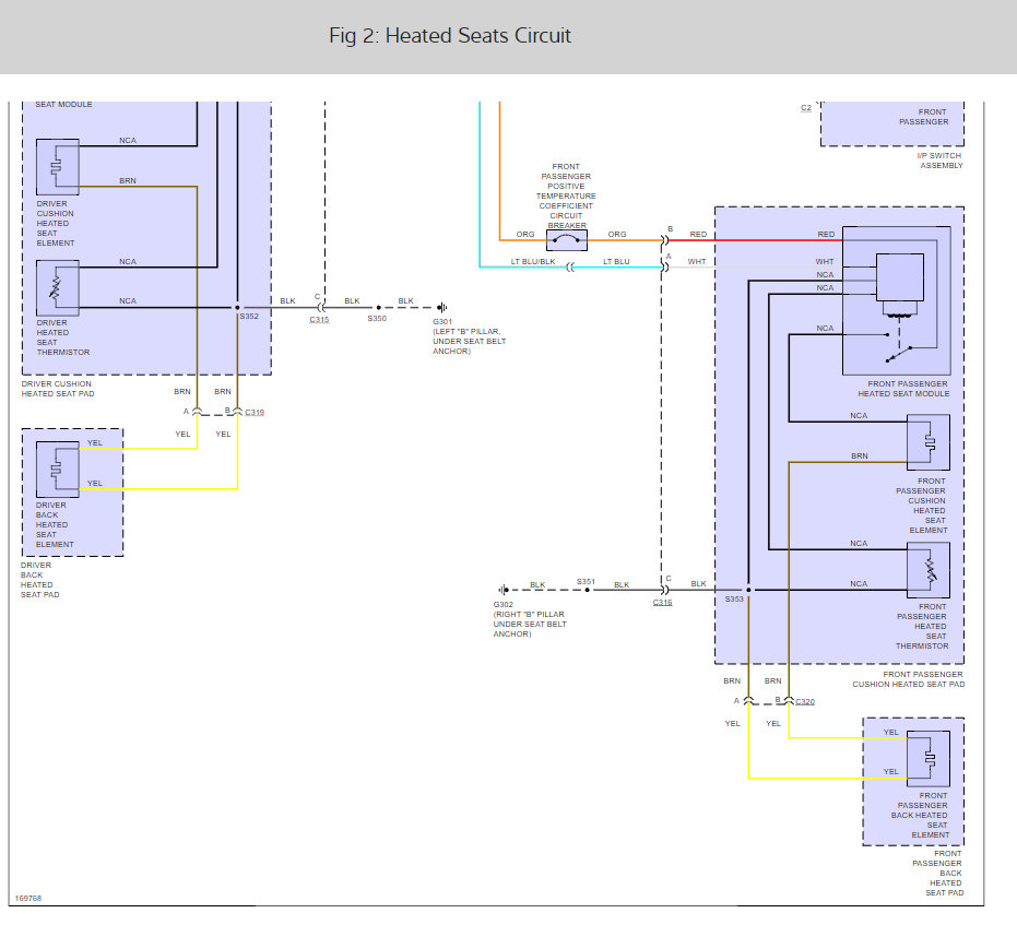
Im pretty much a car idiot, but was hoping to get some advice. Recently, my 2003 Buick Rendezvous, heated seats just stopped working. No light on panel switch button and no heat from seats.
Could this be as simple as a fuse? Or has anyone else experienced this same problem? Any input would be welcome.
Thanks
Im pretty much a car idiot, but was hoping to get some advice. Recently, my 2003 Buick Rendezvous, heated seats just stopped working. No light on panel switch button and no heat from seats.
Could this be as simple as a fuse? Or has anyone else experienced this same problem? Any input would be welcome.
Thanks
Nov 28, 2008 at 10:36 AM











