back up lights not working

2003 BUICK REGAL
47,000 MILES • 6 CYL • FWD • AUTOMATIC
Avatar
DLITTLEF
  • MEMBER
  • 1 POST
i don't have any back=up light i can't find a fuse for the back up lights nor do i know where the back up switch is on the transaxle any ideas
Jan 16, 2010 at 3:35 PM
Advertisement
Avatar
RASMATAZ
  • CERTIFIED EXPERT
  • 75,992 POSTS
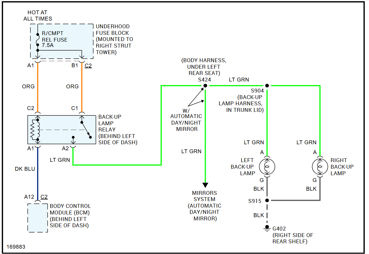
Check fuse R/CMPT REL 7.5 amp in under hood fuse block mounted to right strut tower and back-up lamp relay is behind left side of dash. Check out the images (below). Please let us know what happens.
Jan 16, 2010 at 3:43 PM
Avatar
SKELETOR82
  • MEMBER
  • 1 POST
Ty razmataz! Merry Christmas
Dec 24, 2019 at 11:51 AM
Advertisement
Avatar
STEVE W.
  • CERTIFIED EXPERT
  • 15,113 POSTS
You are welcome. Thank you for using 2CarPros
Dec 25, 2019 at 4:54 AM