6 cyl Two Wheel Drive Automatic
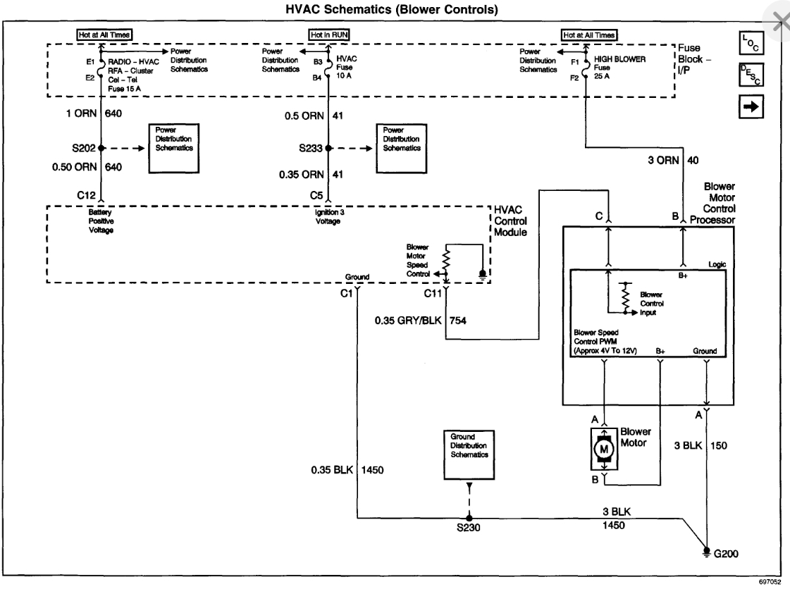
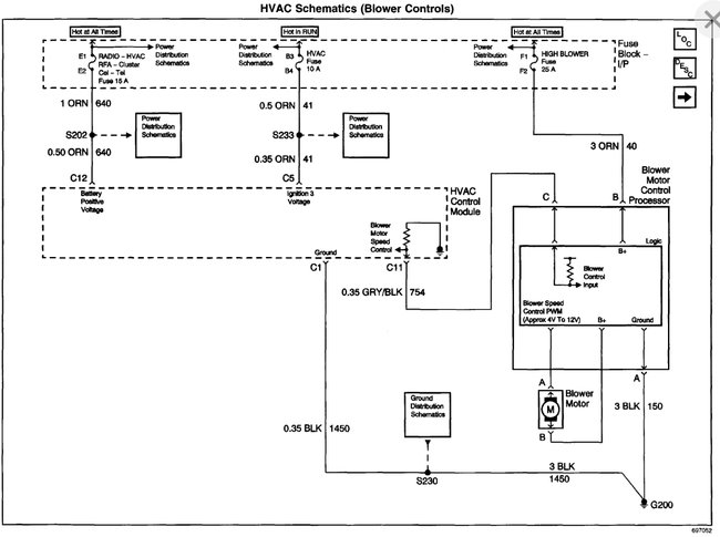
2001 buick regal blower motor works intermittently. Found burnt blower motor resistor. Installed new resistor. Still only works intermittently. I have 4.5 volts at blower motor.
2001 buick regal blower motor works intermittently. Found burnt blower motor resistor. Installed new resistor. Still only works intermittently. I have 4.5 volts at blower motor.
Jun 20, 2009 at 9:19 PM
