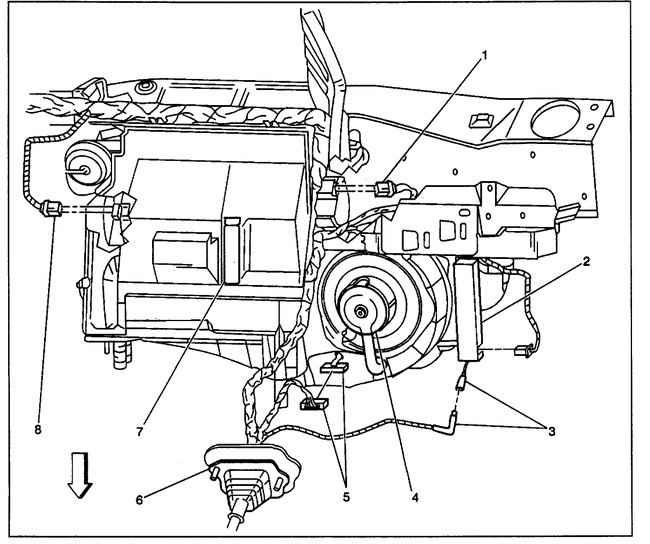
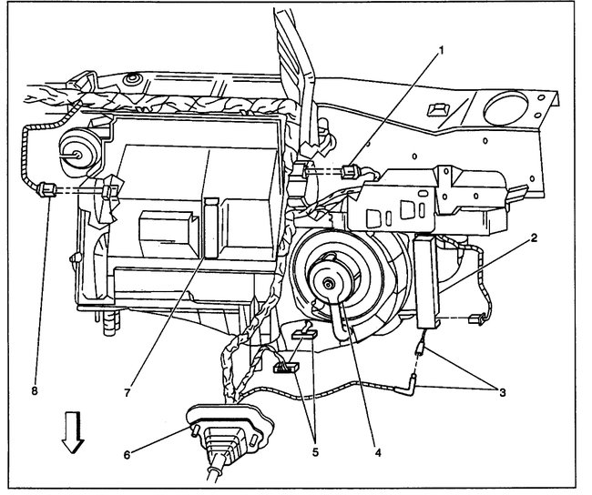
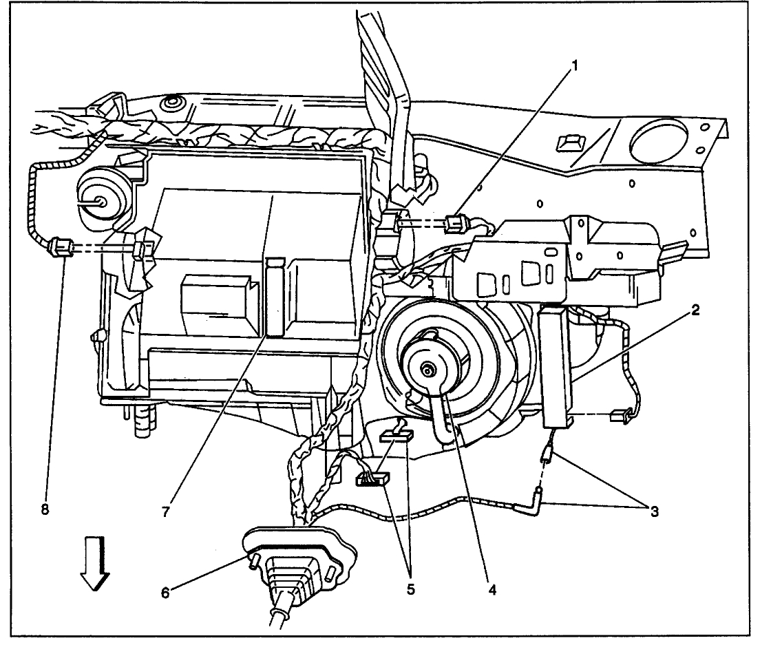
On my 99 buick regal the air conditioning blows cool air from the two right vents and warm air from the two left vents. I have done some research and almost everything leads to the blend door actuator. My question is first what is your opinion and second could it be the froen and third where can I find a diagram to replace the blend door if this is the problem. Also could it possibly be anything other than the blend door?
Thanks
Johnny
Thanks
Johnny
May 27, 2008 at 9:24 PM

