6 cylinder Automatic 170,00 miles.
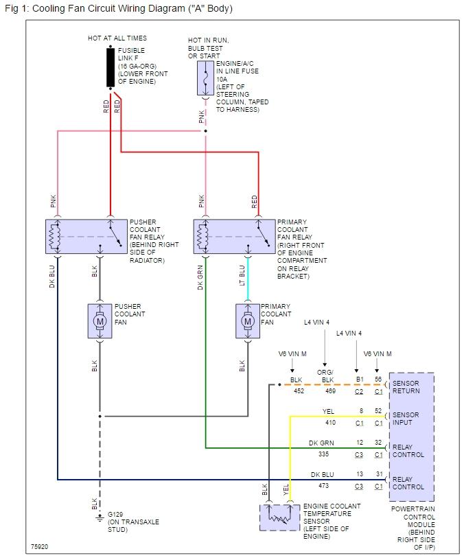
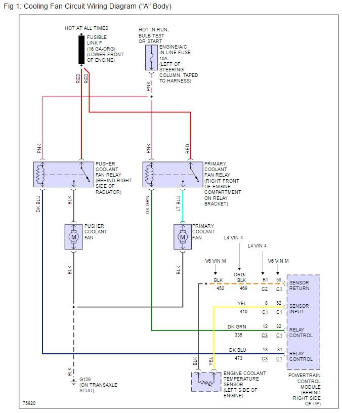
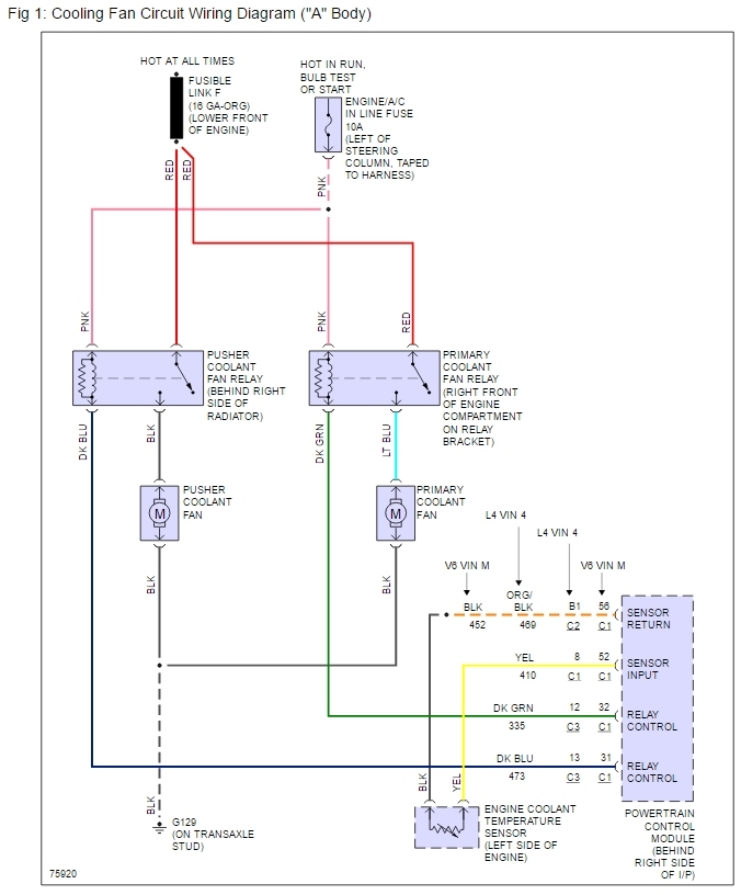
I have a 1996 Buick Regal Grand Sport. I am trying to replace the coolant fan relay switch (5 pins) and I just cannot seem to locate where it goes! Any help would be greatly appreciated!
I have a 1996 Buick Regal Grand Sport. I am trying to replace the coolant fan relay switch (5 pins) and I just cannot seem to locate where it goes! Any help would be greatly appreciated!
Sep 10, 2010 at 3:34 PM














