turn signal flasher

1998 BUICK PARK AVENUE
127,111 MILES • 6 CYL • FWD • AUTOMATIC
Avatar
TRINNIN
  • MEMBER
  • 1 POST
my turn signals do not work but my hazerd lights do,i changed my turn signal switch and checked my fuses so now i think its the relay.but i cannot locate the relay in any of the fuse boxes and its not visiable under the dash where should i look for this modol.
Mar 23, 2008 at 1:26 PM
Advertisement
Avatar
RASMATAZ
  • CERTIFIED EXPERT
  • 75,992 POSTS
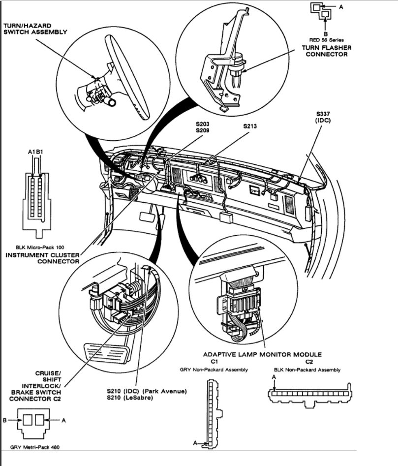
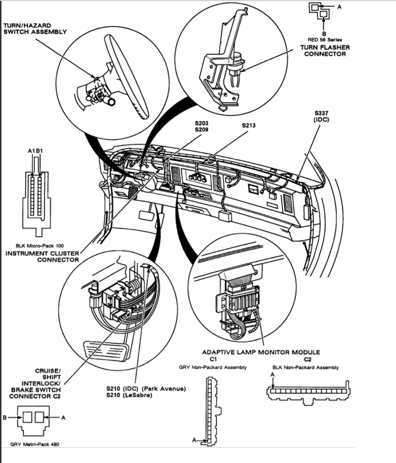
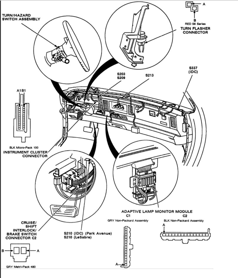
The turn signal flasher is located behind the dash right of steering column carrier

See the guide below on testing the wiring

https://www.2carpros.com/articles/how-to-check-wiring

The wiring diagrams and flasher location are attached below
Mar 23, 2008 at 1:34 PM
Avatar
DAVIDDANSKER
  • MEMBER
  • 1 POST
how do I access turn signal flasher module on 2001 Park Avenue Buick? have taken nearly all dashboard parts off, can't get to it under or over. Have new part, know what it looks like, cant see it.
Oct 23, 2018 at 6:10 PM (Merged)
Advertisement
Avatar
DOCFIXIT
  • CERTIFIED EXPERT
  • 18,828 POSTS
located right of steering column near hold bracket
Oct 23, 2018 at 6:10 PM (Merged)
Avatar
ROY SAVASTA
  • MEMBER
  • 1 POST
David, to access the flasher, remove the stop light switch and cruise control brake switch, pull down the plastic cover that surrounds the three wire connectors directly behind the brake switch. Next, pull down the two black plastic blocks that the three wire connectors are plugged into. The flasher, believe it or not, is above these two blocks. Lots of luck
Oct 23, 2018 at 6:10 PM (Merged)
Avatar
CADIEMAN
  • CERTIFIED EXPERT
  • 3,544 POSTS
there is a clip on the right side of the column like doc said its round with yollow rings on it.
Oct 23, 2018 at 6:10 PM (Merged)
Avatar
91BPA
  • MEMBER
  • 2 POSTS
The turn signal lights on my 1991 Buick Park Avenue do not work. I believe I need to replace the turn signal flasher (relay), but I cannot locate it. Can you tell me precisely where the flasher (relay) is located? (I've seen some "hints," i.e., under the dash, driver's side, etc., but I need to know EXACTLY where it is located, please.)
Oct 23, 2018 at 6:10 PM (Merged)
Avatar
STRAILER
  • CERTIFIED EXPERT
  • 53,854 POSTS
Hello,

The turn signal flasher is located under the dash on the drivers side here is a diagram of the location. It is tucked by the drivers kick panel.

Check out the diagram (Below)

Please let us know if you need anything else to get the problem fixed.

Cheers
Oct 23, 2018 at 6:10 PM (Merged)
Avatar
2CP-ARCHIVES
  • MEMBER
  • 4,540 POSTS
Where is the blinker flasher located
Oct 23, 2018 at 6:10 PM (Merged)
Avatar
ASEMASTER6371
  • CERTIFIED EXPERT
  • 52,796 POSTS
under left side of dash between the steering column and the center

Roy
Oct 23, 2018 at 6:10 PM (Merged)
Avatar
ANGIE1665
  • MEMBER
  • 1 POST
i need to find the location of the flasher so my blinkers will work
Oct 23, 2018 at 6:10 PM (Merged)
Avatar
RASMATAZ
  • CERTIFIED EXPERT
  • 75,992 POSTS
Its behind dash on left side of steering column brace sorry no pic location.
Oct 23, 2018 at 6:10 PM (Merged)
Avatar
CW_JEFFRIES
  • MEMBER
  • 1 POST
I have the same issue as some others...driver-side and 4-way flashers work great, passenger-side flasher does not work at all.

If this is a flasher unit problem, how do I get to it?

Thanks!
Oct 23, 2018 at 6:10 PM (Merged)
Avatar
RASMATAZ
  • CERTIFIED EXPERT
  • 75,992 POSTS
Try checking it-its located behind dash right of steering column carrier
Oct 23, 2018 at 6:10 PM (Merged)
Avatar
WIZARD071
  • MEMBER
  • 1 POST
do have a blow up & instructions on how to remove the turn signal module on this buick. Also how to remove & replace the turn signal switch. The turn signal will not flash on the right side but will flash on the left side , also the 4 ways flash ok. Thanks
Oct 23, 2018 at 6:10 PM (Merged)
Avatar
REPS4BPAV
  • MEMBER
  • 2 POSTS
I am having the exact same problem. left turning works but right does not. Bulbs are okay - emergency flasher works and lights come on with light switch(parking and headlights).

Can anyone tell me how to get to the signal flasher switch under the instrument panel? I read that the flasher switch could be the problem.
Oct 23, 2018 at 6:10 PM (Merged)
Avatar
KELLY STAMM
  • MEMBER
  • 1 POST
I think I did this backwards.....I donated $20 thru PayPal before I registered to ask a question....not sure my donation will show up now.

I recently acquired a '99 Buick Park Avenue 2nd hand and I absolutely love its performance and the immaculate leather interior; I am just frustrated with having no turn signals.

Within 48 hrs. of getting the car, we noticed that the LEFT signal wouldn't flash; just stayed on constant. And when we'd park the car and turn the ignition off, the left turn lights stayed on solid which would have run the battery down had we not pulled the fuse under the hood, passenger side.

We inspected the bulbs/lamps. All seemed to be good, but we didn't change them. Reading a couple of posts on this sight makes me wonder if that would help.

What we did do was acquire a used turn signal assembly from a salvage yard, installed it and all seemed to work. Within 24 hrs. it was doing the same thing again.....we assume it has burned up these 2 turn signal assemblies.

I love this car and my husband is saying "trade it off" and so is my son, but I want to get another opinion before I give it up.

Thank you for your help! Kelly Stamm
Oct 23, 2018 at 6:10 PM (Merged)
Avatar
RASMATAZ
  • CERTIFIED EXPERT
  • 75,992 POSTS
Check the turn signal flasher its behind the dash right of steering column carrier.
Oct 23, 2018 at 6:10 PM (Merged)
Avatar
TERRIBLESWEDE3
  • MEMBER
  • 1 POST
My turn signal flasher was running slower and slower, then stopped completly. Should I and how do I replace the flasher?
Michael in KC
Oct 23, 2018 at 6:10 PM (Merged)
Avatar
BLUELIGHTNIN6
  • CERTIFIED EXPERT
  • 16,542 POSTS
the flasher is most likely at faulty, yes. it is replaced by disconnecting it from it's wiring connector and installing new one. the flasher is located on the left kick panel.
Oct 23, 2018 at 6:10 PM (Merged)
Avatar
ASHLEYMCCOY
  • MEMBER
  • 3 POSTS
The tail lights, left signal lights, and interior lights on my 1999 buick park avenue don't work. What may be the problem?
Oct 23, 2018 at 6:10 PM (Merged)
Avatar
KHLOW2008
  • CERTIFIED EXPERT
  • 41,814 POSTS
Start by checking for blown fuses.
Oct 23, 2018 at 6:10 PM (Merged)
Avatar
ASHLEYMCCOY
  • MEMBER
  • 3 POSTS
I've checked the fuses. There fine.
Oct 23, 2018 at 6:10 PM (Merged)
Avatar
KHLOW2008
  • CERTIFIED EXPERT
  • 41,814 POSTS
By interior lights do you mean the dash and other illuminations? Does it include the courtesy and dome lights?

For the left turn signals, do any of exterior bulbs lights up or none at all? Does turning on the hazard lights make them work?

For the fuses, apart from underhood there is one fuse block under the dash.

All these are linked to the Lamp Control Module, behind left side of dash, right of steering column.
Oct 23, 2018 at 6:10 PM (Merged)
Avatar
ASHLEYMCCOY
  • MEMBER
  • 3 POSTS
The lights on the dash, like were the speed is don't work. My brake lights work and my right side turn signal and hazard lights work. But only the brake lights work on the left side. But the tail lights don't work period.
Oct 23, 2018 at 6:10 PM (Merged)
Avatar
KHLOW2008
  • CERTIFIED EXPERT
  • 41,814 POSTS
For the stop lights, check the bulb. Test for battery voltage to the Light Blue wire. This wire is linked to each othere between right and left.

Dash illuminations and taillights shares the same circuit and gets its power supply from the Lamp Control Module (LCM). Test the LCM Brown wire for battery voltage when taillights are turned on.

If all lights works correctly when hazard lights are turned on, the left not working could be due to a faulty turn signal switch.


Oct 23, 2018 at 6:10 PM (Merged)