Rear defogger does not work, fuse is not blown

1998 BUICK PARK AVENUE
Avatar
SGRTSMILEY
  • MEMBER
  • 3 POSTS
What else could it be?
Dec 15, 2008 at 5:25 PM
Advertisement
Avatar
SQM
  • CERTIFIED EXPERT
  • 6,383 POSTS
Hello,

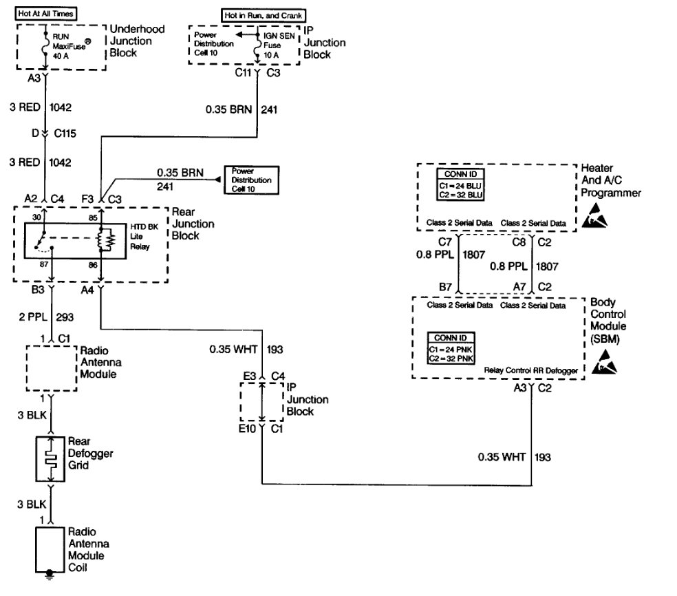
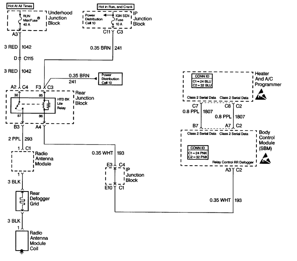
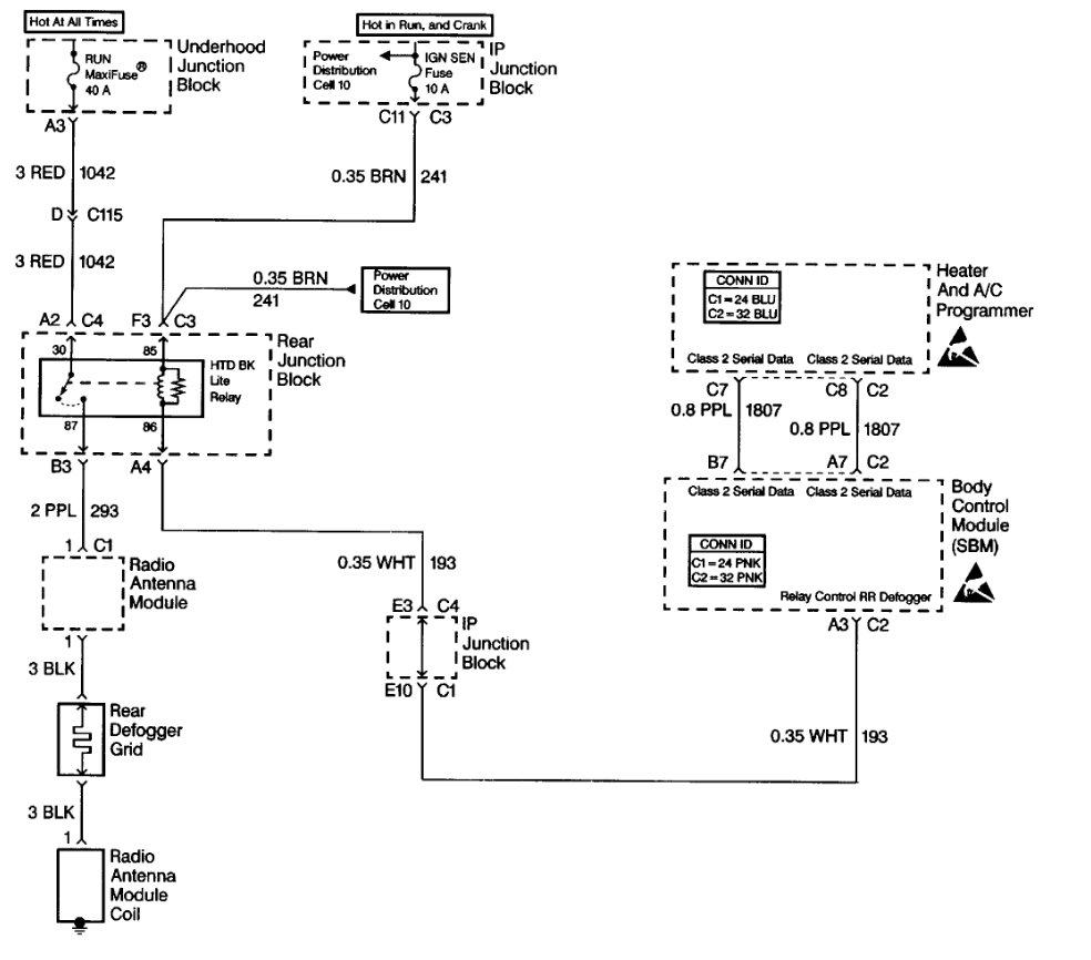
There is a relay for the rear defogger located under the rear seat. Check that relay and make sure it is in working order. Look for any corrosion or burnt pin.

Here is a guide on how to test relays:

https://www.2carpros.com/articles/how-to-check-an-electrical-relay-and-wiring-control-circuit

If the relay is good, you will need to check to see if there is power to the harness for the defogger. Verify that the power is going to the relay and out of the relay. If there is no power to the harness then the issue is likely a shorted wire.

https://www.2carpros.com/articles/how-to-check-wiring

I have attached the wiring schematics for the rear defogger below.

Please let me know if you have any questions.
Thank you.
Nov 30, 2021 at 2:02 PM