Key-less remote not working properly

2007 BUICK LUCERNE
18,000 MILES • 6 CYL • FWD • AUTOMATIC
Avatar
PAUL61
  • MEMBER
  • 1 POST
My Key-less remote only works for thirty seconds after you open or close a door. What is the problem?
Mar 20, 2009 at 12:18 PM
Advertisement
Avatar
MUCHA
  • MEMBER
  • 5 POSTS
Hello,

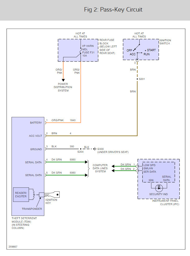
It sounds like the drivers door module is out. This happens because of the shock when closing the door multiple times. Here is the wiring diagrams for the security system so you can see how it works (below). The module is located inside the drivers door and will need to be initialized before it will work should cost about $130.00 at a shop to have done. Check out the diagrams (below). Please let us know what happens.

Cheers
Jul 14, 2009 at 4:48 AM
Avatar
BRIAN 1
  • CERTIFIED EXPERT
  • 1,030 POSTS
Before you waste time replacing the remote, replace the remote control door lock receiver and antenna, very common problem. Some customers may comment about one or more of the following conditions:

*The remote keyless entry (RKE) transmitters will not program, function and/or the RKE transmitter low battery message is displayed.

*The Service Tire Monitor System message is displayed.

*The new RKE transmitter cannot be programmed.

*The remote keyless entry (RKE) and/or remote vehicle start (RVS) transmitter has poor range.

Any of these concerns may be caused by an internal fault with the transmitters and/or the Remote Control Door Lock Receiver (RCDLR) software/hardware. Replace the RCDLR module and the RCDLR antenna .
Jul 14, 2009 at 9:21 PM
Advertisement
Avatar
NAANDERS
  • MEMBER
  • 1 POST
I wish I came across this post earlier. I just paid $670.00 to have the DCM replaced. DOH!
Sep 4, 2018 at 4:53 PM
Avatar
RRJAM
  • MEMBER
  • 1 POST
My car doesn't respond to the key fob anymore I changed the battery replaced the remote still nothing...
Jul 28, 2021 at 2:43 PM (Merged)
Avatar
DANNY L
  • CERTIFIED EXPERT
  • 5,648 POSTS
Hello, I'm Danny.

I would try to reprogram the key fob itself. Here is the tutorial showing how to do so:

https://www.2carpros.com/articles/how-to-re-program-a-key-remote-fob

Let us know what happens and we'll go from there. Hope this helps and thanks for using 2CarPros.

Jul 28, 2021 at 2:43 PM (Merged)