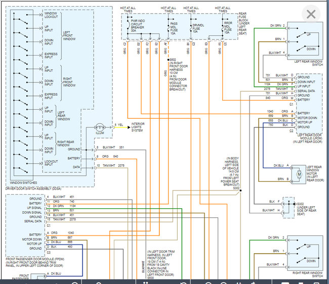
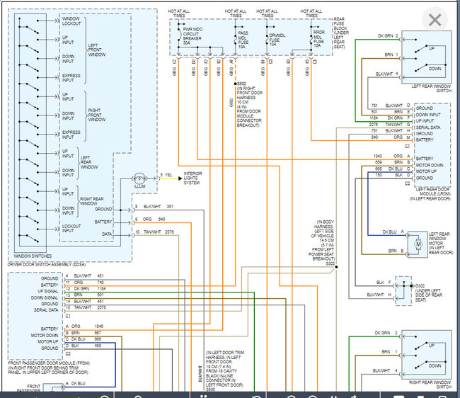
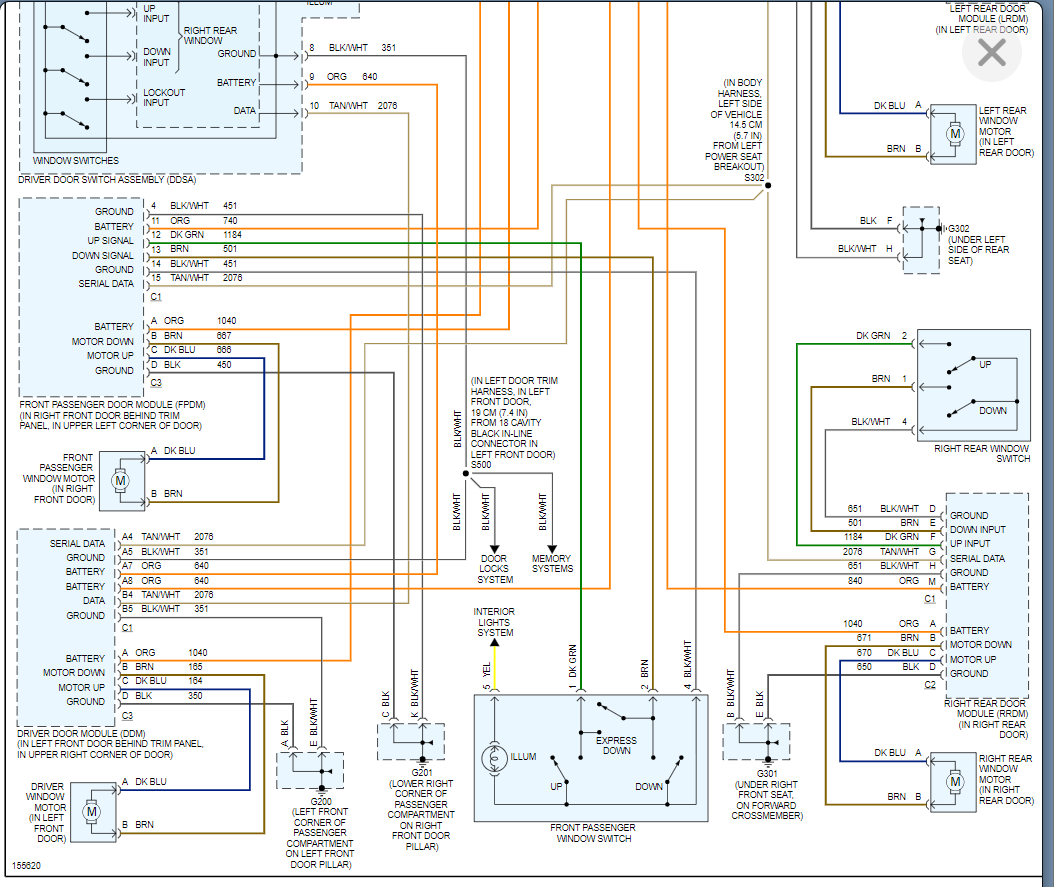
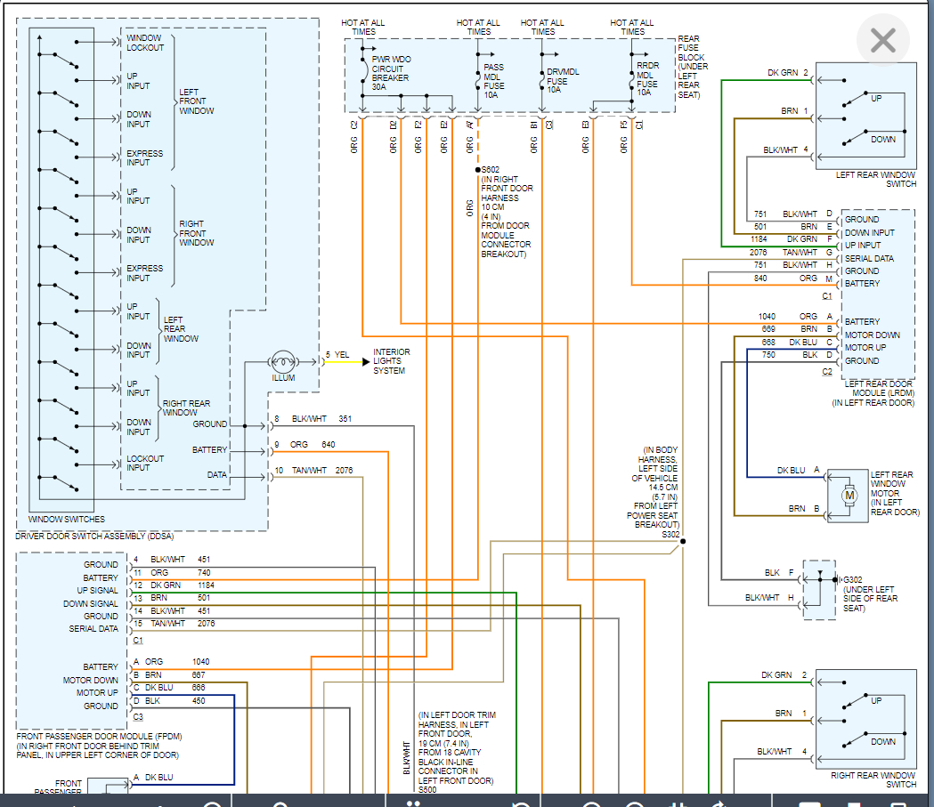
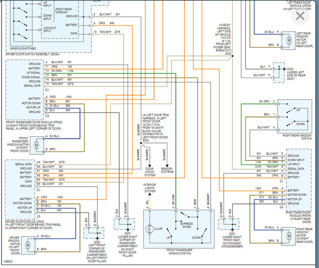
hello my name is ronnie and i have a 2002 buick lesabre and the window on the right side will not work and the dos work but the window will not go down it try to i think it is off it track and can you tell me if it is hard to fix and can i do it thank you for your time ronnie
Nov 19, 2008 at 1:40 PM

