climate control module removal instructions

2002 BUICK LESABRE
Avatar
HENRYP
  • MEMBER
  • 1 POST
What is the trick to removing the HVAC lever control unit from the dashboard. One of the illuminating lights ( LED's) burnt out, and I would like to fix it or replace the unit.
Apr 28, 2008 at 3:45 PM
Advertisement
Avatar
DENNYP
  • CERTIFIED EXPERT
  • 1,824 POSTS
HVAC Control Module Replacement Removal Procedure Remove the right instrument panel accessory trim plate. Refer to Instrument Panel Accessory Trim Plate Replacement - Right Side in Instrument Panel, Gages and Console. Pinch the tabs on the A/C control module and pull rearward on the HVAC control module to remove from the instrument panel. Installation Procedure Important: The ignition must be in the OFF position when installing the HVAC control module to ensure proper actuator calibration. Install the HVAC control module into the instrument panel ensuring the tabs are seated into the instrument panel. Install the right instrument panel accessory trim plate. Refer to Instrument Panel Accessory Trim Plate Replacement - Right Side in Instrument Panel, Gages and Console. Important: Do not adjust any controls on the HVAC control module while the HVAC control module is self-calibrating. If interrupted improper HVAC performance will result. The engine must be running for proper calibration to occur. Start the engine and let run for one minute.


https://www.2carpros.com/forum/automotive_pictures/102900_443866_1.jpg

Apr 28, 2008 at 9:51 PM
Avatar
PROCHARLIE
  • MEMBER
  • 1 POST
I have a 2002 LeSabre Limited with a HVAC module that appears not to be operating well. The blend doors will not change when I press the AIR FLOW button, and none of the illuminating lights for the buttons are working, and every time I start the car I have to push the control to OFF then AUTO to get it to come on again. My question is: are all the controls for the HVAC contained withing this module that can be pulled out of the dash easily, or are there other controls somewhere under the dash that control the various vents and the lights in the module? I think the blend doors on this car are all electrically actuated, unlike most other cars that use vacuum actuators - is this correct?
I appreciate any help/advice before I look for a replacement module .
Jan 29, 2017 at 3:17 PM
Advertisement
Avatar
DOCFIXIT
  • CERTIFIED EXPERT
  • 18,828 POSTS
HVAC module is expensive @$ 700 Take to buick dealer have it scanned it will be worth the check out fee to find out what is the problem. Post what they find and will advise
Jan 30, 2017 at 12:52 PM
Avatar
ENGIDENT
  • MEMBER
  • 4 POSTS
The car listed above has dual-zone automatic climate control (all push button.) The control screen is blank. The buttons beep when you press them, but nothing happens; no blower, nothing on screen, and can't hear any blend door actuators etc., moving around. nothing. Not intermittent, just happened for no apparent reason and never came back. Banging on dash and near driver door ground bus didn't help. I have tried two other used control panels (you cannot get them new), one was verified tested/works in another vehicle but both had same results in this car... buttons beep, blank screen, no output. I checked the two HVAC fuses in the under-dash panel... I think one is 10 amp and other 25 amp, both good. The one big HVAC fuse under the hood is good. The only unusual thing about the car is that it had sat for a couple months and the battery was dead. We jumped it off, started fine, and that was when we noticed the HVAC was non-op. It had been working fine for many years before the car was parked. Since then, I have been keeping the car on a battery maintainer and it starts like a new car every time. Any help greatly appreciated!
Mar 22, 2021 at 2:36 PM (Merged)
Avatar
JACOBANDNICKOLAS
  • CERTIFIED EXPERT
  • 110,175 POSTS
Hi,

First, check the ground behind the left kick panel to see if it is good. Since it sat, there could be a corrosion issue. See the attached pic.

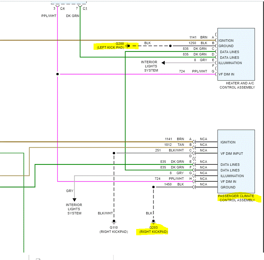
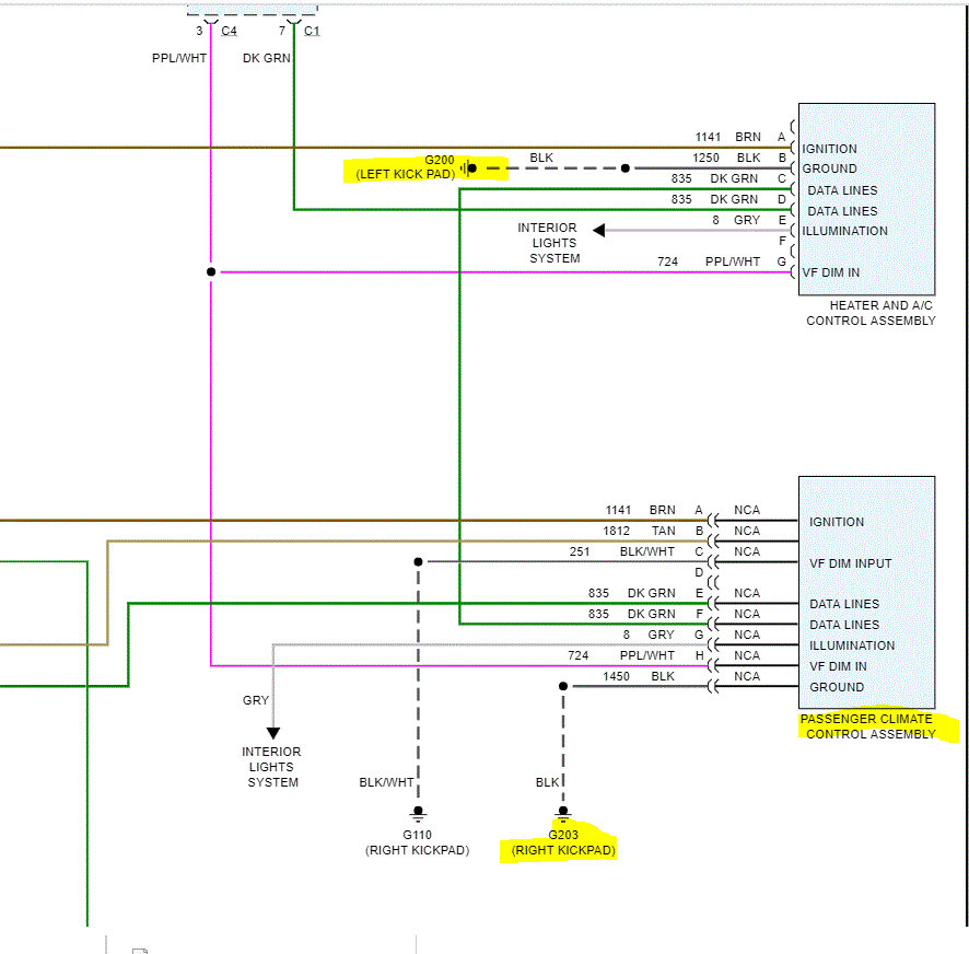
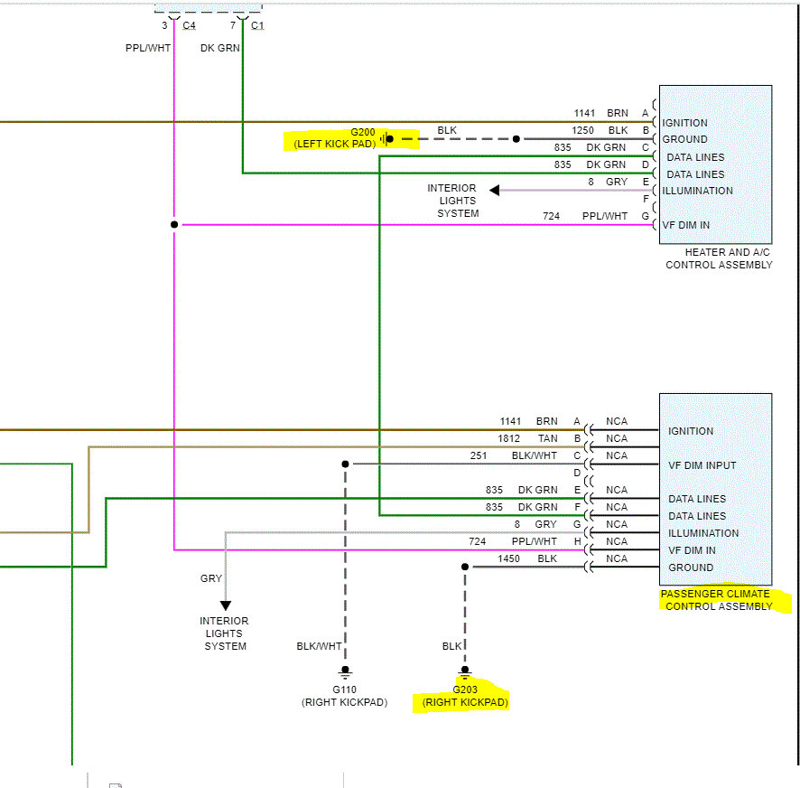
Next, check the fuse in the vehicle. I attached a pic showing the one to check. Also, when looking at pic 2, you will see that fuse sends power the HVAC control unit. So, if there is power at the fuse, you need to check the brown wire at the heater control unit for power. Interestingly, that power supply is spliced. You will see that in pic 2. That splice could be bad.

What you are describing sounds like a weak connection. Make sure the connectors are not corroded or damaged in any way.

Let me know what you find.

Joe
Mar 22, 2021 at 2:36 PM (Merged)
Avatar
ENGIDENT
  • MEMBER
  • 4 POSTS
Joe, thanks so much for your detailed reply. Here is what I found:
Behind the left kick panel (by driver's left foot, where hood release located) I found a ground bolt with two black wires with ring terminals running out of the big wire loom running down under the carpet. I checked continuity between the two ring terminal crimps and another known good ground point with ignition off... good connection. Terminals and bolt clean and shiny, no corrosion on or around.
I checked the 10 amp fuse you circled in the interior fuse panel (position 5A.) It was good, continuity across legs. I removed the passenger climate control assembly (push button panel) and tested the blue connector that connects to the back of that assembly. With ignition off, I checked the brown wire to ground. No voltage. Turned ignition on, checked brown wire again, got 12 volts. Pulled the 10 amp fuse to verify it was the correct one, brown wire showed no voltage with ignition on. So I know I had correct fuse, fuse is good, getting 12v to brown wire at passenger control assembly with ignition on.
I checked the black wire on the blue plug to ground, good continuity. There is no black/white wire as shown on the diagram (going to ground at rt kick), but the others are present.
The one thing I couldn't check was the brown wire to the Heater and A/C Control Assembly, because I do not know where that assembly is located. Do I need to check that wire for 12v? If so, where is that assembly located?
What else can I check?
Thanks again!
Dave
Mar 22, 2021 at 2:36 PM (Merged)
Avatar
JACOBANDNICKOLAS
  • CERTIFIED EXPERT
  • 110,175 POSTS
Hi,

Yes, we need to confirm power to it. That is the unit you operate at the dash. See the attached picture and let me know if you have questions.

Take care,
Joe
Mar 22, 2021 at 2:36 PM (Merged)
Avatar
ENGIDENT
  • MEMBER
  • 4 POSTS
Okay, I was confused by the jargon used on the large drawing. I had the "assemblies" backwards. You're saying the "Heater and A/C Control Assembly" is the main push button dash control. It was the harness at the Heater and A/C Control Assembly that tested good (brown 12V with ignition on, black continuity to chassis ground.) So yes, the power and ground at the main dash control tested good. It is the "Passenger Climate Control Assembly" harness I did not test. Is that just the passenger zone temperature control buttons? Do I need to test that, too? Or where to next? Thanks
Mar 22, 2021 at 2:36 PM (Merged)
Avatar
JACOBANDNICKOLAS
  • CERTIFIED EXPERT
  • 110,175 POSTS
I would suggest confirming power to the passenger zone temperature control. If there is power and ground and it doesn't work, it's bad.

Joe
Mar 22, 2021 at 2:36 PM (Merged)
Avatar
ENGIDENT
  • MEMBER
  • 4 POSTS
To be clear, is this (in the attached photo) what you want me to check? But why would the passenger unit cause the main control unit to totally malfunction? Any suggestions on how to get this thing out? Do I have to take the entire door panel off?
Another question.. I have read that there is a separate "programmer" module in the system somewhere.. Could that be the problem? How do we check that?
Thanks
Mar 22, 2021 at 2:36 PM (Merged)
Avatar
JACOBANDNICKOLAS
  • CERTIFIED EXPERT
  • 110,175 POSTS
Hi,

Yes, I was suggesting it to see if there was power to it. As far as the programmer, that it is the "brain" of the dual air conditioning system. The programmer receives electrical signals from the heater and A/C control assembly, passenger climate control assembly, RH solar sensor, LH solar sensor, ambient temperature sensor, in-vehicle temperature sensor, blower control module, Power-train Control Module (PCM), driver air mix valve actuator and passenger air mix valve actuator. The reason I didn't mention it is because there doesn't seem to be power to the control unit. The programmer receives the signal from the part that isn't working.

I have to be honest, I suspect the control unit itself is bad. If it is getting power and has ground, it should operate.
Mar 22, 2021 at 2:36 PM (Merged)