Gas gauge not working correctly

2004 BUICK CENTURY
Avatar
PUMPKINEATER
  • MEMBER
  • 5 POSTS
I think the floater is bad in it. As mentioned in one of your cases. It's sounds like I have the same problem. The gas needle moves back and fourth. Usually the car appears to be full of gas..when not. Where can I find a how-to book or instructions to fix it myself? Thanks for your help.
Aug 3, 2010 at 11:49 AM
Advertisement
Avatar
BLUELIGHTNIN6
  • CERTIFIED EXPERT
  • 16,542 POSTS
Your vehicle uses a fuel level sensor that is in the fuel tank to operate the fuel level gauge. Follow the steps below to replace it. This video shows the job being done on a similar car but the process is the same.

https://youtu.be/Lhd0vd8pdBU


Let us know what happens and please upload pictures or videos of the problem.
Aug 4, 2010 at 12:56 AM
Avatar
BUICKPRO
  • MEMBER
  • 2 POSTS
Okay people, there is a trap door in the trunk area, you can pop the back of the backseat off and lift the carpet in the trunk. Take out the 10mm bolts holding the cover on.unplug the fuel pump power and sensor plugs. Use fuel disconnect tool or small flat blade screwdriver carefully to disconnect fuel lines. Use snap ring pliers and pop the snap ring off the top of the sending unit. Pull the unit out. There will be a thin metal arm with a plastic float on the end, that is the fuel level sensor. Press the tabs on the level sensor and unmount it from the pump unit. Follow the two wires and unplug the connector. You can purchase the level sensor with arm separately from the entire sending unit and save a lot of money. Installation is in reverse order..Warning] make sure you get the new big o ring for the unit when you put it back into the tank. Its not required but recommended. Also for those having issues with the odometer and gear selector not working, you can take the cluster out and disassemble down to the circuit board, there will be 4 resistors in the upper right corner of the gauge face side, they fall off or lose connection due to poor solder joints. If they are still there, you can reflow the solder and the odometer will work. If they are missing or fell off, clean the contact pads, and resolder four 150ohm 1/2 watt resistors there and it is fixed.
Mar 6, 2021 at 2:24 PM
Advertisement
Avatar
STRAILER
  • CERTIFIED EXPERT
  • 53,854 POSTS
Excellent addition to this thread! Please feel free to use 2CarPros anytime!
Mar 8, 2021 at 6:31 PM
Avatar
  • MEMBER
  • 1 POST
My Buick gas gauge doesn't work correctly.It show full most of the time but also goes to empty to so how do I fix it.
Mar 22, 2021 at 6:13 PM (Merged)
Avatar
STRAILER
  • CERTIFIED EXPERT
  • 53,854 POSTS
Hello,

It sounds like you have a fuel level sender that is out which will cause the fuel gauge to have problems. You have a tap door so you can replace the pump easily.

Check out this guide that will let you see what you are in for doing the job.

https://www.2carpros.com/articles/how-to-replace-an-electric-fuel-pump

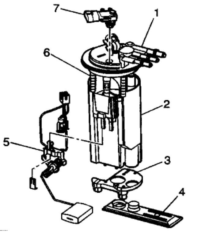
Here is what it will be for your car (below)

Please let us know if you need anything else to get the problem fixed.

Cheers, Ken
Mar 22, 2021 at 6:13 PM (Merged)
Avatar
DOMINIC TITONE
  • MEMBER
  • 1 POST
The fuel gauge is not dependable. Even if the tank is full,if I let the engine for 2-3 minuets the gauge drops to empty and the alarm sounds. Is there an easy access to sending unit in the gas tank ?

Thank you,Dominic
Mar 22, 2021 at 6:14 PM (Merged)
Avatar
STRAILER
  • CERTIFIED EXPERT
  • 53,854 POSTS
Hello,

There is a tap door for the fuel pump and fuel sender. Here is a guide that will show you what you are in for when doing the job. Yours will be easier because of the access hole.

https://www.2carpros.com/articles/how-to-replace-an-electric-fuel-pump

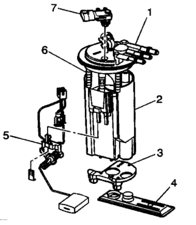
Check out the diagrams (Below)

Please let us know if you need anything else to get the problem fixed.

Cheers, Ken
Mar 22, 2021 at 6:14 PM (Merged)
Avatar
MINIME91746
  • MEMBER
  • 1 POST
the gas gauge registers the correct amount when the car is turned on. However, while driving, the gauge goes over to full. What could be the problem.
Mar 22, 2021 at 6:14 PM (Merged)
Avatar
RICH CRITES
  • CERTIFIED EXPERT
  • 75 POSTS
The fuel level sensor is located in the gas tank. It could be the sensor going bad. You have to drop the gas tank down and remove the fuel pump and sensor from the gas tank. Make sure the gas tank is empty before you do this. Make sure no one is smoking or open flame near you when you do this.
Mar 22, 2021 at 6:14 PM (Merged)
Avatar
ELOHNIL
  • MEMBER
  • 2 POSTS
I got a 2001 Buick Century with 113000 miles. The gas gauge stuck at full allthe times; when I turn the ignition key off the gauge come down to Zero. As soon as i start the engine, the gas gauge shows full regardless of fuel level in the tank. Do you have any ideas how to correct this problem?
Mar 22, 2021 at 6:14 PM (Merged)
Avatar
JACOBANDNICKOLAS
  • CERTIFIED EXPERT
  • 110,175 POSTS
Chances are the rheostat in the fuel tank is bad. It is what determines how much power to send to the gauge. The bad part is not only is it in the tank, but it is also part of the fuel pump assembly.
Mar 22, 2021 at 6:14 PM (Merged)
Avatar
ZAKARIYA
  • MEMBER
  • 1 POST
Gauge either shoots to full, or drops down to empty. Does the sender have anything to do with the gas tank and specifically the FLOATER? I was told the the fuel pump and gas tanks floater is the cause of this issue.
Mar 22, 2021 at 6:15 PM (Merged)
Avatar
STRAILER
  • CERTIFIED EXPERT
  • 53,854 POSTS
Hey ZAKARIYA,

There is a fuel level module which is the BCM that could be bad, let's try to unplug the harness to the tank and see if it drops down to zero. That would indicate a bad sender which is the most common cause.

Here is what you are in for when changing the fuel pump module out.

https://www.2carpros.com/articles/how-to-replace-an-electric-fuel-pump

Here is a wiring diagram that will show how the system works. Please check the sender ground circuit I have seen these go bad he is guide to help.

https://www.2carpros.com/articles/how-to-check-wiring

Please run some tests and get back to us so we can continue helping you.

Best, Ken
Mar 22, 2021 at 6:15 PM (Merged)
Avatar
LADYQUEEN
  • MEMBER
  • 1 POST
I have a 2001 Buick Century I'm having the same problem I'll start my car it will go too full and within a few seconds it dropped all the way to the e the light will come on. I've seen there's a place in your trunk were you can reach fuel pump and sensor what do I look for?
Mar 22, 2021 at 6:15 PM (Merged)
Avatar
MICHIMAN
  • MEMBER
  • 1 POST
The fuel gage is stuck on full. Every once in a while it will read properly and then go back to full. Also the odometer and gear selection goes off and on .
Mar 22, 2021 at 6:15 PM (Merged)
Avatar
JACOBANDNICKOLAS
  • CERTIFIED EXPERT
  • 110,175 POSTS
Chances are the fuel gauge problem is the result of a bad rheostat on the fuel pump float. It is a device that sends a resisted amount of power to the gauge. If it has shorted out, it may be sending full power all the time. The bad part is it is in the fuel tank and part of the fuel pump. Thus, not a cheap or easy job.
Mar 22, 2021 at 6:15 PM (Merged)
Avatar
EGUNS80
  • MEMBER
  • 85 POSTS
Recently my gas gauge started fluctuating when I accelerate. it only seems to happen when it is under a half a tank. the other day it jumped from a quarter tank all the way to a full tank then started to slowly drop back down as I let off the gas. What could be causing this problem?
Mar 22, 2021 at 6:15 PM (Merged)
Avatar
JACOBANDNICKOLAS
  • CERTIFIED EXPERT
  • 110,175 POSTS
There is a float located in the fuel tank which is attached to the pump. The float operates a rheostat. Based on its position determine the amount of power sent to the gauge. If it is changing that much, it sounds like either the rheostat is going bad, the float has become loose, or there could be a problem with the body control module.
Mar 22, 2021 at 6:15 PM (Merged)
Avatar
EGUNS80
  • MEMBER
  • 85 POSTS
Is the rheostat located in the tank too? Is there a way to test the rheostat? Where is the body control module, and is there a way to test that?
Mar 22, 2021 at 6:15 PM (Merged)
Avatar
STRAILER
  • CERTIFIED EXPERT
  • 53,854 POSTS
Nine times out of ten it is the sender going bad which is in the tank. Here is a guide to help you see what you are in for when doing the job. You might need to but the fuel pump module to get the sender.

https://www.2carpros.com/articles/how-to-replace-an-electric-fuel-pump

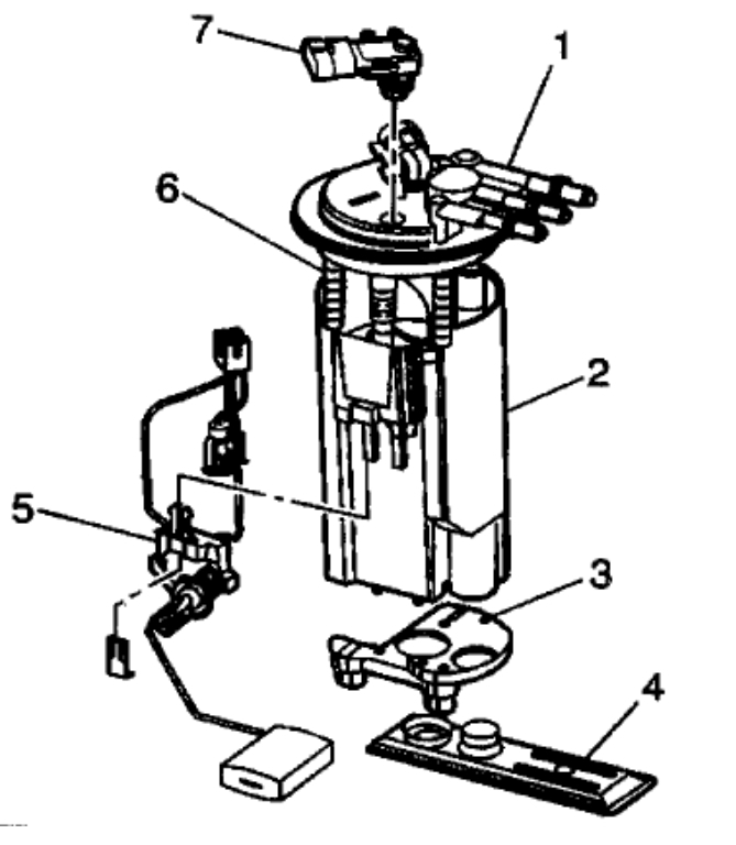
Here are some diagrams of how to do the job on your car (below).

Please let us know what happens.

Cheers, Ken
Mar 22, 2021 at 6:15 PM (Merged)
Avatar
EGUNS80
  • MEMBER
  • 85 POSTS
I found a video online of a 1999 Century has an access panel so you do not have to drop the tank. do you know if the 2000 has one too?
Mar 22, 2021 at 6:15 PM (Merged)
Avatar
JACOBANDNICKOLAS
  • CERTIFIED EXPERT
  • 110,175 POSTS
Not 100% sure The easiest thing to do is remove the rear seat to confirm.
Mar 22, 2021 at 6:15 PM (Merged)
Avatar
STRAILER
  • CERTIFIED EXPERT
  • 53,854 POSTS
This car does not have an access hole sorry.
Mar 22, 2021 at 6:15 PM (Merged)
Avatar
EGUNS80
  • MEMBER
  • 85 POSTS
ok thank you ill be in touch if I need a more help when I can do the job
Mar 22, 2021 at 6:15 PM (Merged)
Avatar
STRAILER
  • CERTIFIED EXPERT
  • 53,854 POSTS
Please use 2CarPros anytime, we are here to help. Please tell a friend.

Cheers, Ken
Mar 22, 2021 at 6:15 PM (Merged)
Avatar
JENNIFER EDWARDS
  • MEMBER
  • 5 POSTS
I have a 2004 grand prix gtp. When i accelerate the gas gauge goes up. When i let off the gas the gauge goes back down. It only gives a true reading if the car is left to idle. Could the float arm be stuck? What's wrong with the gauge?
Mar 22, 2021 at 6:15 PM (Merged)
Avatar
STRAILER
  • CERTIFIED EXPERT
  • 53,854 POSTS
Hello,

It sounds like you have an issue with the alternator because it follows the engine RPM. Can you remove the serpentine belt and then start the car to see if it does the same thing? Do not run the engine too long or drive the car without the belt. My thinking is you have a diode out in the alternator. Please let me know.
Mar 22, 2021 at 6:15 PM (Merged)
Avatar
JENNIFER EDWARDS
  • MEMBER
  • 5 POSTS
Well, here is the thing. The gauge does not move when the car is in park. It only moves when I am driving. I have put the car in park and stepped on the gas and the needle does not move. So I believe it would be moot to remove the serpentine belt if I cannot drive the car as this only happens if the car is in drive and I am accelerating.
Mar 22, 2021 at 6:15 PM (Merged)
Avatar
STRAILER
  • CERTIFIED EXPERT
  • 53,854 POSTS
Okay good. Does the fuel gauge seem to follow the speedometer? It sounds like something is back feeding inside the instrument cluster or the sensor in the tank is bad and only working when the car is in motion. Can you please shoot a quick video with your phone so we can see what it happening? That would be great. You can upload it here with your response.
Mar 22, 2021 at 6:15 PM (Merged)
Avatar
CENTURY999
  • MEMBER
  • 1 POST
My fuel gauge flactuates between empty and full, ocasionally it stays on full, and sometimes the low fuel alarm comes on, is this something that I could fix myself without removing the tank .?? I have been using my odometer as a fuel gauge. Thanks
Mar 22, 2021 at 6:16 PM (Merged)
Avatar
SERVICE WRITER
  • CERTIFIED EXPERT
  • 9,123 POSTS
This can be diagnosed, but you'll probably have to lower the tank to test and it will probably be the reostat in the tank attached to the fuel pump module. It may be called a fuel tank level sensor.
Mar 22, 2021 at 6:16 PM (Merged)