Odometer and dashboard lights quit working why?

2003 BUICK CENTURY
105,200 MILES • 6 CYL • 2WD • AUTOMATIC
Avatar
JDARON57
  • MEMBER
  • 2 POSTS
The light on my odometer quit working about 3 weeks ago. Don't know why. Any help will be appreciated. Thanks
Sep 3, 2009 at 2:42 PM
Advertisement
Avatar
IMPALASS
  • CERTIFIED EXPERT
  • 3,112 POSTS
there is a panel dimmer fuse that needs to be check for power here is a guide t ehlp you with the fuse lotion in the diagrams below I also included the wiring diagrams so you can see how the system works.

https://www.2carpros.com/articles/how-to-check-a-car-fuse

Check out the diagrams (Below). Let us know what happens and please upload pictures or videos of the problem.
Sep 4, 2009 at 2:04 PM
Avatar
JDARON57
  • MEMBER
  • 2 POSTS
The cluster was bad I got a new one it fixed it fyi.
Sep 8, 2009 at 2:38 PM
Advertisement
Avatar
CSPENCR
  • MEMBER
  • 2 POSTS
my odometer does not come on. my dashboard lights up but not the odometer. could you tell me if it is a fuse problem?
Mar 22, 2021 at 6:30 PM (Merged)
Avatar
SCOTTM7635
  • MEMBER
  • 1 POST
I read your problem, and it's something I'm way too familiar with. My grandfather owns a fleet of taxis, all of them Buick Century's and Buick Regals. Out of all the cars he owns, two of them have a working odometer. It's just something that happens randomly to these cars. I've owned two Century's, myself, and the odometer worked in my '99, with 160,000 miles, and the odometer burnt out in my 2001 with less than 60,000 miles. It's not just a simple repair, you're gonna have no choice but to replace the instrument cluster. The CPU itself gets fried.
Mar 22, 2021 at 6:30 PM (Merged)
Avatar
JASHAR369
  • MEMBER
  • 5 POSTS
I would like to check the fuse but I don't know which one to check. Is there a way that I could get a wiring diagram for this car on line.
If it turned out that the bulb was burnt out, could you give me a short summary of steps needed to access the bulb or bulbs?
Thanks for any help you can provide. Jim Hardiman
Mar 22, 2021 at 6:30 PM (Merged)
Avatar
KHLOW2008
  • CERTIFIED EXPERT
  • 41,814 POSTS
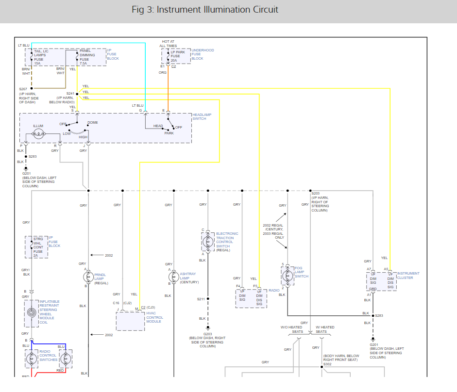
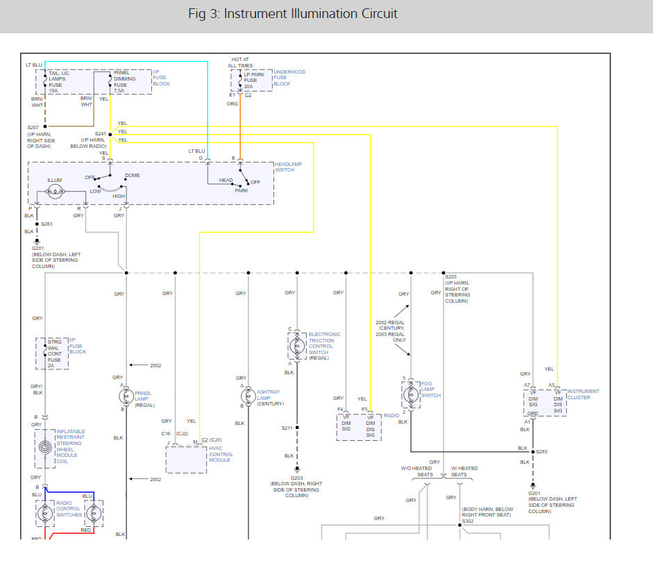
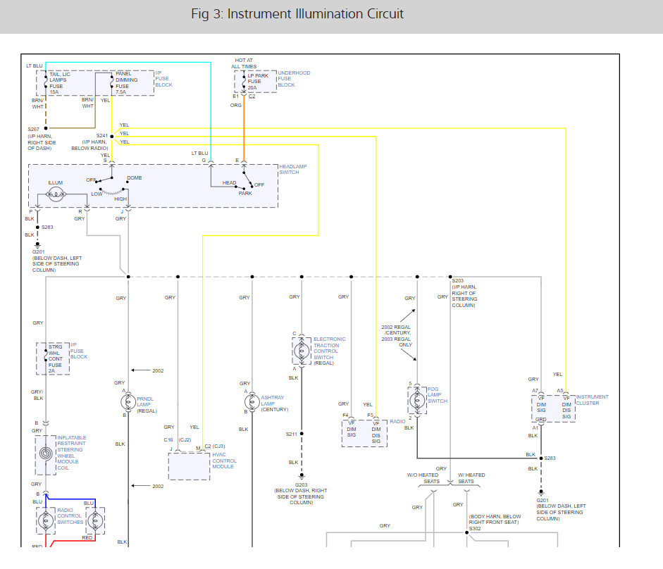
Hi Jim, Thank you for the donation. The fuse for the panel lights is the panel dimming fuse located in instrument panel fuse box. Check the fuse first. To replace the bulbs requires a lot of data and if it is required, let me know and I wll get it for you.


https://www.2carpros.com/forum/automotive_pictures/192750_InstrumentClusterSchematic03Century01_1.jpg


https://www.2carpros.com/forum/automotive_pictures/192750_InstrumentClusterSchematic03Century02_1.jpg

Mar 22, 2021 at 6:30 PM (Merged)
Avatar
JASHAR369
  • MEMBER
  • 5 POSTS
You answered "on the end of right side dash" Is it close to the glove box? Passenger side? Or is it at the drivers side? I need more clues.
Mar 22, 2021 at 6:30 PM (Merged)
Avatar
JASHAR369
  • MEMBER
  • 5 POSTS
I checked the 10A fuse in position Column 4 from left, Row 5 from bottom. The fuse is ok.
Mar 22, 2021 at 6:30 PM (Merged)
Avatar
KHLOW2008
  • CERTIFIED EXPERT
  • 41,814 POSTS
Guess the light bulbs are faulty. Here are the replacement procedures.


https://www.2carpros.com/forum/automotive_pictures/192750_InstrumentClusterLamp03Century01_1.jpg

[


https://www.2carpros.com/forum/automotive_pictures/192750_InstrumentClusterLamp03CenturyFig112_1.jpg


https://www.2carpros.com/forum/automotive_pictures/192750_InstrumentClusterLamp03CenturyFig113_1.jpg


https://www.2carpros.com/forum/automotive_pictures/192750_InstrumentClusterLamp03CenturyFig114_1.jpg


https://www.2carpros.com/forum/automotive_pictures/192750_IPCReplacement03Century0a1_1.jpg


https://www.2carpros.com/forum/automotive_pictures/192750_IPCReplacement03Century0a2_1.jpg


https://www.2carpros.com/forum/automotive_pictures/192750_IPCReplacement03Century01_1.jpg


https://www.2carpros.com/forum/automotive_pictures/192750_IPCReplacement03Century02_1.jpg


https://www.2carpros.com/forum/automotive_pictures/192750_IPCReplacement03CenturyFig108_1.jpg


https://www.2carpros.com/forum/automotive_pictures/192750_IPCReplacement03CenturyFig109_1.jpg

Mar 22, 2021 at 6:30 PM (Merged)
Avatar
EWALTER
  • MEMBER
  • 1 POST
We recently purchased this car however the odometer light will not come on to see the mileage and to see what gear we are in. it does not have an inspection sticker and i cannot get it inspected without having the mileage on it. Can anyone please help me and tell me what my next step should be? Mom in distress!
Mar 22, 2021 at 6:31 PM (Merged)
Avatar
BDILLOW
  • MEMBER
  • 1 POST
I just opened up my 2001 Buick Century for the same problem. I think the 2002 is almost identical, so this probably applies to you. It turns out the instrument cluster is one large module. Most of the warning lights are LED's, the constant-on and dimming lights are incandescent bulbs, but the odometer and gear indicator display is an LCD. If it is not lighting up, it is a module. There is no back light to replace. When I got down to mine, I could see the location of a burn-out on the LCD. It is possible the same happened to yours. I was hoping to replace just some back light bulb but it is just not possible.

I have not found any reputable dealers with instrument clusters for sale, though there were a few on eBay. I do not know if I want to put those into my car though. I am just going to call up a dealer and see how much it will cost to have them install a new module. (Probably too much, but I am kind of over a barrel on this.)

Good luck
Mar 22, 2021 at 6:31 PM (Merged)
Avatar
FIELDSMD
  • MEMBER
  • 1 POST
Fortunately this gets better. A few resistors and some solder and bam! Wish I could claim credit for the fix. Check it out.

http://www.youtube.com/watch?v=84FAjLxoK00
Mar 22, 2021 at 6:31 PM (Merged)
Avatar
JEFFWHEE
  • MEMBER
  • 1 POST
Thanks fieldsmd. I have a 2003 Century and this fix worked great for me and even easier than I thought. You do not even need a solder sucker to clean out the old solder because the pins do not go through the board. Just curl the wire under, cut to right length and they sit right on top. Odometer bright again. Thanks again.
Mar 22, 2021 at 6:31 PM (Merged)
Avatar
JIM SMITH
  • MEMBER
  • 1 POST
Is the oddometer/gear indcator light serviceable and if so, how do you gain access to the circuit board where the replaceable bulb would be mounted?
Mar 22, 2021 at 6:32 PM (Merged)
Avatar
IMPALASS
  • CERTIFIED EXPERT
  • 3,112 POSTS
Hello - On the floor shift model the bulb is easy to get to and replace. If yours is in the cluster with the odometer, then you will have to remove the cluster to get to the back. I don't show on this model.......so you will have to look. Some are twist in bulbs and easier to remove and replace. Some are soldered into the board so you will have to look. Sorry.... To remove the cluster, remove the bezel then the cluster and look the back. You can also contact the parts department and they can check the item bulb number and be able to tell you. That way you can already have several bulbs on hand for when you pull the cluster out.


https://www.2carpros.com/forum/automotive_pictures/248015_Bezel_1.jpg

Mar 22, 2021 at 6:32 PM (Merged)
Avatar
RAYALLISON
  • MEMBER
  • 10 POSTS
The odometer and gear indicator lights, which sit just below the speedometer in the dash, suddenly stopped working. I can no longer see the odometer reading or the gear selection. All other dash lights are working fine. What may have caused this and what will it take to fix it? Thanks
Mar 22, 2021 at 6:32 PM (Merged)
Avatar
JACOBANDNICKOLAS
  • CERTIFIED EXPERT
  • 110,175 POSTS
It is a sensor on the trans.
Mar 22, 2021 at 6:32 PM (Merged)
Avatar
CHEVYFORLIFE
  • EXPERT
  • 33 POSTS
You will need to get the cluster replaced and it will start working again. You can try and tap on the cluster and it might start working again but then will go out over time.
Mar 22, 2021 at 6:32 PM (Merged)
Avatar
SCHAFEJ1
  • MEMBER
  • 1 POST
The light that lights up the gearshift indicator and the odometer is completely out. If I hit the clear dashboard cover hard enough the light will come on for awhile and then fade away.

How do I fix this?
Mar 22, 2021 at 6:32 PM (Merged)
Avatar
EGUNS80
  • MEMBER
  • 85 POSTS
There's four resistors that need replaced, I have the same problem https://youtu.be/ebTS25sNOHQ
Mar 22, 2021 at 6:32 PM (Merged)
Avatar
STRAILER
  • CERTIFIED EXPERT
  • 53,854 POSTS
Hey,

Great addition to this thread! Please feel free to help out on the site whenever it can add information that will help.

Best, Ken
Mar 22, 2021 at 6:32 PM (Merged)
Avatar
DOUGFUNNY530
  • MEMBER
  • 2 POSTS
Can anyone help me out? i have a 2001 Century and the stereo and gauge cluster just stopped working. i can't find any bad fuses and I'm just kind of stumped on where to look next.
Jan 7, 2022 at 5:20 AM
Avatar
KASEKENNY
  • CERTIFIED EXPERT
  • 18,907 POSTS
Hi dougfunny530,

We can help however; we are going to have to get a new post started. Couple reasons, first we need to get all the details on your specific vehicle and issue in order to best assist you.

Also, we need to keep each post to the same exact issue and vehicle just so that others can find what you did if they have the same issue.

Basically, they may not read all through this post to find this issue because it is not titled the same as what your issue is.

Here is a link to getting a new one started:

https://www.2carpros.com/questions/new

Sorry for any inconvenience. Thanks
Jan 8, 2022 at 8:02 AM