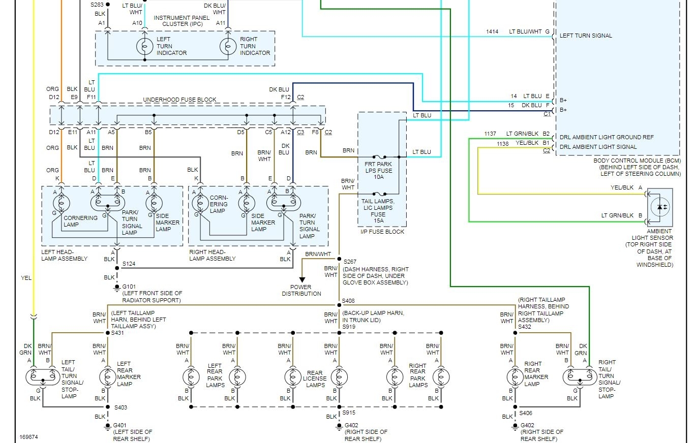
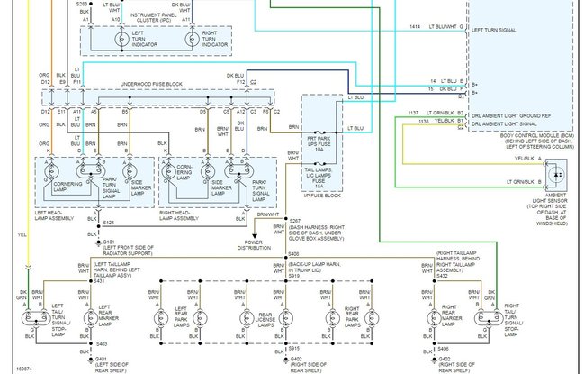
no back-up or license plate lights

2003 BUICK CENTURY
124,000 MILES • 6 CYL • FWD • AUTOMATIC
Avatar
JMSTEGER
  • MEMBER
  • 2 POSTS
I have no back-up lights or license plate lights or inner taillights in the trunk lid. What do I do? Thanks for any help.
Sep 15, 2010 at 9:22 PM
Advertisement
Avatar
HMAC300
  • CERTIFIED EXPERT
  • 48,601 POSTS
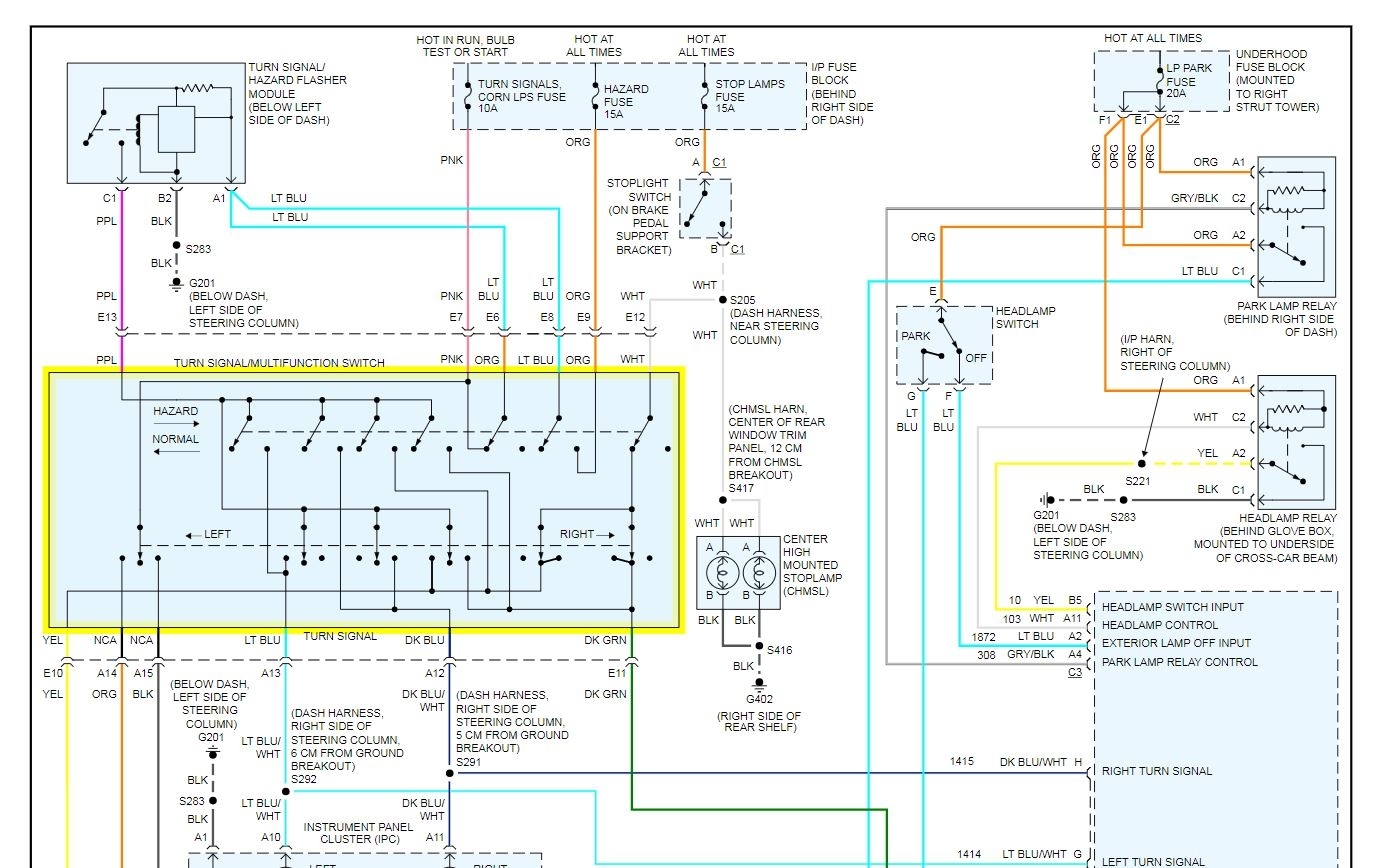
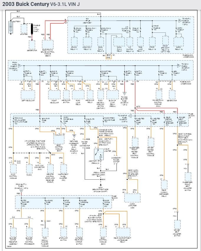
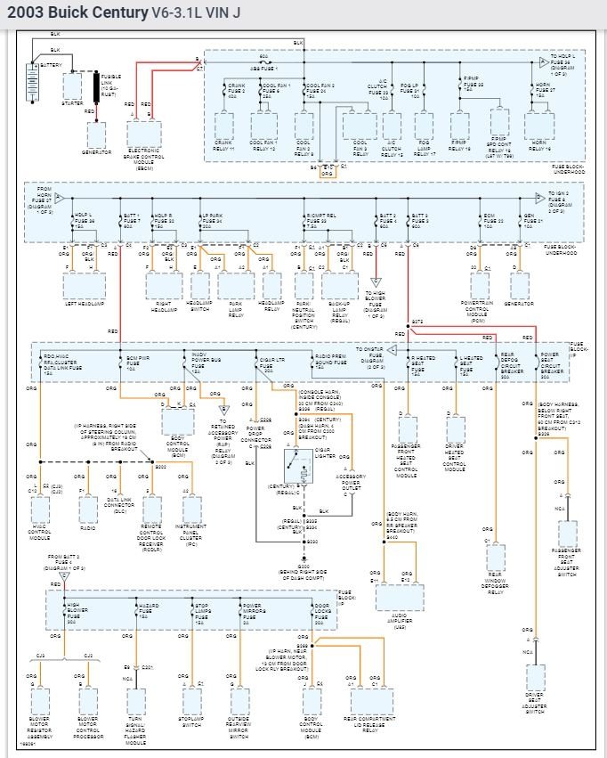
It looks like they all share a ground in the trunk and a fuse in the interior fuse block and another in the fuse block under the hood.
Use a test light to see if the fuse is blown, there is a guide below on how to do it as well as the wiring diagrams for the lights that are out

https://www.2carpros.com/articles/how-to-use-a-test-light-circuit-tester

https://www.2carpros.com/articles/how-to-check-a-car-fuse

https://www.2carpros.com/articles/how-to-check-wiring
Sep 23, 2010 at 7:54 PM