power steering pump?

1998 BUICK CENTURY
Avatar
MARSHALLT
  • MEMBER
  • 1 POST
i just leased a 1998 buick century custom and i had it for about 1 month and a half and so far i have had to put power steering fluid in it twice they told me the pump needs to be replaced can you help me?
Nov 30, 2008 at 9:39 AM
Advertisement
Avatar
SQM
  • CERTIFIED EXPERT
  • 6,383 POSTS
Hello,

First of all you want to find out where is the leak coming from. As you have to add fluid often it must be leaking out somewhere. It can leak from the power steering pump, it can leak from a hose or it can leak at the steering rack.
By finding out where is the leak coming from you will be able to replace the correct part.

Here are some helpful articles on how to replace the pump:

https://www.2carpros.com/articles/power-steering-problems
https://www.2carpros.com/articles/how-to-replace-a-power-steering-pump

You also might find these videos helpful:

https://youtu.be/BGTIo5MhNIk
https://youtu.be/BGBUv5r9fk0

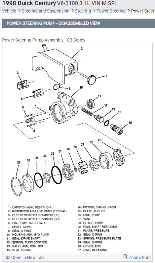
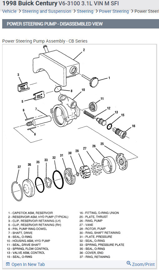
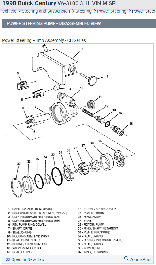
I have attached the power steering pump replacement procedures as well as all the hose locations and replacement.

Please let me know of any questions.

Thank you.
Jul 29, 2021 at 11:26 AM