fuse box diagram brake lights quit working

1995 BUICK CENTURY
Avatar
KEITH MEALS
  • MEMBER
  • 1 POST
Headlights, dash lights, brake lights quit working all of a sudden. Where are relay switches located under the hood? Where is the fuse panel?
Jan 31, 2009 at 2:48 PM
Advertisement
Avatar
STRAILER
  • CERTIFIED EXPERT
  • 53,854 POSTS
Hello,

Here is a guide and some diagrams (Below) to help you check the fuses.

https://www.2carpros.com/articles/how-to-check-a-car-fuse


Fuse & Circuit Breaker Identification

1 - 15 Amp Electronic Control Module, MAF Sensor (3100 Eng. only)
2 - 20 Amp (Yellow) ECM Injector/Coil
3 - 5 Amp Automatic Door Lock/Unlock (Remove this fuse to disable the automatic door unlock
feature)

4 - 10 Amp Electric Fan, Starter and Generator, Cruise Control Sequential Fuel Injection (V-6),
Anti-Lock Brakes (ABS)
5 - 15 Amp Turn Flasher, Back-Up Lights, Trunk & Tailgate Release
6 - 10 Amp Supplemental Inflatable Restraint (Air Bag)
7 - 20 Amp Taillights, Parking Lights, Side Marker Lights, License Plate Light, Stoplights & Turn Signals
8 - 20 Amp (Yellow) Heater & Air Conditioner
9 - 10 Amp I/P Gauges, Warning Indicator, Torque Converter Clutch, Audible Warning System,
Computer Command Control, Trunk Release, Brake Warning Indicator, Rear Defog. Switch, Remote Keyless Entry, Speedometer, Air Bag (DERM)

10 - 20 Amp (Yellow) Stoplights, Hazard Lights
11 - 20 Amp (Yellow) Interior, Underhood, Courtesy, I/P, Trunk Lights, Door Locks, Horn Relay,
Passive Restraint System, Deck Lid Release, Power Antenna, Remote Keyless Entry, Vanity Mirror
12 - 30 Amp (Circuit Breaker) Liftgate Release, Power Windows
13 - 5 Amp Illumination for: I/P, Radio, Pod Lights, Ashtray, Console Light, Heater-A/C Control,
Defog Switch, Headlight Switch

14 - 10 Amp Radio, Cruise Control
15 - 30 Amp (Circuit Breaker) Seats, Door Locks, Rear Defogger, Power Seat Recliner, Rear Window Wiper, Trunk Release

16 - 25 Amp Windshield Wiper/Wash
17 - 20 Amp (Yellow) Cigarette Lighter

Please use 2CarPros anytime, we are here to help and tell a friend.

Cheers, Ken
Aug 3, 2017 at 4:49 PM
Avatar
ANTHONYTHETIGER
  • MEMBER
  • 1 POST
Hi Keith I have the same problem with my century Buick 1996 what did you do to solve the problem???I would be grateful if you could help me thanks.
Feb 6, 2018 at 6:42 AM
Advertisement
Avatar
STRAILER
  • CERTIFIED EXPERT
  • 53,854 POSTS
Hello,

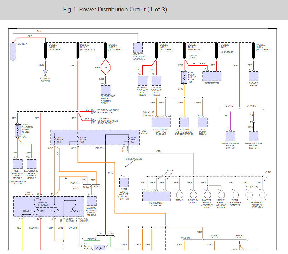
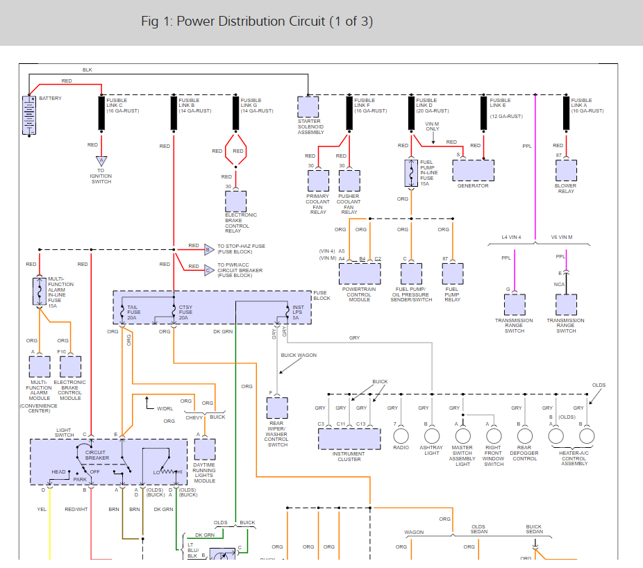
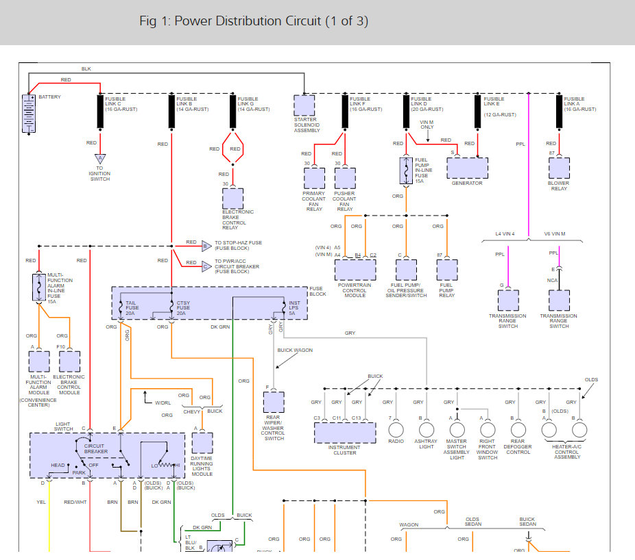
It looks like you have a fusible link (b) that is out which powers all of those circuits. Please check for power at fuse tail, courtesy, and instrument fuses.

Here is a guide to help you confirm the problem.

https://www.2carpros.com/articles/how-to-check-a-car-fuse

Here is a wiring diagrams showing you how the system works.

Check out the diagrams (Below)

Please let us know what you find.

Cheers, Ken
Feb 6, 2018 at 11:13 AM
Avatar
CARROLL BROWN
  • MEMBER
  • 1 POST
1995 Buick Century 6 cyl Automatic 125000 miles

Where is the fuse box located?
Oct 1, 2019 at 5:43 PM (Merged)
Avatar
ERNEST CLARK
  • CERTIFIED EXPERT
  • 1,730 POSTS
There's a relay control panel under your hood, on the passenger side in the front.

There should also a fuse box in the interior, at the very end of the dash on the drivers side or passenger side. There'll be a plastic access panel that's painted the same color as you dash. Just pop it right out.

If you can't located, let me know and I'll try to help you locate it.
Oct 1, 2019 at 5:43 PM (Merged)
Avatar
BKINBOGATA
  • MEMBER
  • 1 POST
Where can I find the fuse box(s) on this car? Also, I cannot find the reset button for the fuel pump.
Oct 1, 2019 at 5:43 PM (Merged)
Avatar
SERVICE WRITER
  • CERTIFIED EXPERT
  • 9,123 POSTS


https://www.2carpros.com/forum/automotive_pictures/30961_note_32.jpg

There is no fuel pump reset on this car. 2.2 motor:


https://www.2carpros.com/forum/automotive_pictures/30961_bc22_1.jpg

Oct 1, 2019 at 5:43 PM (Merged)