In the past 60 days, the car's Anti-Theft System activated spontaneously, despite use of the regular ignition key. That left me stranded in a parking lot and had to be towed home (expensive).
Once home, I tried the original (unused) key with the same resistor pellet, but without success.
After much research and the able assistance of technician "Joe" (2CarPros), I was able to restart the car.
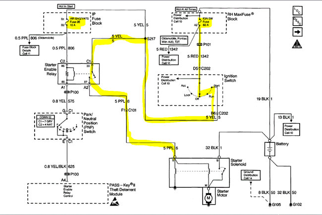
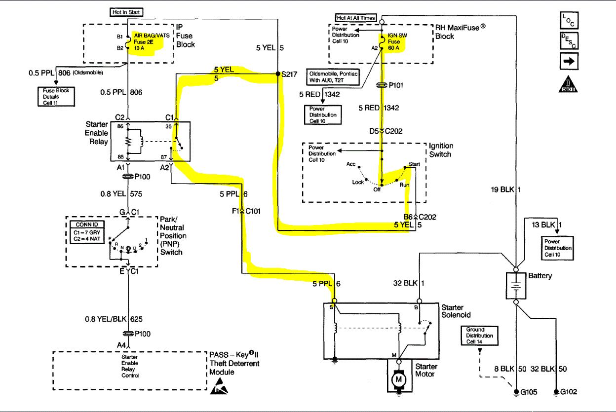
My method was to disconnect the ignition switch key resistor pellet sensor/reader and solder a resistor across the two wires running from the ignition switch resistor reader to the car PCM. That worked, and all was well for a while.
Until my key fob stopped opening the car from a distance as I approached. That distance steadily shrank from 30 paces (steps) to 20 and then to 10, finally to no response while directly beside the door.
I replaced the fob battery and verified the battery voltage before installation. Yet, the symptom/problem remains. Something in the fob detect circuit is not picking up the fob broadcast signal. I have not dropped or misused the fob in any way but suspect the only inexpensive remedy to start troubleshooting is to buy another key fob.
Once home, I tried the original (unused) key with the same resistor pellet, but without success.
After much research and the able assistance of technician "Joe" (2CarPros), I was able to restart the car.
My method was to disconnect the ignition switch key resistor pellet sensor/reader and solder a resistor across the two wires running from the ignition switch resistor reader to the car PCM. That worked, and all was well for a while.
Until my key fob stopped opening the car from a distance as I approached. That distance steadily shrank from 30 paces (steps) to 20 and then to 10, finally to no response while directly beside the door.
I replaced the fob battery and verified the battery voltage before installation. Yet, the symptom/problem remains. Something in the fob detect circuit is not picking up the fob broadcast signal. I have not dropped or misused the fob in any way but suspect the only inexpensive remedy to start troubleshooting is to buy another key fob.
Dec 3, 2021 at 3:24 PM







