The code indicates an issue with spark control timing. The diagnostics are based on which transmission is in the vehicle. I will supply both. This will take some time to diagnose, but here are the directions. You will need to check wiring which in this case will require a multi meter or volt meter. Here are some general directions for using the test equipment. I don't know if you need them, but am adding them in case you do.
https://www.2carpros.com/articles/how-to-use-a-test-light-circuit-tester
https://www.2carpros.com/articles/how-to-use-a-voltmeter
https://www.2carpros.com/articles/how-to-check-wiring
Here are the flow charts. The attached pictures correlate with these directions.
___________________________________________
WITHOUT 4L60E/4L80E AUTOMATIC TRANSMISSION
Electronic Spark Timing Circuit Code 42
See Picture 1
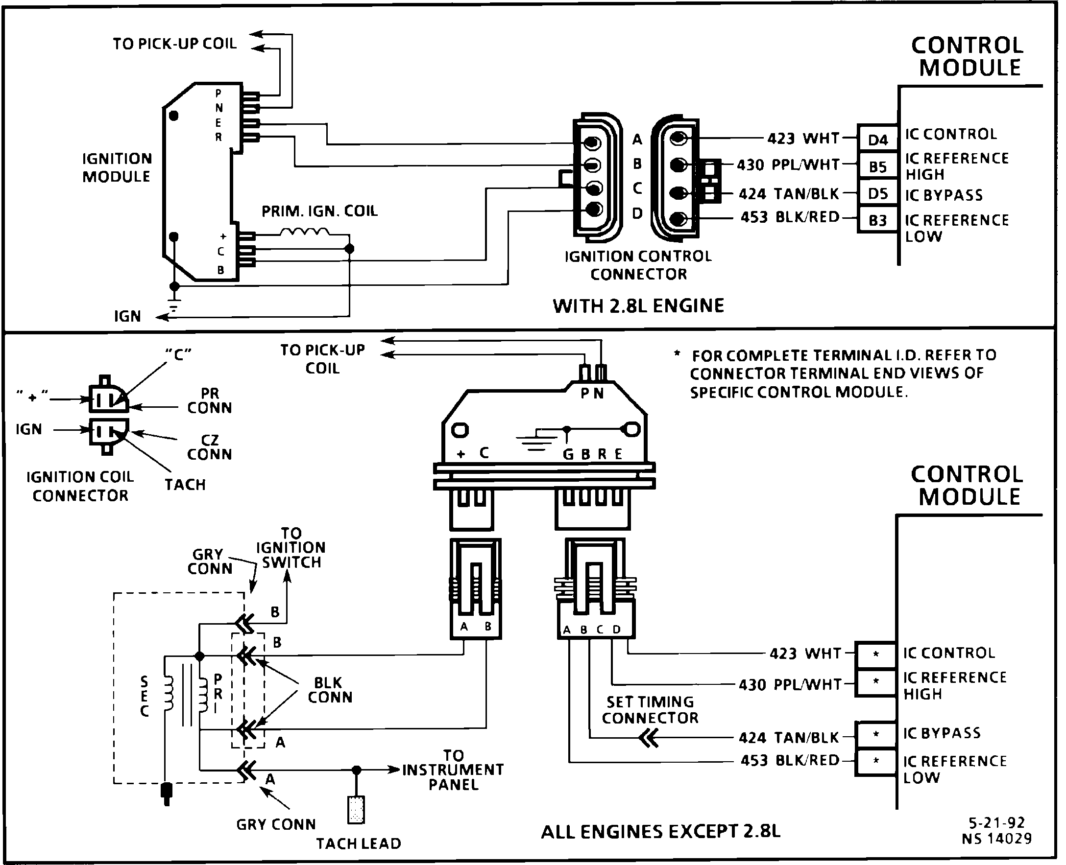
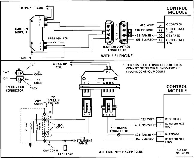
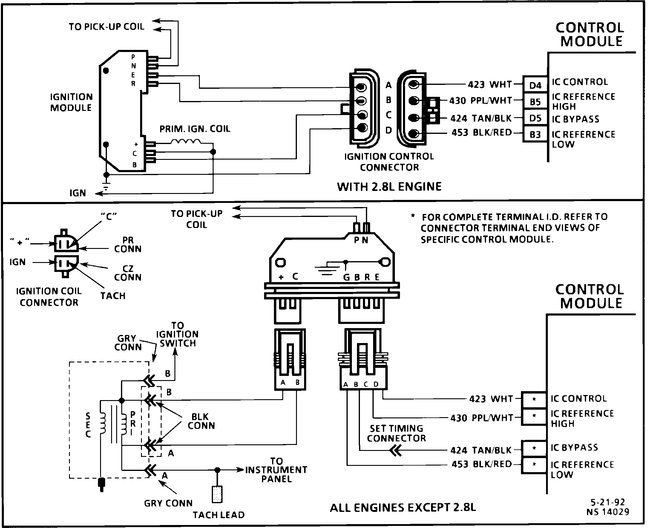
Ignition Control (IC) Without 4L80-E Transmission (ECM)
See Picture 2
Test Description:
Number(s) below refer to circled number(s) on the diagnostic chart.
1. Code 42 means the ECM has seen an open or short to ground in the EST or bypass circuits. This test confirms Code 42 and that the fault causing the code is present.
2. Checks for a normal EST ground path through the ignition module. An EST CKT 423 shorted to ground will also read less than 500 ohms; however, this will be checked later.
3. As the test light voltage touches CKT 424, the module should switch causing the ohmmeter to "overrange" if the meter is in the 100-200 ohm position. Selecting the 10,000 to 20,000 ohms position will indicate above 5000 ohms. The important thing is that the module "switched."
4. The module did not switch and this step checks for:
^ EST CKT 423 shorted to ground.
^ Bypass CKT 424 open.
^ Faulty ignition module connection or module.
5. Confirms that Code 42 is a faulty ECM and not an intermittent in CKTs 423 or 424.
Diagnostic Aids:
The Tech 1 does not have any ability to help diagnose a Code 42 problem.
____________________________________________________________________________________________
WITH 4L60E AUTOMATIC TRANSMISSION
DTC 42 IC (PCM/VCM)
See Picture 3
IC Circuit (PCM)
See Picture 4
Circuit Description:
When the system is running on the ignition control module, that is, no voltage on the bypass line, the DI module grounds the Ignition Control (IC) signal. The PCM/VCM expects to see no voltage on the IC line during this condition. If it sees a voltage, it sets DTC 42 and will not go into the IC mode.
When the RPM for IC is reached (about 450 RPM), and bypass voltage is applied, the IC should no longer be grounded in the ignition module so the IC voltage should be varying.
If the bypass line is open or grounded, the ignition module will not switch to IC mode so the IC voltage will be low and DTC 42 will be set.
If the IC line is grounded, the ignition module will switch to IC, but because the line is grounded there will be no IC signal. A DTC 42 will be set.
Test Description:
Number(s) below refer to circled number(s) on the diagnostic chart.
1. DTC 42 means the PCM/VCM has seen an open or short to ground in the IC or bypass circuits. This test confirms DTC 42 and that the fault causing the DTC is present.
2. Checks for a normal IC ground path through the ignition module. An IC CKT 423 shorted to ground will also read less than 500 ohms however, this will be checked later.
3. As the test light voltage touches CKT 424, the module should switch causing the ohmmeter to "overrange" if the meter is in the 100-200 ohm position.
Selecting the 10-20,000 ohms position will indicate above 5000 ohms. The important thing is that the module "switched."
4. The module did not switch and this step checks for:
- IC CKT 423 shorted to ground.
- Bypass CKT 424 open.
- Faulty ignition module connection or module.
5. Confirms that DTC 42 is a faulty PCM/VCM and not an intermittent in CKT's 423 or 424.
Diagnostic Aids:
The Tech 1 does not have any ability to help diagnose a DTC 42 problem.
Let me know if this helps.
Joe
Images (Click to enlarge)
Apr 1, 2019 at 5:42 PM