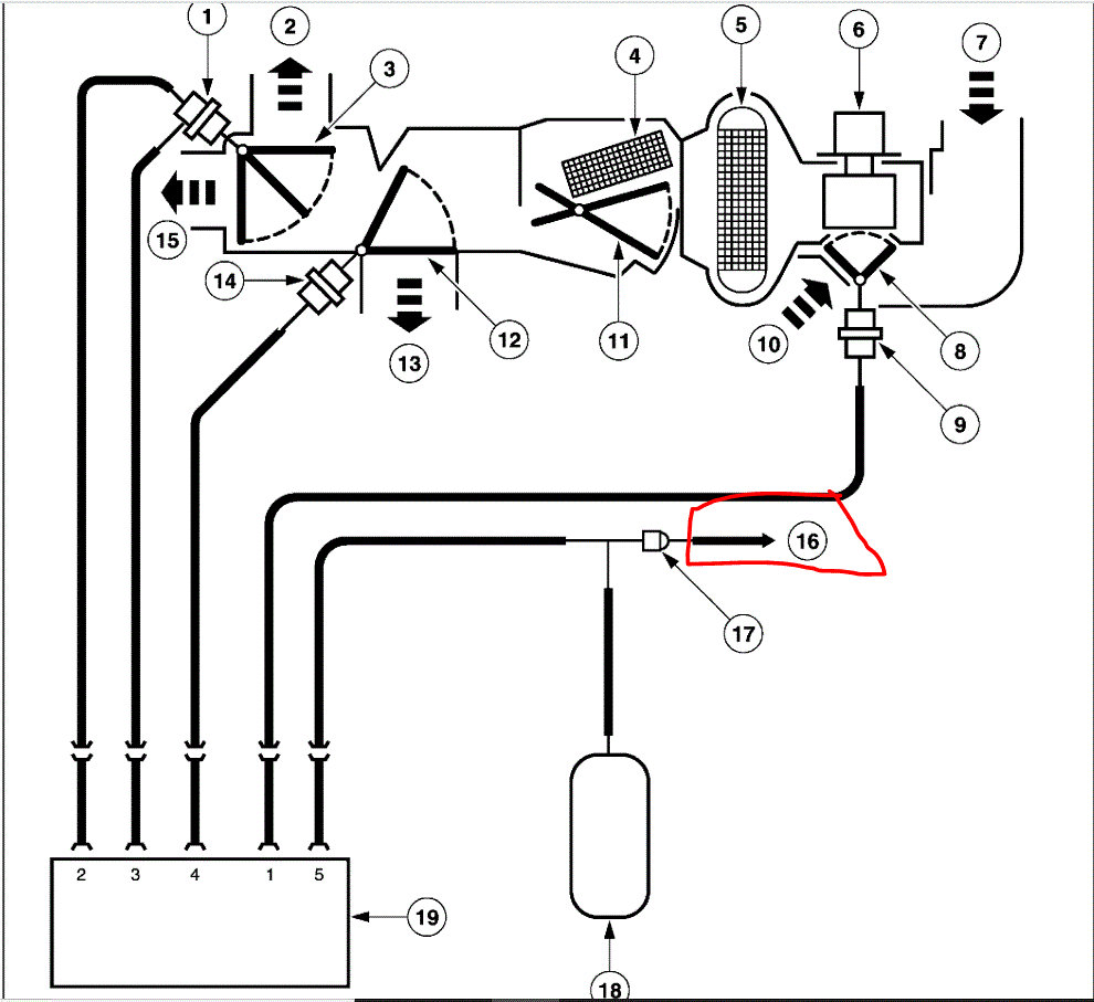
Picture shows a small white plastic device attached to passenger side of firewall with narrow vacuum line. Line, very brittle, broke and I would like to know where to attach the line and what the is used for. I think it leads to the throttle body.
Also, could anyone advise if this line, unattached as of now, could cause a misfire and a code P3501? Thanks very much.
Also, could anyone advise if this line, unattached as of now, could cause a misfire and a code P3501? Thanks very much.
Jun 20, 2020 at 2:04 PM



