Broken rear windscreen wiper

2012 VOLKSWAGEN POLO
36,000 MILES
Avatar
KROLLAND94
  • MEMBER
  • 1 POST
I stupidly tried to switch my windscreen wipers on while I had a bike rack on. The rear windscreen wiper now does not work at all. The screen wash will still spray but the wiper will not move, even if I try manually. Is there anything I can do?
Oct 5, 2017 at 10:50 AM
Advertisement
Avatar
STRAILER
  • CERTIFIED EXPERT
  • 53,855 POSTS
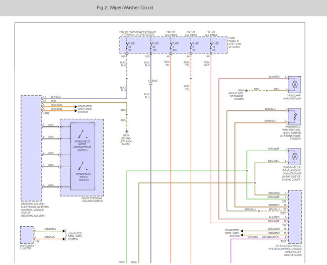
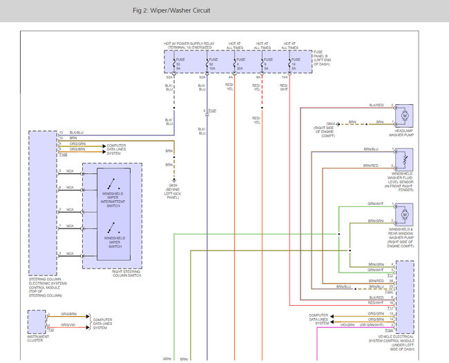
It looks like you may have blown a fuse there are several that run the system.

Here is a wiring diagram that show the fuses in question and a guide to help you get the job done:

https://www.2carpros.com/articles/how-to-check-a-car-fuse

and

https://www.2carpros.com/articles/how-to-use-a-test-light-circuit-tester

Please let us know what happens.

Cheers, Ken
Oct 6, 2017 at 3:28 PM