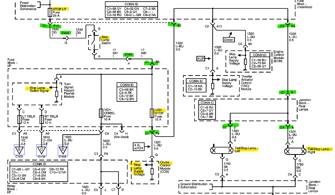
know where to even begin with this one, several have been trying to help me diagnose this 1 and all are stumped. We've been at this since 12/05/22.
Symptoms: no lights when breaking at rear, no lights when parking brake applied, no cruise. With consistency all other related systems know when the break (p break) is being applied, transmission ect., and perform correctly. Except 3 rear lights.
Here's a list of parts replaced as of 12/27: rear taillight ass. And wiring harnesses, circuit board (below tailgate on frame) rear ground cleaned. 3rd light (above cab) ground cleaned. Break switch on peddle, head light control and fog light switches, all fuses in box (cab) relating to break, p break, stop, abs, cruise, turn. Those terminals in box checked and worked as they should.
All relays in main fuse box under hood replaced. All fuses in main fuse box under hood relating to break, p break, stop, abs, cruise, turn replaced. Those terminals in main box, also checked & worked as they should. Small ground (approx 10 in) from hood to firewall cleaned, wire replaced. Battery 9mos old terminals cleaned, or replaced, also tested as was the alternator, both charging as they should. Ground (braded) strap from back of the block to outside firewall is ordered, will replace and clean when delivered. All known grounds that i can reach have been cleaned & reattached from front to rear. All known grounds in cab have been checked, tightened, cleaned. So, after all that, i went back testing from back to front, constant power travels as it should. Intermediate power (brakes / turn sigs/ flashers) works for all but brakes??
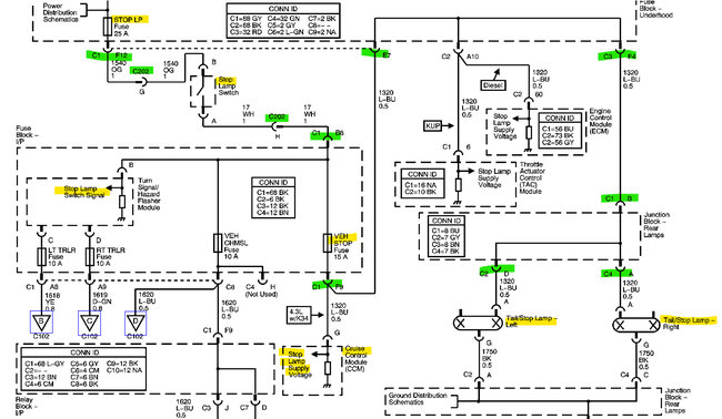
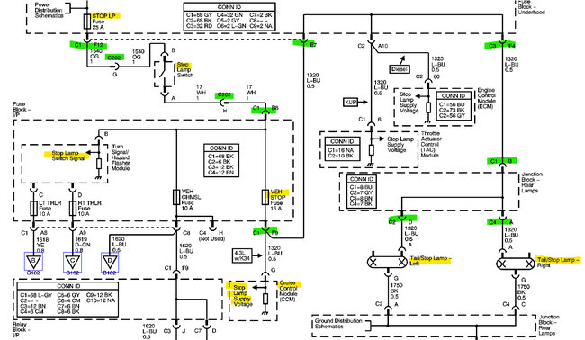
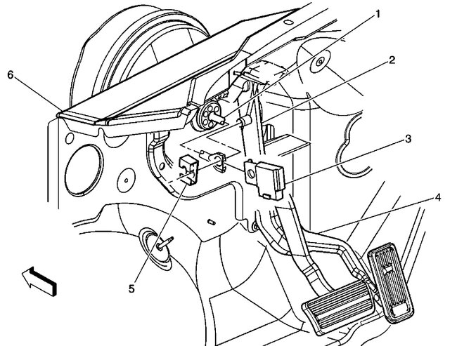
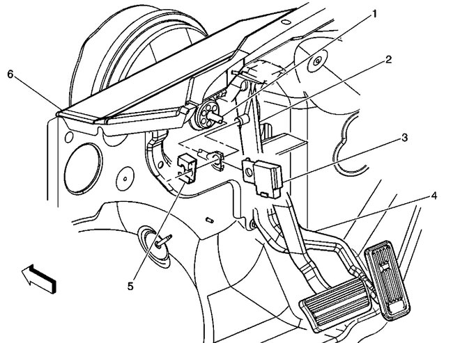
So i went back to the break switch harness & tested again. All did what they were supposed to, except white wire. It has a "low glow" on test light, right turn and turn it brightens and flashes correctly, but when you apply break or apply parking brake, it stays dimly lit??? I followed that harness up the inside firewall, no split offs and nothing joining it. It ended 3/4ths way up. To the sight left of & behind cluster and then vanishes. We're trying to avoid removing the entire dash behind cluster to find what it connects to, so we can test that. Cannot find any diagrams on break switch harness, where it originates or where the go. Stuck doing this "old school", have no obd reader nor access to 1.
Symptoms: no lights when breaking at rear, no lights when parking brake applied, no cruise. With consistency all other related systems know when the break (p break) is being applied, transmission ect., and perform correctly. Except 3 rear lights.
Here's a list of parts replaced as of 12/27: rear taillight ass. And wiring harnesses, circuit board (below tailgate on frame) rear ground cleaned. 3rd light (above cab) ground cleaned. Break switch on peddle, head light control and fog light switches, all fuses in box (cab) relating to break, p break, stop, abs, cruise, turn. Those terminals in box checked and worked as they should.
All relays in main fuse box under hood replaced. All fuses in main fuse box under hood relating to break, p break, stop, abs, cruise, turn replaced. Those terminals in main box, also checked & worked as they should. Small ground (approx 10 in) from hood to firewall cleaned, wire replaced. Battery 9mos old terminals cleaned, or replaced, also tested as was the alternator, both charging as they should. Ground (braded) strap from back of the block to outside firewall is ordered, will replace and clean when delivered. All known grounds that i can reach have been cleaned & reattached from front to rear. All known grounds in cab have been checked, tightened, cleaned. So, after all that, i went back testing from back to front, constant power travels as it should. Intermediate power (brakes / turn sigs/ flashers) works for all but brakes??
So i went back to the break switch harness & tested again. All did what they were supposed to, except white wire. It has a "low glow" on test light, right turn and turn it brightens and flashes correctly, but when you apply break or apply parking brake, it stays dimly lit??? I followed that harness up the inside firewall, no split offs and nothing joining it. It ended 3/4ths way up. To the sight left of & behind cluster and then vanishes. We're trying to avoid removing the entire dash behind cluster to find what it connects to, so we can test that. Cannot find any diagrams on break switch harness, where it originates or where the go. Stuck doing this "old school", have no obd reader nor access to 1.
Dec 29, 2022 at 9:56 AM




















