Welcome back:
That is the most likely issue. The brake assist is provided via the power steering pump. This video will show you how to change it out with instructions below.
https://youtu.be/EXDysSOs07g
Now, here is a link that explains how one is replaced in general:
https://www.2carpros.com/articles/how-to-replace-a-power-steering-pump
You will most likely have to remove the old pulley and install it on the new pump. Here is a link that shows in general how that is done:
https://www.2carpros.com/articles/remove-reinstall-power-steering-pulley
______________________
Here are the directions specific to your vehicle for pump replacement. The attached pictures correlate with the directions.
2007 Chevy Truck Silverado 2500 4WD V8-6.6L DSL Turbo
Power Steering Pump Replacement
Vehicle Steering and Suspension Steering Power Steering Power Steering Pump Service and Repair Removal and Replacement Power Steering Pump Replacement
POWER STEERING PUMP REPLACEMENT
Power Steering Pump Replacement (6.6L)
Removal Procedure
1. Place a drain pan under the vehicle.
Pic 1
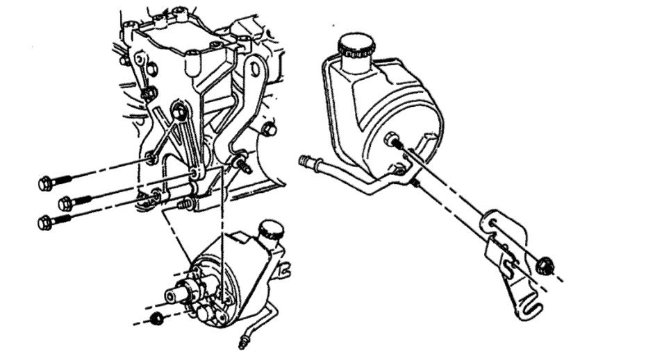
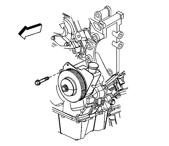
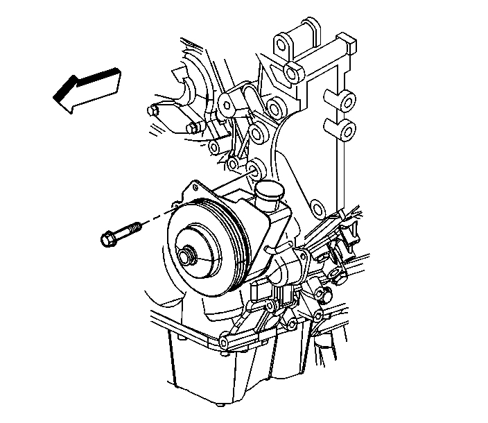
2. Remove the bolts (1) from the rear of the pump.
pic 2
3. Remove the bolts from the front of the pump bracket.
Important: Note the location of the battery cables for reinstallation.
4. Disconnect the negative battery clip from the power steering pump front bracket.
pic 3
5. Remove the power steering return hoses (2, 4) from the power steering pump.
pic 4
6. Remove the power steering pump from the accessory mounting bracket to gain access to the power brake booster inlet pipe.
7. Remove the power brake booster inlet pipe from the power steering pump.
8. Remove the power steering pump from the vehicle.
9. Remove the power steering pulley.
10. Remove the front bracket from the power steering pump.
11. Remove the rear bracket from the power steering pump.
Installation Procedure
Notice: Refer to Fastener Notice.
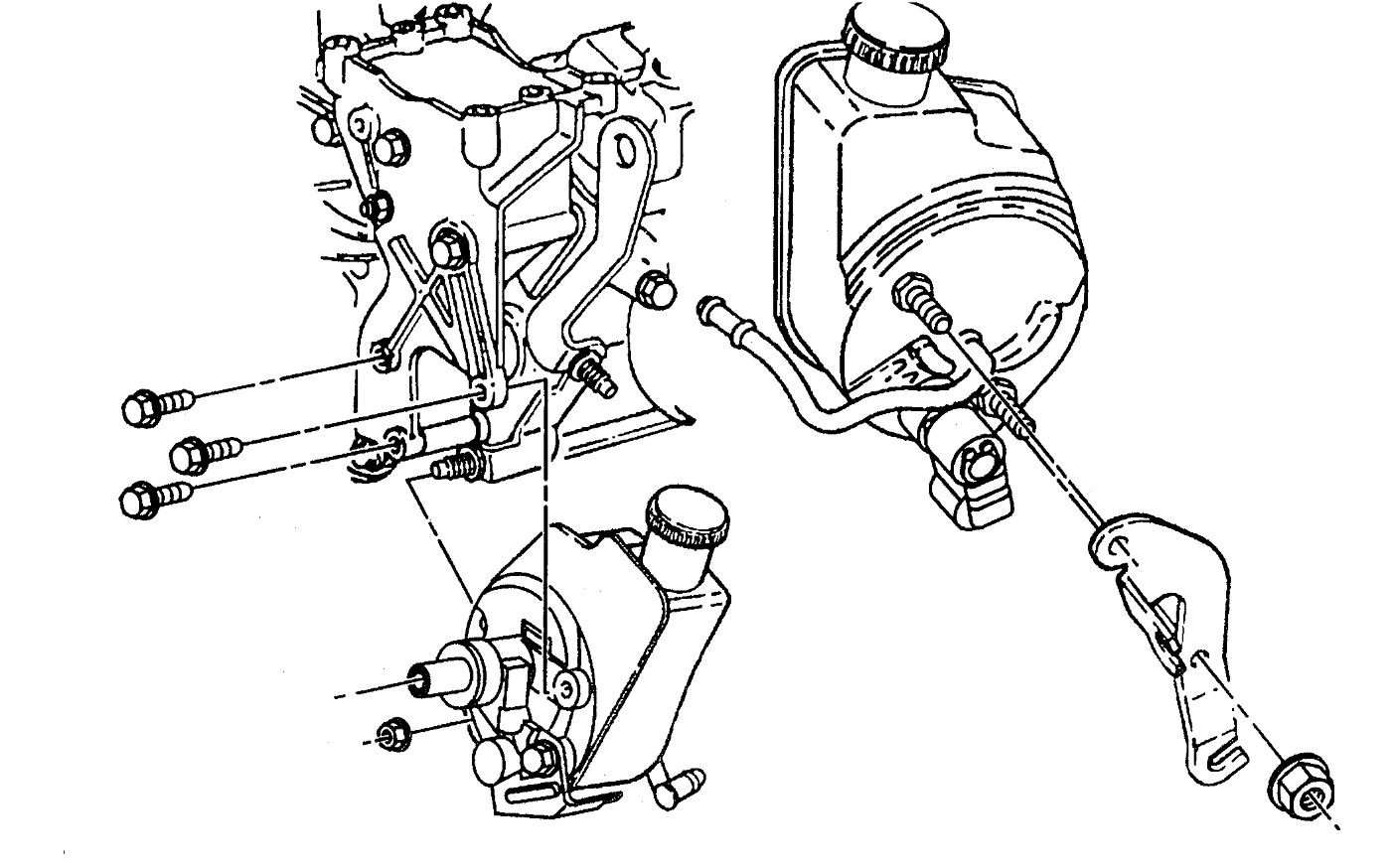
1. Install the rear bracket to the power steering pump.
Tighten the rear bracket retaining nuts to 50 N.m (37 lb ft).
2. Install the front bracket to the power steering pump.
Tighten the front bracket retaining nuts to 50 N.m (37 lb ft).
3. Install the power steering pulley.
pic 5
4. Install the power brake booster inlet pipe (2) to the power steering pump.
Tighten the fittings to 32 N.m (24 lb ft).
pic 6
5. Install the power steering return hoses and retaining clamps (3, 5) to the power steering pump.
pic 7
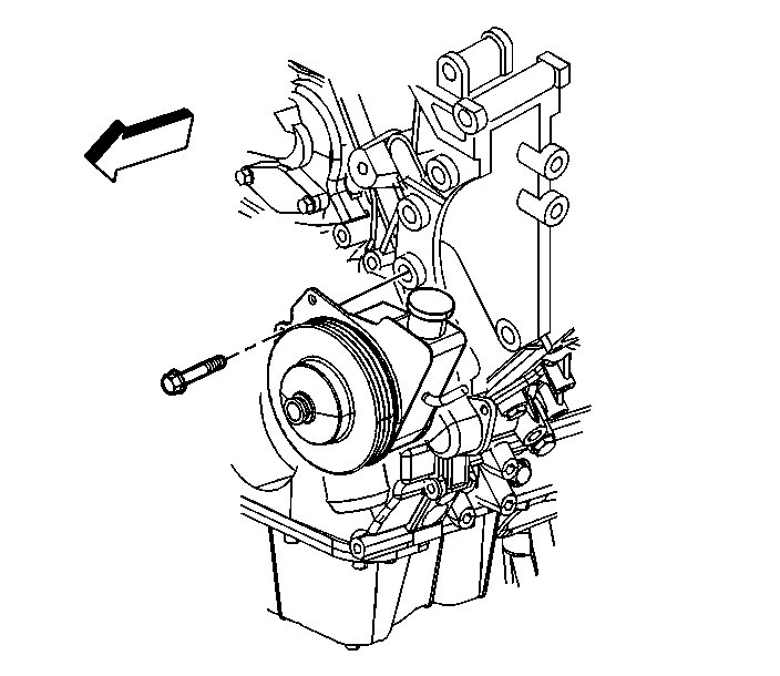
6. Reposition the power steering pump to the accessory bracket and install the bolts (1) to the rear of the power steering pump.
Tighten the rear bolts to 50 N.m (37 lb ft).
pic 8
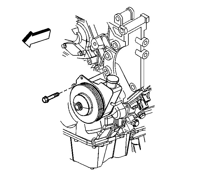
7. Install the power steering pump front bracket bolts to the accessory bracket.
Tighten the power steering pump front bracket retaining bolts to 50 N.m (37 lb ft).
8. Fill and bleed the power steering system.
_________________________________________________________
Here are the directions specific to your truck for pulley removal. You will need a specific puller and installer for this. However, just about any nationally recognized parts store will lend / rent it to you.
2007 Chevy Truck Silverado 2500 4WD V8-6.6L DSL Turbo
Power Steering Pump Pulley Replacement
Vehicle Steering and Suspension Steering Power Steering Power Steering Pump Service and Repair Removal and Replacement Power Steering Pump Pulley Replacement
POWER STEERING PUMP PULLEY REPLACEMENT
Power Steering Pump Pulley Replacement (6.6L)
Tools Required
* J 25033-C Power Steering Pump Pulley Installer
* J 25034-C Power Steering Pump Pulley Remover
Removal Procedure
1. Remove the accessory drive belt.
pic 9
2. Remove the power steering pump front bracket bolts (1,2).
pic 10
3. Remove the power steering pump rear bracket bolts (1).
4. Pull the power steering pump away from the accessory bracket to gain access to the pulley.
pic 11
5. Use the J 25034-C to remove the power steering pump pulley.
Installation Procedure
pic 12
1. Place the power steering pump pulley on the end of the power steering pump shaft.
2. Install the power steering pump pulley using the J 25033-C.
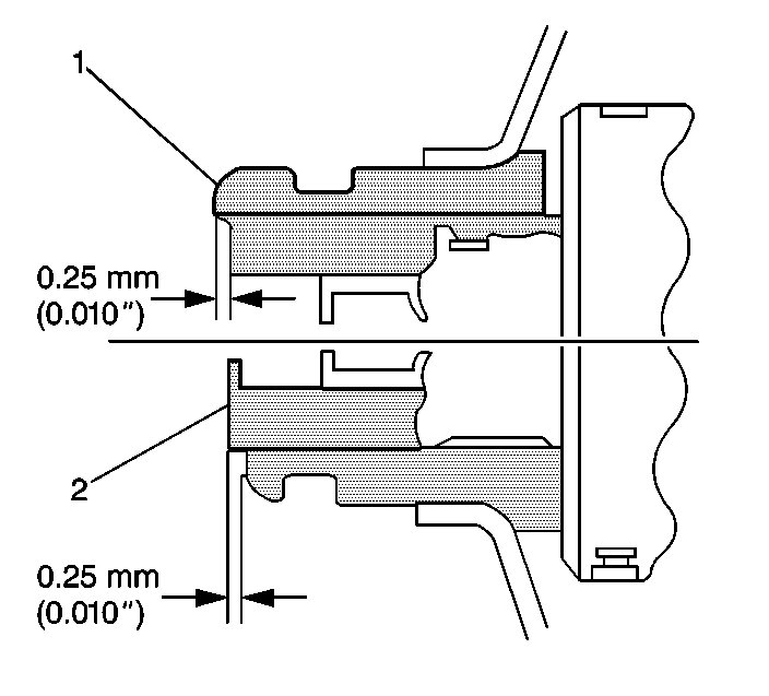
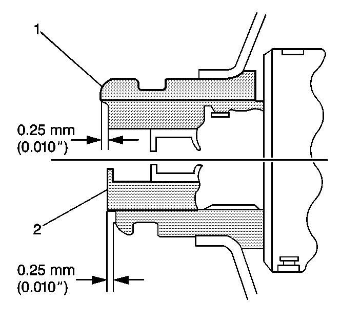
pic 13
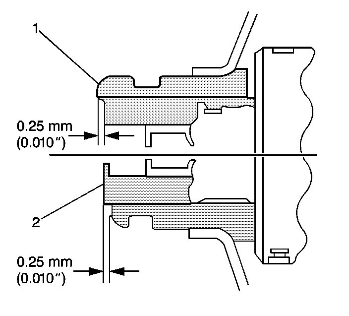
3. Ensure that the power steering pump pulley (1) is flush against the power steering pump shaft (2) with an allowable variance of 0.25 mm (0.010 in).
4. Reposition the power steering pump to the accessory bracket.
pic 14
Notice: Refer to Fastener Notice.
5. Install the power steering pump rear bracket bolts (1).
Tighten the rear bracket bolts to 50 N.m (37 lb ft).
pic 15
6. Install the power steering pump front bracket bolts (1,2).
Tighten the front bracket bolts to 50 N.m (37 lb ft).
7. Install the accessory drive belt.
__________________________
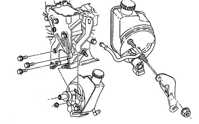
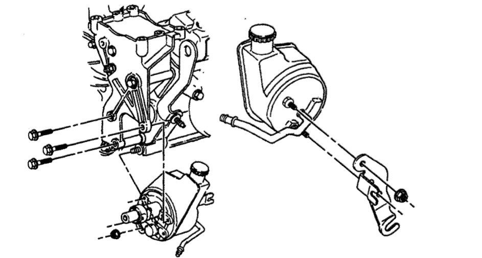
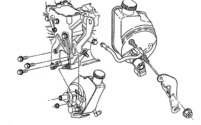
Let me know if this helps. Also, if you look at pic 16 (last pic) I included an exploded view so you can see how the power steering pump ties in with the brakes. I highlighted the power steering pump and brake master cylinder.
Take care and let me know if you need anything.
Joe
Images (Click to enlarge)
Jul 9, 2019 at 7:07 PM