I am having a problem with my brake lights

2000 CHEVROLET SILVERADO
130,000 MILES • 6.0L • V8 • AUTOMATIC
Avatar
MATTBRODEUR33
  • MEMBER
  • 1 POST
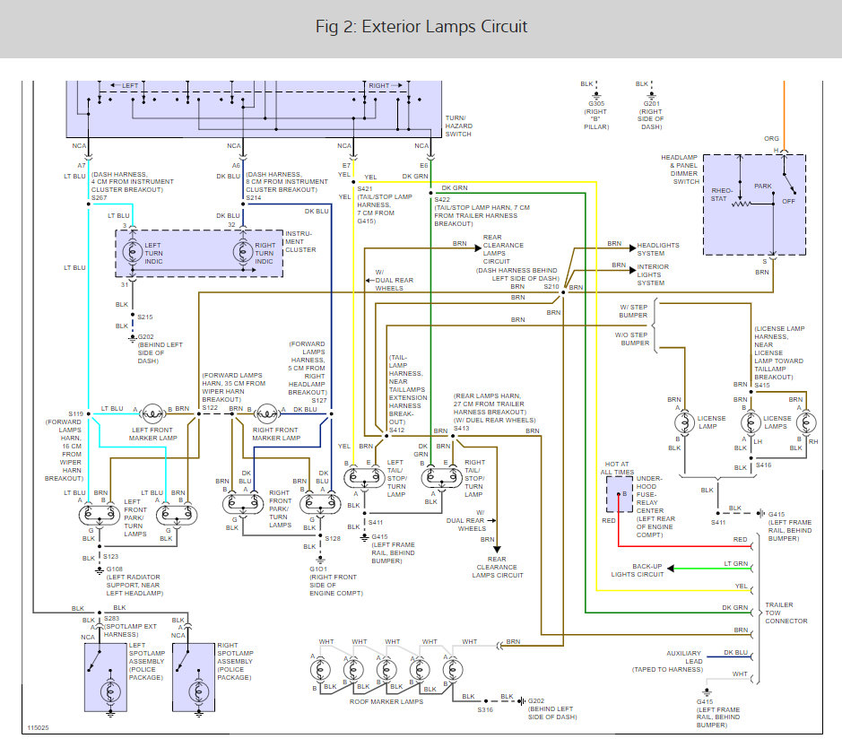
Hello, I am having a problem with my brake lights. I have checked fuses in both under hood as well as inside cab. I have purchased a new brake switch and installed it. I have replaced bulbs . When truck is on the running (top lights ) on brake lights work. The turn signals on both sides (middle bulbs) work and bottom lights work they turn on in reverse. My top third brake lights will not come on either . Any suggestions as to my next step to check?
Dec 18, 2017 at 1:20 PM
Advertisement
Avatar
STRAILER
  • CERTIFIED EXPERT
  • 53,854 POSTS
Hello,

There is a stop light relay located in the under hood fuse panel.

Here are guides to show you how to test the relay and then how to check for power at certain points in the system:

https://www.2carpros.com/articles/how-to-check-an-electrical-relay-and-wiring-control-circuit

and

https://www.2carpros.com/articles/how-to-use-a-test-light-circuit-tester

Let us know what happens and please upload pictures or videos of the problem.

Cheers, Ken
Dec 19, 2017 at 2:54 PM