Brakes lights work but running taillights will not turn on?

2013 HYUNDAI SONATA
189,000 MILES • 2.4L • V6 • 2WD • AUTOMATIC
Avatar
BRANDON STRAUGHTER
  • MEMBER
  • 1 POST
I changed the bulbs the brake lights work but the running lights will not come on, both sides are like this. is there a fuse for this? Or is there something else I can do?
Jul 27, 2023 at 9:22 AM
Advertisement
Avatar
STRAILER
  • CERTIFIED EXPERT
  • 53,855 POSTS
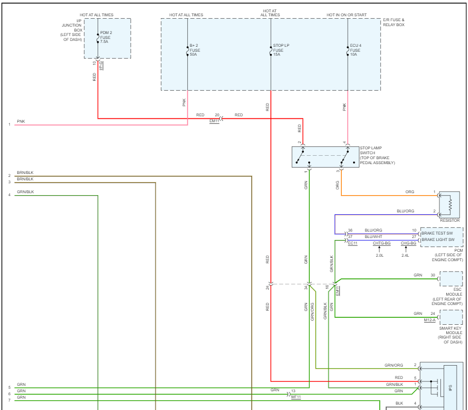
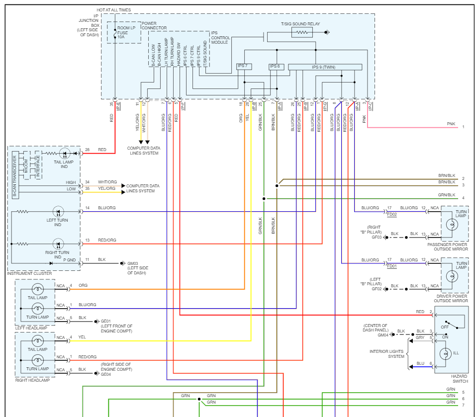
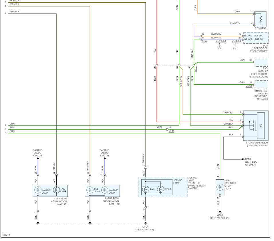
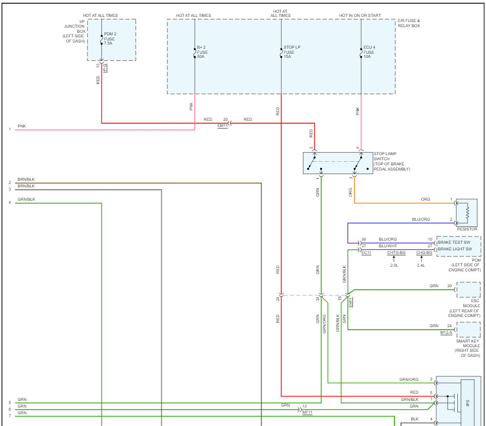
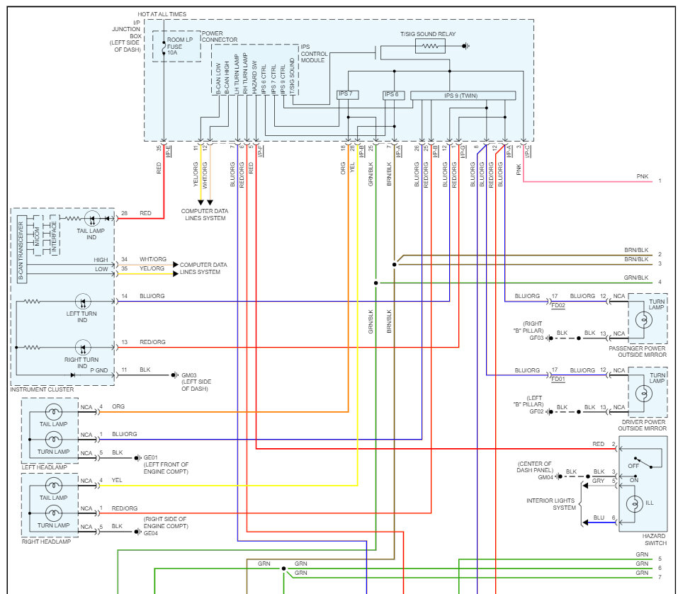
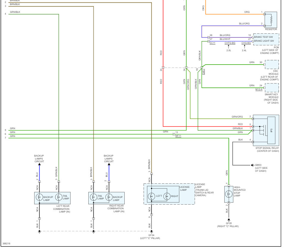
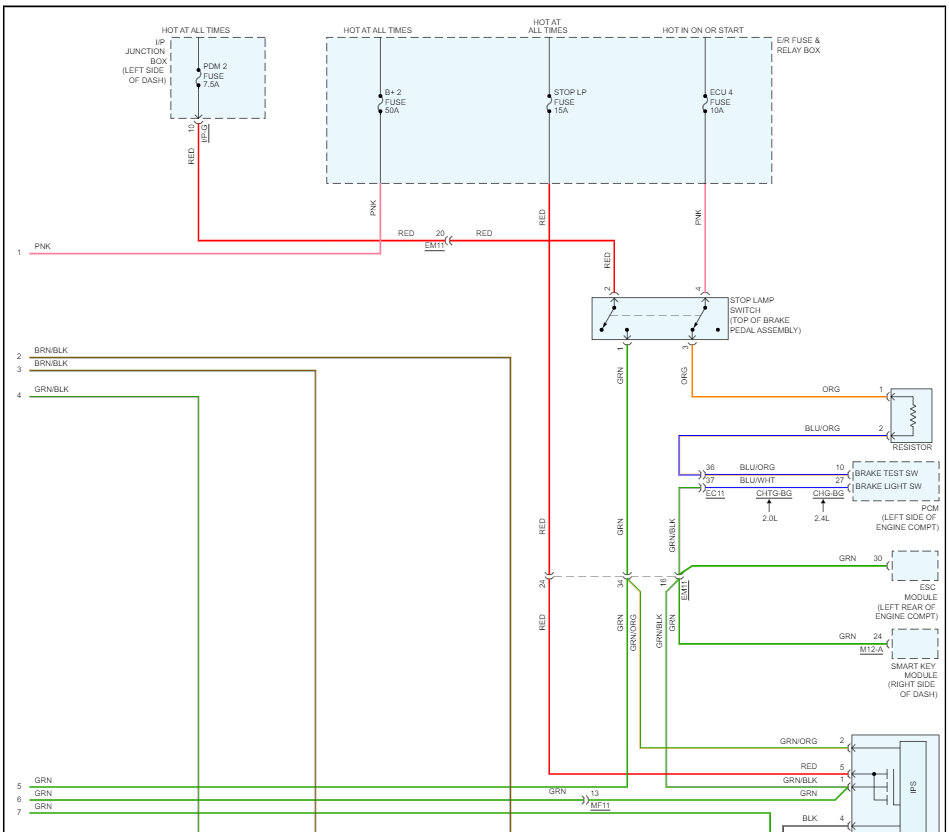
There are 5 fuses that run the system here are three guides to help us fix the problem and I have included the blinker and running light wiring diagrams so you can see which fuses to test and how the system works.

https://www.2carpros.com/articles/how-to-check-a-car-fuse


You might have a BCM that is out but to be sure, you can get a CAN scanner (Controller Area Network) which will work on most cars from Amazon.

here is a video to show you how:

https://youtu.be/u-4syLc-ifQ

Check out the images (below). Let us know what happens and please upload pictures or videos of the problem so we can see what's going on.
Jul 28, 2023 at 11:33 AM